EasyManua.ls Logo

Panasonic CU-NE9NKE - 8. Wiring Connection Diagram; Indoor Unit Wiring Connections

Panasonic CU-NE9NKE
117 pages
Print Icon
To Next Page IconTo Next Page
To Next Page IconTo Next Page
To Previous Page IconTo Previous Page
To Previous Page IconTo Previous Page
Loading...
17
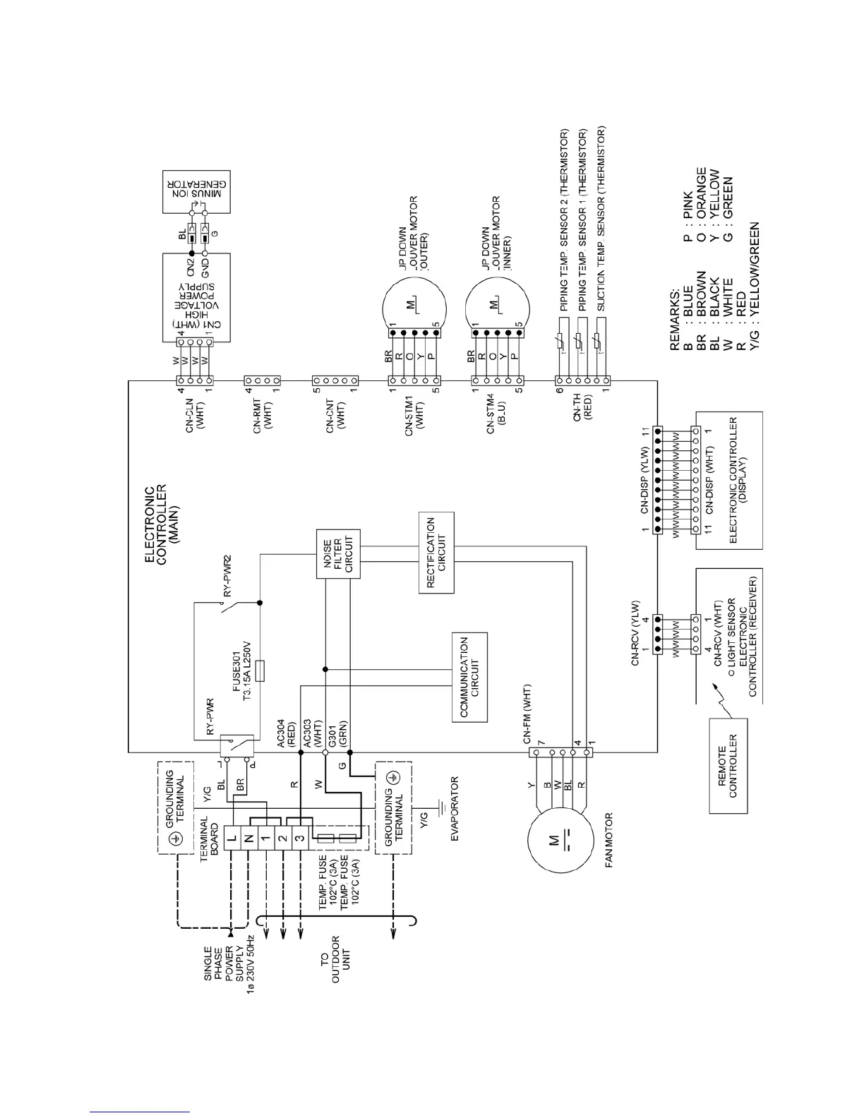
8. Wiring Connection Diagram
8.1 Indoor Unit

Table of Contents

Related product manuals