EasyManua.ls Logo

Panasonic CU-NE9NKE - Outdoor Unit

Panasonic CU-NE9NKE
117 pages
Print Icon
To Next Page IconTo Next Page
To Next Page IconTo Next Page
To Previous Page IconTo Previous Page
To Previous Page IconTo Previous Page
Loading...
18
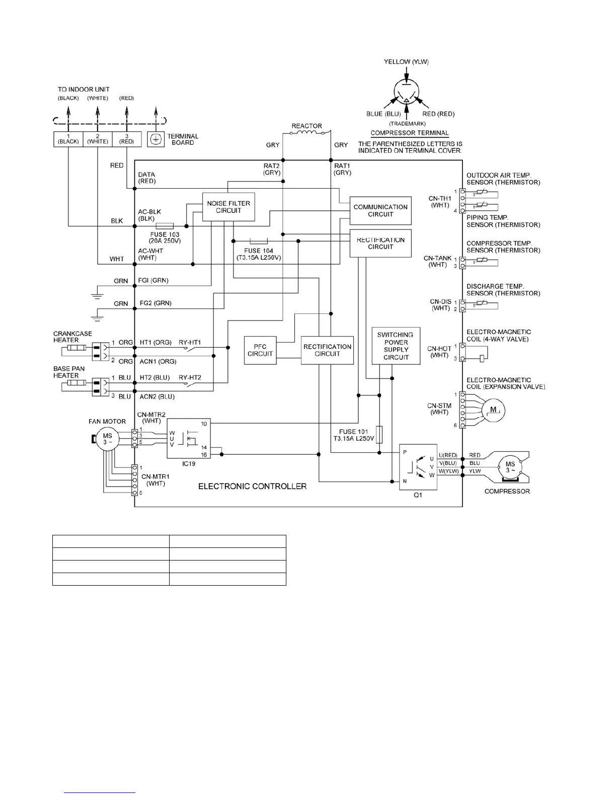
8.2 Outdoor Unit
Resistance of Compressor Windings
CONNECTION 5RD132XBE21
U - V 1.897
U - W 1.907
V - W 1.882

Table of Contents

Related product manuals