EasyManua.ls Logo

Panasonic CU-SA9CKP5 - 9.3. Evacuation (Installation)

Panasonic CU-SA9CKP5
62 pages
Print Icon
To Next Page IconTo Next Page
To Next Page IconTo Next Page
To Previous Page IconTo Previous Page
To Previous Page IconTo Previous Page
Loading...
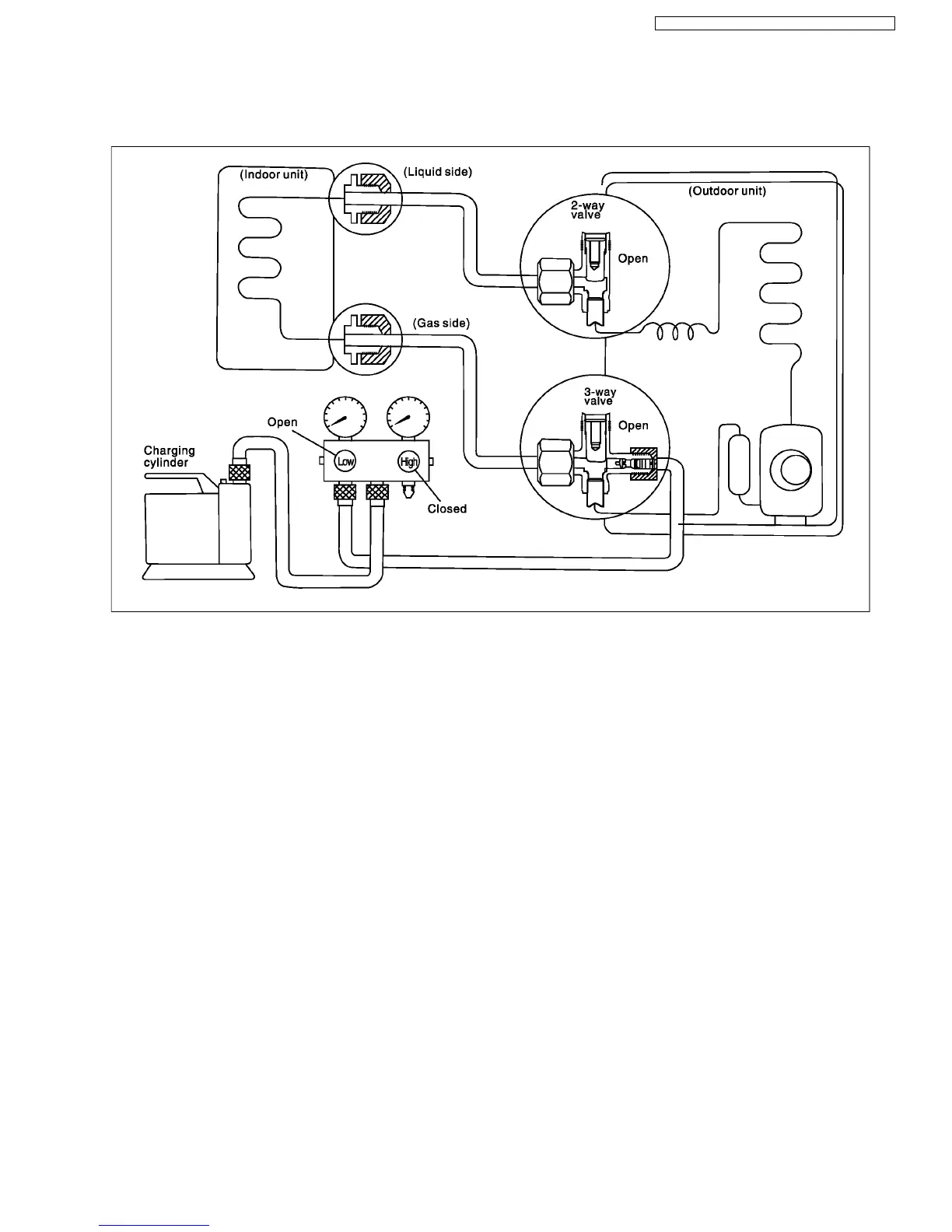
9.3. Evacuation (Installation)
(No refrigerant in the refrigeration cycle)
Procedure
1. Connect the vacuum pump to the charge set´s centre hose.
2. Evacuation for approximately 1 hour.
Confirm that the gauge needle has moved toward-76cmHg (-0.1Mpa) [vacuum of 4 mmHg or less].
3. Close the valve (low side) on the charge set, turn off the vacuum pump, and confirm that the gauge needle dose not move
(approximately 5 minutes after turning off the vacuum pump).
4. Disconnect the charge hose from the vacuum.
Vacuum oil
If the vacuum pump oil becomes dirty or depleted, replenish as needed.
45
CS-SA9CKP CU-SA9CKP5 / CS-SA12CKP CU-SA12CKP5

Related product manuals