EasyManua.ls Logo

Panasonic CU-V18CKE - Refrigeration Cycle Diagram

Panasonic CU-V18CKE
77 pages
Print Icon
To Next Page IconTo Next Page
To Next Page IconTo Next Page
To Previous Page IconTo Previous Page
To Previous Page IconTo Previous Page
Loading...
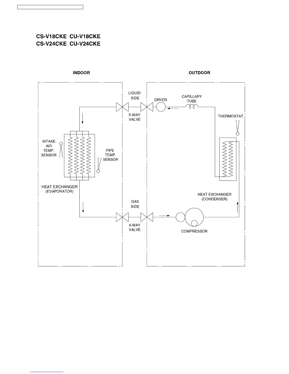
5 Refrigeration Cycle Diagram
12
CS-V18CKE CU-V18CKE / CS-V24CKE CU-V24CKE

Table of Contents

Related product manuals