EasyManua.ls Logo

Panasonic CU-V18CKE - Block Diagram

Panasonic CU-V18CKE
77 pages
Print Icon
To Next Page IconTo Next Page
To Next Page IconTo Next Page
To Previous Page IconTo Previous Page
To Previous Page IconTo Previous Page
Loading...
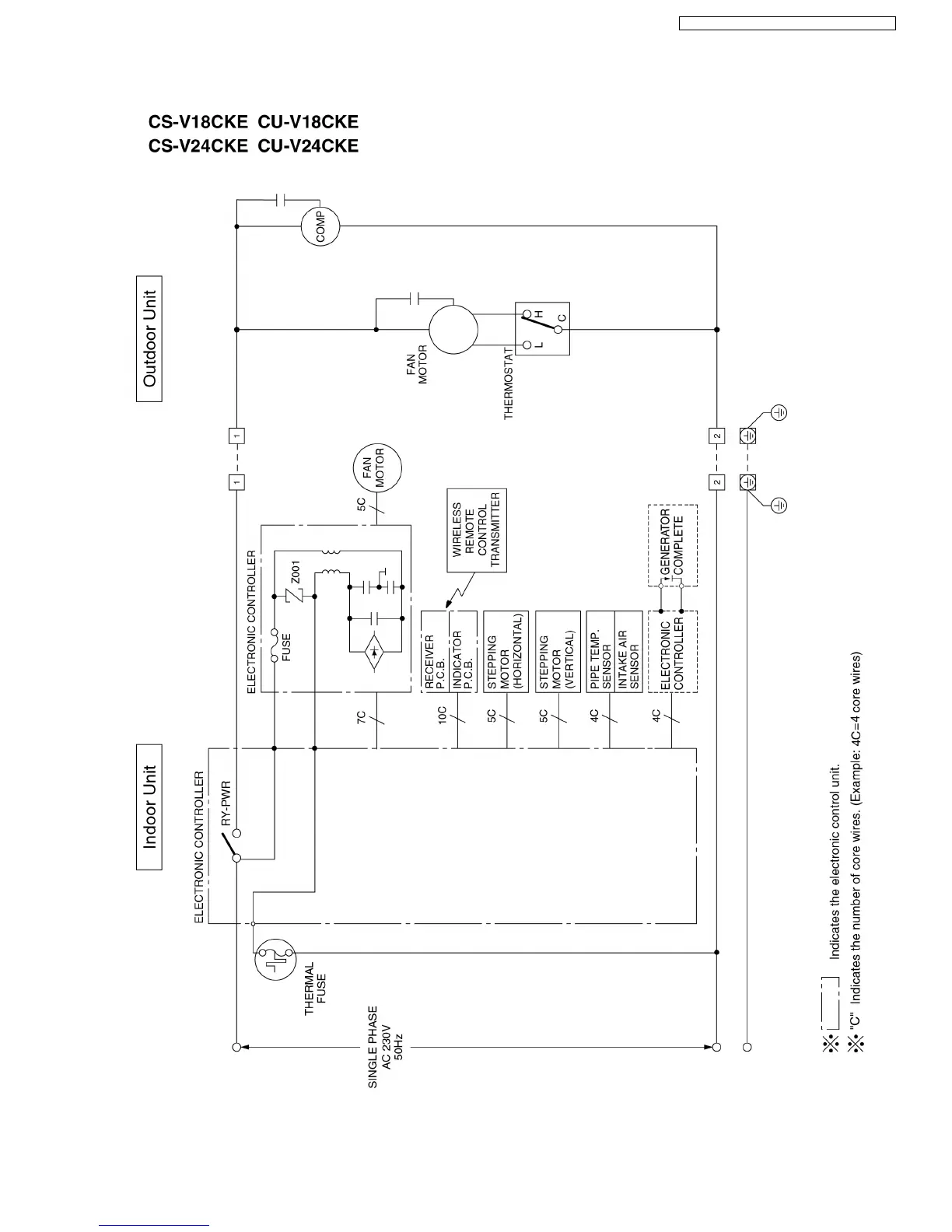
6 Block Diagram
13
CS-V18CKE CU-V18CKE / CS-V24CKE CU-V24CKE

Table of Contents

Related product manuals