EasyManua.ls Logo

Panasonic DMR-E75VP - Page 123

Panasonic DMR-E75VP
235 pages
Print Icon
To Next Page IconTo Next Page
To Next Page IconTo Next Page
To Previous Page IconTo Previous Page
To Previous Page IconTo Previous Page
Loading...
H
L
H
H
L
(DIGITAL TIMER CPU)
POWER & DIGITAL I/F P.C.B.
TO/FROM
138
137
IC6701-
I2C5DT
IC6701-
I2C5CK
(Y/C MIX)
L1 CS DET
L2 CS DET
P39702
P39702
P39702
P39702
P39702
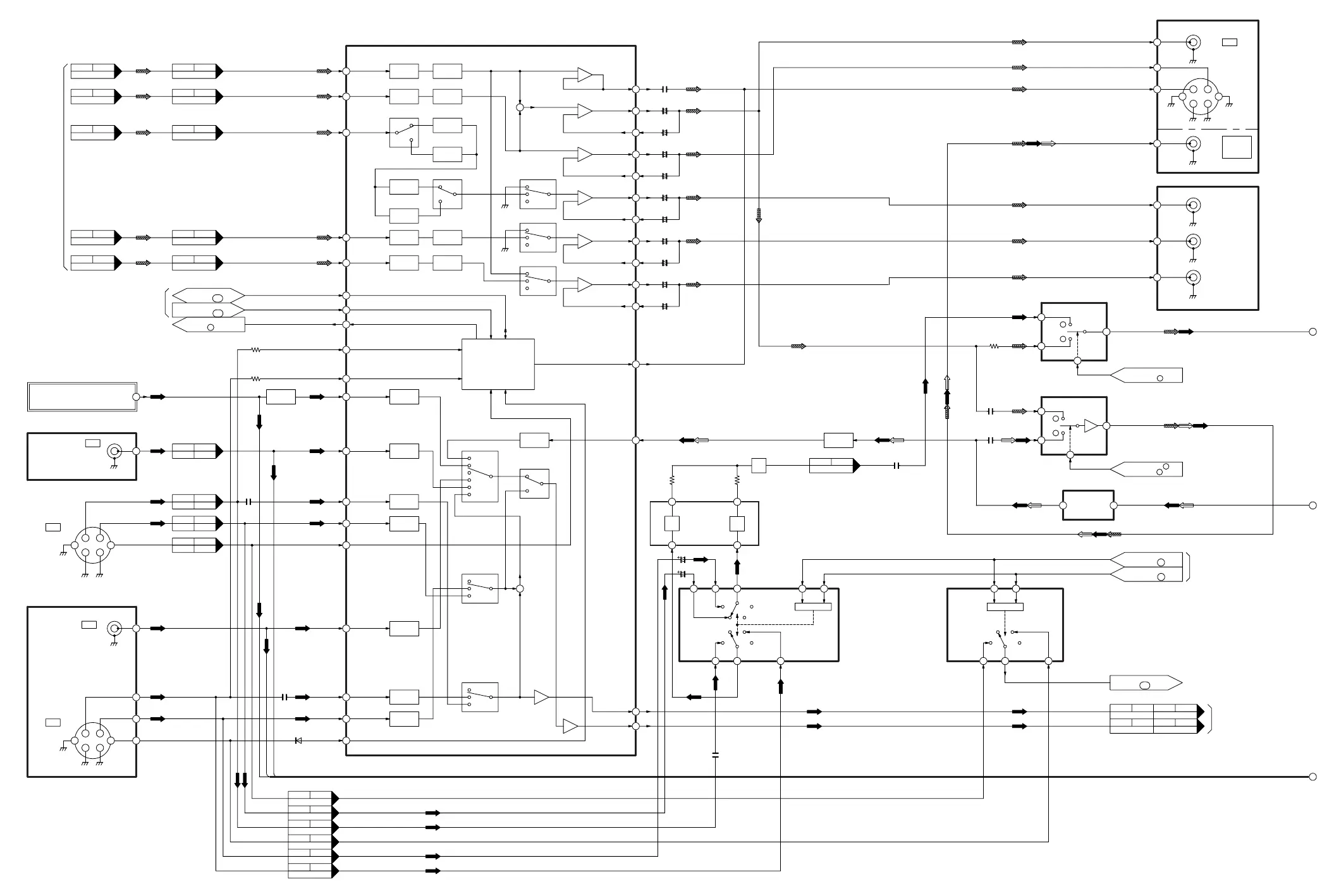
DMR-E75VP
Video Block Diagram
C
BAC
100
JK4802
L1/L2/L3 SW DET.
8
Q43972
VPN Y OUT
C
Y
S-VIDEO IN
L2
12
65
34
S-VIDEO IN
(480P/480I)
VIDEO OUT
COMPONENT
JK3904
OUT
COMMON
VHS/DVD
DVD
PR(RED)18
PB(BLUE)19
Y(GREEN)20
Q43971
24
65
SW.)
SELECTOR
(Y/C IN
IC43905
SW.)
SELECTOR
(LINE DET.
IC43904
SECTION)
(SYSTEM CONTROL
TO MAIN P.C.B.
C3963
1
P4503PS43003MIX V OUT
AMP
AMPAMP
IC6001-
CPS DET
IC6001-
INSEL A
3
IC6001-
INSEL B
SECTION)
(SYSTEM CONTROL
FROM MAIN P.C.B.
29
L1L2
SW LOGIC
5
IN B
DET.
LINE
2
IN A
3
910
C1CC2
Y2 Y1 Y IN A IN B
SW LOGIC
532
910131415
CPN Y IN2
CPN C IN2
CPN Y IN1
CPN C IN1
9
PS43001P4501
7
PS43001P4501
8
PS43001P4501
9
PS43003P4503
7
PS43003P4503
8
PS43003P4503
1
VIDEO IN
VTR OSD
CLAMP
DIGITAL P.C.B.
TO/FROM
6dB
6dB
6dB
6dB
6dB
6dB
Pr/R/C SAG
Pr/R/C OUT
Pb/B SAG
Pb/B OUT
Py/G SAG
Py/G OUT
Y75 SAG
Y75 OUT
V75 SAG
Y/C MIX
C75 OUT
SW1
Y
V
DVD R/Pr IN
DVD B/Pb IN
DVD G/Py IN
DVD Y IN
DVD C IN
IIC-BUS CONTROL
SW2 Py/G SW
6M LPF
12M LPF
Pb/B SW
BIAS 6M LPF
BIAS 6M LPF
CLAMP
BIAS
DRV MIX
Pr/R/C SW
BIAS 6M LPF
+
CLAMP
75
75
6M LPF
75
75
75
75
0dB
0dB
MIX A
+
V-SW A
MIX A
Y-SW A
C-SW A
BIAS
BIAS
CLAMP
CLAMP
CLAMP
CLAMP
CLAMP
SDA
SCL
16
58
57
S1/S2 DET1
9
S1/S2 DET2
34
32
Y/V OUT
C OUT
69
65
31
S1/S2 OUT
TUNER
C2 IN
Y2 IN
Y1 IN
C/S DET2
C1 IN
VIDEO1 IN
C/S DET1
VIDEO2 IN
5
10
7
6
13
14
17
12
SW A
3
39
37
36
33
47
51
43
35
27
26
29
28
30
(VIDEO I/O PROCESSOR)
IC3701
41
L2
A
B
VTR OSD VIDEO
SECTION)
(SYSTEM CONTROL
FROM
SECTION)
(SYSTEM CONTROL
FROM
1
4
IC6001-
DVD OUT
IC6001-
DVD IN WIDE
CPS V(MIX)
IC3903
(DVD/VTR SELECTOR SW.)
IC3901
(DVD/VTR SELECTOR SW.)
DVD
VTR
VTR
DVD
2
1
6
2
7
1
3
4
Q3903
99
(SYSTEM CONTROL)
IC6001
5052 OUT IN
BUFFER
6
4
P31902P6002
P31902P6002
L2 SW
10
P6002P31902
P31902 P6002
12
8
P6002P31902
13
P6002P31902
P31902 P6002
14
L1
L1
VIDEO IN
TU
Q7401
BUFFER
IC37501-
L1/2/3 SW DET
P.C.B.
DIGITAL
TO
2
P9001P39702V YIN DM
1
P9001P39702CPNCIN DM
PR OUT
PB OUT
PY OUT
CPN Y OUT
CPS V OUT
CPN C OUT
L1 CS DET
CPN Y IN1
CPN C IN1
LINE 1V IN
OUT
VIDEO
OUT
VIDEO
A/V OUT JACK
JK3902
4
3
14
16
Y
C
OUT
S-VIDEO
Y
C
C
Y
L2 CS DET
CPN Y IN2
CPN C IN2
6
PS33001
7
PP4801
2
PS33001
11
PP4801
4
PS33001
9
PP4801
9
PS33001PP4801
4
VIDEO IN 7
FRONT A/V JACK
JK4801
4
6
3
16
VIDEO IN
REAR A/V JACK
JK3901
24
U/V TUNER PACK
TU7401
VIDEO IN
VTR OSD VIDEO IN
P.C.B.
DIGITAL
FROM
34
P9001
P9001
30
26
P9001
22
P9001
18
P9001
R PROUT DM
B PBOUT DM
G PYOUT DM
Y OUT DM
C OUT DM

Related product manuals