EasyManua.ls Logo

Panasonic DMR-E75VP - Page 124

Panasonic DMR-E75VP
235 pages
Print Icon
To Next Page IconTo Next Page
To Next Page IconTo Next Page
To Previous Page IconTo Previous Page
To Previous Page IconTo Previous Page
Loading...
H
A
B
C
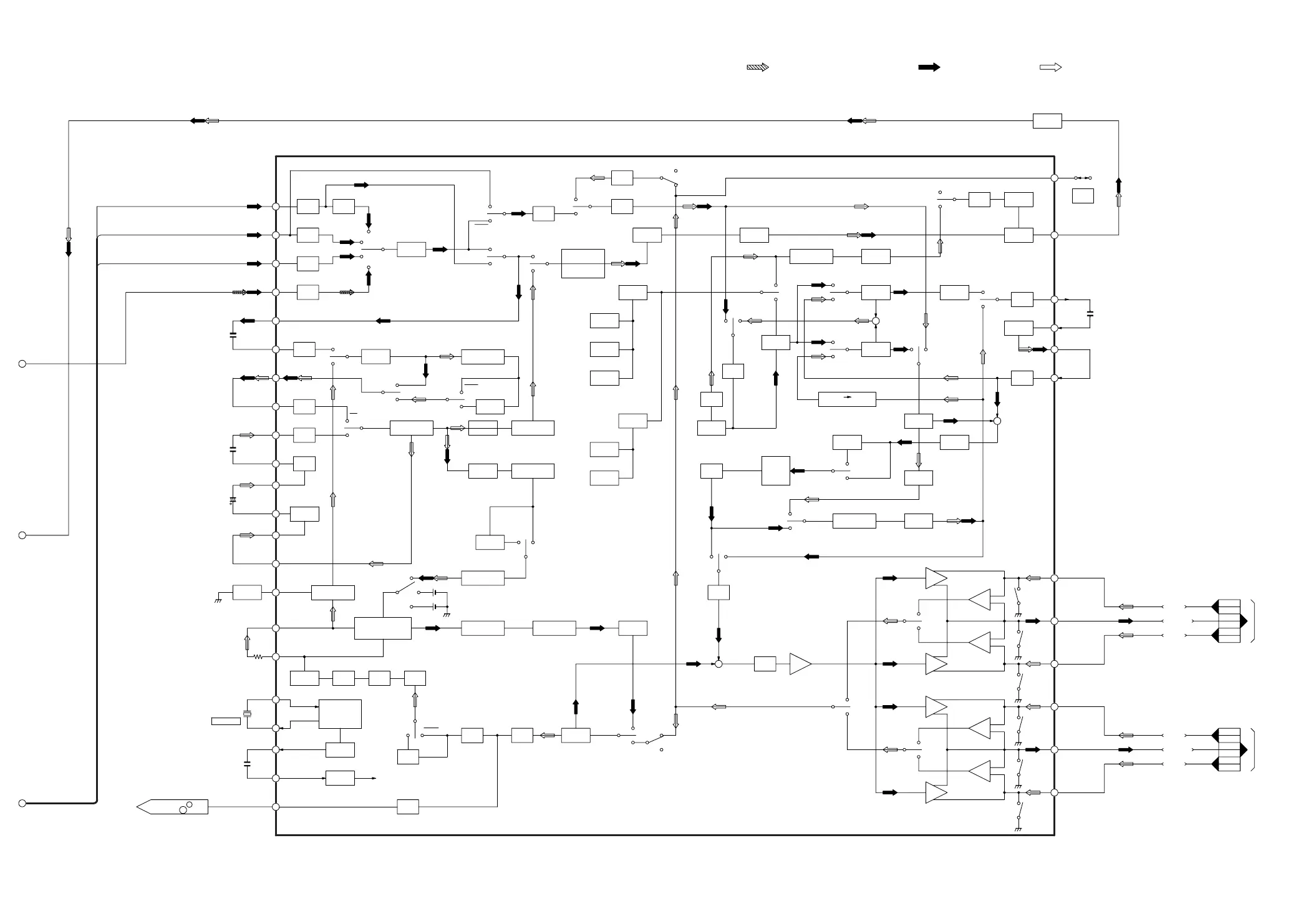
DMR-E75VP
Video Block Diagram
DMR-E75VP
Video Block Diagram
C
ENVE
VIDEO
TW3001
76
3.58MHz
:DVD VIDEO EE SIGNAL
Q3004
AMP
61
DVD/VTR V
L2 V IN
L1 V IN
VTR TU V IN
A
B
P
R
IC3001
(AUDIO/VIDEO SIGNAL PROCESSOR)
EP R
EP COM
EP L
SP R
SP COM
SP L
VIDEO HEAD
DD CYLINDER
TO/FROM
VIDEO HEAD
DD CYLINDER
TO/FROM
1
P3001
2
P3001
3
P3001
4
P3001
5
P3001
6
P3001
SVHS
ATP
SVHS
R
R
P
P
R
EXT
INT
SYSTEM CONTROL SECTION
TO
X3001
IC6001-
SQPB DET
FILTER
PEAKING
C3005
L3002,
8
20
53
65
69
67
9
12
36
51
49
40
38
EMPHASIS
NON-LINEAR
DEH
15
COMPARATOR
PHASE
17
TRAP-NC
19
HP-NC
21
REDUCTION
Y-NOISE
23
DELAY
Y-CCD
26
LPF
33
GCL
GCL35
37
DO/REC
DO
SQPB
SQPB
P
R
Y-LPF
R
P
GCL
TO C CCD
EXT
P-EQ
SQPB
DL
SQPB
DRIVER
C CLOCK
2FSC
DET
SQPB
OSCILLATOR
VCO
X'TAL
PB AGC+APL
REC FBC+ALC
INT
ADJUSTMENT
fo/DEVIATION
ET LPF
MODULATION
FM
P
FILTER
REC
DE-EMPHASIS
MAIN
ACC DET
CHROMA
R
ACC DET
W.C/D.C
CARRIER OFFSET
MAIN EMPHASIS
ACC SW
TRAP
629MHz
REC APC
LPF
SUB
KILLER
SQPB
PB APC
DEMO
APC SW
AGC
FM
EQ
SQPB
DLIM
DE-EMPHASIS
NON-LINEAR
VIDEO ALC
G-EQ
CLAMP
FEED BACK
SYNC
CLEAR
ACC
LPF
2MHz
HPF
-10dB
ATT
-10dB
ATT
-10dB
ATT
-6dB
ATT
-4dB
ATT
AGC
VIDEO
INT
EXT
91
90
89
87
86
85
45
46
55
57
VCA
MUTE
REC
DELAY
C-
FREC TRAP
R
P
Hi-Fi TRAP
REC TRAP/
ADJUST
LEVEL
MIX
B.E
ACC
CHROMA
C-ACC:ON
CTL TRAP
fh HPF
THROUGH
KILLER
COLOUR
TRAP
FREC
NO
+
LPF
CCD
C CCD
29V-AMP
SQUELCH
C-
C LPF2
AMP
6dB
+
CONV DELAY
4.43PAL MPAL
ERASE
PILOT
VCA
B.D
BPF
ADD
PILOT
C LPF1
PR
R
CONV 1
MAIN
R
+
P
CONV 2
MAIN
R
KILLER
COLOUR
P
CONVERTER
NTSC/PAL
R
SQUELCH
P
P
CH1
CH2
CH1
CH2
EP1
EP1
EP2
EP2
EP
SP1
SP1
SP
SP2
SP2
LPF
:PB SIGNAL:REC SIGNAL

Related product manuals