EasyManua.ls Logo

Panasonic DMR-E80HP - Page 164

Panasonic DMR-E80HP
180 pages
Print Icon
To Next Page IconTo Next Page
To Next Page IconTo Next Page
To Previous Page IconTo Previous Page
To Previous Page IconTo Previous Page
Loading...
R146 10K
RN2Z
D120
TH101 NC21F104J
10K
R147
2SD601A
Q110
(POWER SAVE SW)
MA111
D118
MA111
D117
10K
R155
10K
R161
2.21K
R156
2.21K
R157
0.1
C128
10K
R154
220
R145
100
R160
(POWER CTL.)
2SB709A
Q111
AN1431T
IC102
K
R
A
10V470
C121
R126 2.2K
(POWER CTL.)
2SD965
Q112
(POWER CTL.)
2SD601A
Q113
R167 10K
68K
R168
C131 50V4.7
R166 47K
R165 10K
33
R164
1000P
C130
10
R153
1.5u
L106
1.5u
L117
EXCELDR35
L107
(FEED BACK)
25V1000
C109
10K
R327
22K
R318
10K
R324
16.2K
R338
R335 47.5K
C314 3300P-0.033
332
R340
C310 0.1
C307 0.1
5.23K
R334
10V470
C126
100
R301
(FEED BACK)
12
ICPN15
IP101
10
R162
100P
C129
10
R163
47K
R8
47K
R9
(POWER CTL.)
UN2213
Q4
2SD601A
Q1
(POWER CTL.)
C11 1
C10 1
EXCELDR35
L5
10K
R143
8.2K
R141
(POWER CTL.)
2SD601A
Q109
(POWER ON/OFF SW)
(POWER ON/OFF SW)
2SB766A
Q108
820
R140
820
R142
(POWER CTL.)
D8 ERA91-02
10
R105
RK46
D106
16V1000
C110
5V
EXCELSA35
L115
10u
L140
MA4075N
ZD103
47
R159
10V1000
C112
10
R106
FUSE
2.5A
F101
21
NJM2904M
IC302
3
2
1
+
-
3.32K
R326
0.033
C304
10K
R316
221
R321
R325 10K R339 16.2K
MAZ8051
ZD303
1
C308
0.033
3300P-
C313
46.4K
R333
332
R341
47.5K
R337
0.033
3300P-
C315
5.23K
R336
6.19K
R332
0.1
C311
+
-
5
64
7
8
NJM2904M
IC302
MA111
D305
47K
R329
MA111
D303
10K
R345
0.22
C316
10K
R344
R320 22K
R343 1K
270
R313
270
R342
8.2K
R309
2SB709A
Q309
2SD601A
Q306
2SD2000
Q304
221
R319
MAZ8051
ZD302
4.7K
R304
10K
R303
2SB710A
Q303
2SD1328
Q307
68K
R307
4.7K
R308
C301 1000P
R310 7.5K
MA111
D301
4.7K
R306
R312 1K
MA111
D302
10K
R311
MA8051
ZD301
0.1
C302
8.2K
R315
7
6
5
1
42
3
8
+
-
-
+
NJM2904M
IC301
3300P-0.033
C312C306 1
10K
R322
3.32K
R323
46.4K
R331
6.98K
R330
NJM2904M
IC301
D304 MA111
47K
R328
2SB1218A
Q308
10K
R317
4.7K
R314
1K
R305
2SB1218A
Q305
2SD602A
Q302
10K
R302
2SK3366
Q301
FBCOMPGNDRT/CTVREF
ISNS
VCC
OUT
5V CONTROLLED BLOCK
1V
2R
1R
30V
UVLO
UVLO
ENB
OUTPUT
TFF Q
QB
CLK
FF
Q
QBR
S
-
+
-
+
-
+
+
-
ER AMP
2.5V
VCC
ENB
5V REF
OSC
H
12
C309 0.1
RK39
D116
GPP20J
D115
GPP20J
D119
LED DVD(H)
LED REC DVD(H)
LED WARP ON(H)
BLIND OPEN(H)
15
14
13
12
11
GND
KEY IN1
DR 12V
DR 12V
GND
KEY IN2
GND
KEY IN3
10
9
8
7
6
5
PS102
MAIN P.C.B.
TO PP1503
DR 5V
4
2
1
3
DR 5V
X SW 5.15V
BLIND OPEN(H)
LED WARP ON(H)
LED REC DVD(H)
10V1000
C107
(DC-DC CIRCUIT)
(1,2,3)
S
G(4)
D(5,6,7,8)
D(5,6,7,8)
S(1,2,3)
G(4)
S
D
G
ICPN25
IPI02
MA8051
ZD104
AC SOCKET
WHEN REPLACING ANY OF THESE COMPONENTS.ONLY THE SAME TYPE.
COMPONENTS IDENTIFIED WITH THE MARK HAVE THE SPECIAL CHARACTERISTICS FOR SAFETY.
IMPORTANT SAFETY NOTICE:
IN THE PARTS LIST,AND MAY BE SLIGHTLY DIFFERNT OR AMENDED SINCE THIS DRAWING WAS PREPARED.
NOTE:DO NOT USE THE PART NUMBER SHOWN ON THIS DRAWING FOR ORDERRING.THE CORRECT PART NUMBER IS SHOWN
HOT COLD
(REG.+12V)
UPA1717G
Q103
(REG.+5V)
UPA1720G
Q107
(POWER CTL.)
UN2111
Q106
1K
R137
35V47
C127
2.7K
R144
10V220
C125
6.3V1500
C123
1.5u
L114
4.7u
L112
127-158
R135
R122 392-442
100
R127
MA8039
ZD101
120
R130
0.033
C119
MA8027
ZD102
100
R129
R152 0.16
R151 0.16
R150 0.16
R149 0.16
R148 0.16
R119 0.16
R117 0.16
R116 0.16
R115 0.16
SO1
OC1
SE1
SO2
OC2
DR2
TI
DR1
VCC
SE2
FG
0
R114
50V2.2
C104
D105 RK46
MA165
D108
MA165
D107
L105 EXCELDR35
1K
R124
8.2K
R136
10K
R139
(SWITCH(H):ON)
2SD601A
Q104
10V1200
C106
R132 470
0.1
C120
6.8K
R134
6.8K
R133
0.22
C124
8.2K
R138
(POWER CTL.)
UN221L
Q105
MA111
D114
R131 1K
0.1
C118
560
R128
(POWER CTL.)
2SD601A
Q102
2SB709A
Q101
100
R125
MA111
D113
25V47
C122
16V470
C140
EXCELDR35
L111
ERA15-04
D112
820
R123
EVMEASA01B52
VR102
C116 1000P
10u
L110
ON3171
PC1
R112 2.32K
R120 6.8
R121 10
C114 1
C115 1
470
R113
ERROR VOLTAGE
DET.
ERROR VOLTAGE
DET.
NJM431U
IC103
A
R
K
2.2u
L108
10
R102
1000P
C102
BRF1560
D103
D104 RK36
10
R104
1000P
C103
D101 RL2ZLF
L101 EXCELSA24
S3
S2
S5
(VOLTAGE CONTROL)
FA13844N
IC1
(POWER CTL.)
2SD601A
Q2
NC21F104J
TH1
1
C18
560
R21
100
R20
MA8270
ZD2
4.7K
R23
47K
R6
ON3171
PC1
2.2K
R22
0.01
C17
1K
R13
R15 33K
680P
C14
R7 15K
C12 1
R10 100K
R11 1K
C13 1000P
D2 MA111
0.1
C19
35V56
C22
150u
L3
100
R12
M1FL20U
D6
R30 0
R29 0
R24 0.33
2SK2543
Q3
D4 MA111
R17 100
R16 100
EXCELDR35
L4
C23 150PR32 120
D7 AP01CR28 51KR27 51K
C20 470P
C5 100PC1 100P
C7 2200P
0.1
C3
1000P
C8
R118 0.16
L103 EXCELSA24
GND
KEY IN3
KEY IN2
KEY IN1
10
9
8
7
6
5
PS101
TO HDD
3
1
2
4
12V
GND
GND
5V
8
63
7
2154
19m
L2
19m
L1
P1
B2
B1
P2
LN
P1
P1
3.15A
F1
GA
GA
GAR2 1M
ERZVA7D471
Z2
C4 0.22
GAGA
GA
GA
GAGA
2200P
C2
2200P
C6
GA
GA
GA GA
1500P
C16
250V120
C9
AC-
AC+
D2SBA60
D1
RD56EB
ZD1
R3 22KR1 22K
POWER TRANSFORMER
ETB28BF1N6AD
T1
PS103
FRONT(R) P.C.B.
TO P7801
PS105
MAIN P.C.B.
TO PP1501
3
1
2
4
LED DVD(H)
JC DR P ON(H)
P SAVE(L)
GND
P ON(H)
GND
GND
X SW 13V
GND
X SW 5.9V
GND
X SW 5.15V
GND
D 3.3V
D 3.3V
D 1.8V
D 1.8V
19
18
17
16
15
14
13
12
11
10
9
8
7
6
5
4
3
2
1
111098
G
S1
F
7654321
E
D
C
B
A
DMR-E80H P/PC
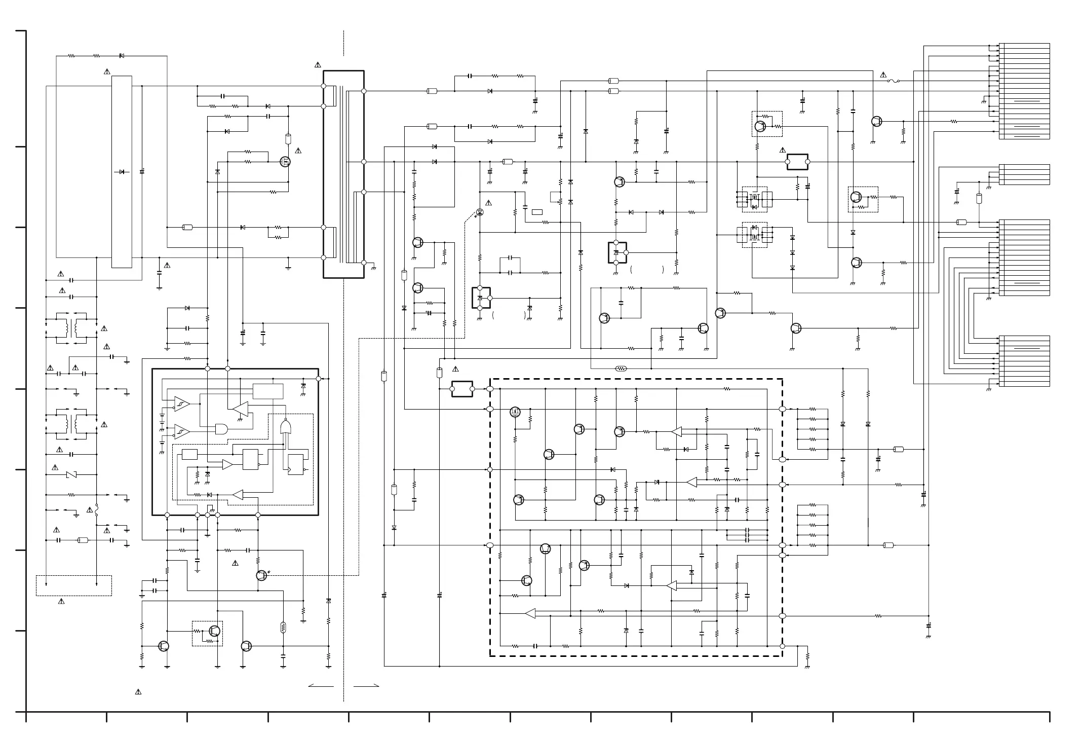
Main Power Supply
Schematic Diagram

Other manuals for Panasonic DMR-E80HP

Related product manuals