EasyManua.ls Logo

Panasonic DMR-E80HP - Page 165

Panasonic DMR-E80HP
180 pages
Print Icon
To Next Page IconTo Next Page
To Next Page IconTo Next Page
To Previous Page IconTo Previous Page
To Previous Page IconTo Previous Page
Loading...
0.1
C1532
25V47
C1530
270
R1515
5
SENSE
V OUT
1
GND
2
V IN
3
ON(H)
4
MVJC REG 5V 2
VIN
VIN
GND
GND
5876
(REG.JC+5V)
C0DBZHE00014
IC1508
A
A
A
V
T
(REG.ANA +5V)
C0DBZHE00014
IC1513
25V47
C1512
470
R1502
0
R1501
(REG.D +5V)
C0DBZHG00012
IC1505
K1502
TVAMGND
TPOWER ON(H)
VANA 5V
(REG.ANA +3.3V)
C0DBZGG00010
IC1504
MBOOSTER 5V
MD 5V
MANA 3.3V
MD 1.8V
MD 3.3V
MD 1.5V
TJC P ON(H)
TP SAVE(L)
TX SW 13V
MX SW 5.9V
TX SW 5.15V
MJC REG 5V 1
25V47
C1514
6V47
C1508
0.1
C1528
321
45
V IN
GNDNR ON(H)
V OUT
(REG.D +1.5V)
C0DBEFG00002
IC1502
4
VC
VB
SENS
1
VOUT
23
25V47
C1509
0.1
C1507
321
45
C1506 6V470
C1505 6V470
C1504 10V470
C1503 10V470
C1502 25V220
V INV OUT
ON(H)GNDNR
5
SENSE
V OUT
1
GND
2
V IN
3
ON(H)
4
M BLIND OPEN(H)
T KEY IN3
T KEY IN2
T KEY IN1
T LED WARP ON(H)
T LED REC DVD(H)
T LED DVD(H)
T
T
T
FAN GND
DR P ON(H)
DD GND
LED DVD(H)
13
15
14LED REC DVD(H)
LED WARP ON(H)
DR 5V
DR 5V
DR 12V
DR 12V
GND
KEY IN3
GND
KEY IN2
GND
KEY IN1
BLIND OPEN(H)
PP1503
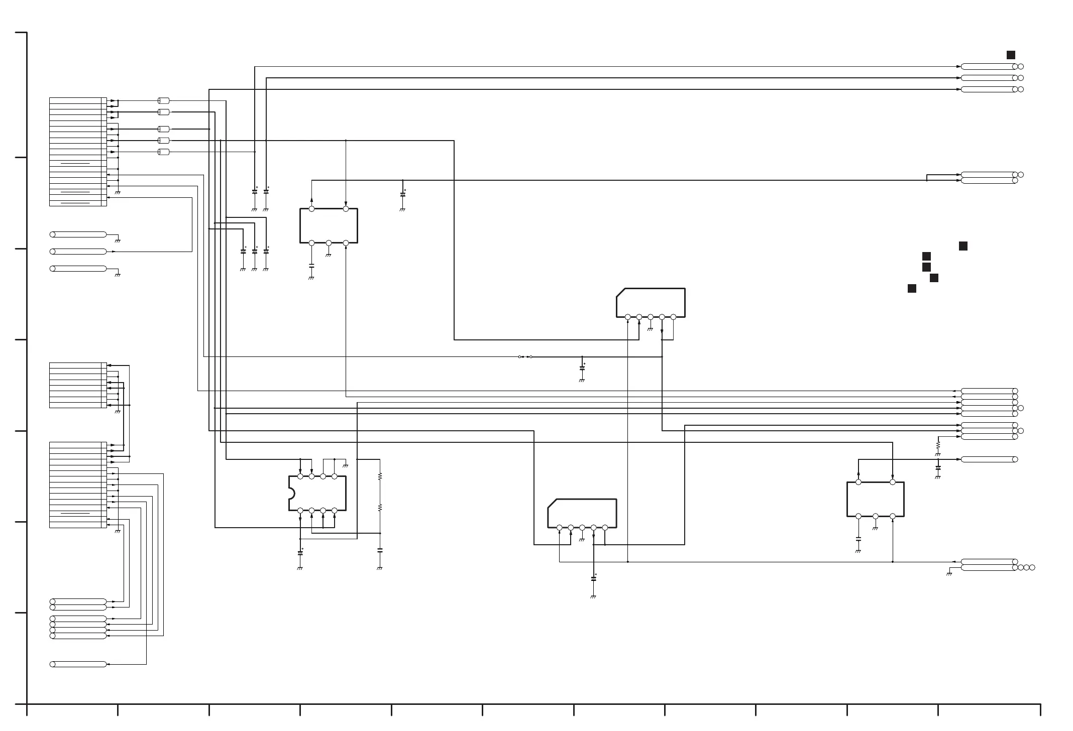
MAIN POWER SUPPLY P.C.B.
TO PS102
4
7
6
5
8
9
10
11
12
2
1
3
DR 12V
GND
DR 5V
GND
DR 5V
GND
GND
DR 12V
PP1502
TO DVD-RAM DRIVE
4
7
6
5
8
2
1
3
LB1505 J0JHC0000032
LB1504 J0JHC0000032
LB1503 J0JHC0000032
LB1502 J0JHC0000032
LB1501 J0JHC0000032
JC DR P ON(H)
P SAVE(L)
GND
P ON(H)
GND
GND
X SW 13V
GND
X SW 5.9V
GND
X SW 5.15V
GND
D 3.3V
D 3.3V
D 1.8V
D 1.8V
19
18
17
16
15
14
13
12
11
10
9
8
7
6
5
4
SINCE THIS DRAWING WAS PREPARED.
AND MAY BE SLIGHTLY DIFFERNT OR AMENDED
PART NUMBER IS SHOWN IN THE PARTS LIST,
THIS DRAWING FOR ORDERING. THE CORRECT
NOTE:DO NOT USE THE PART NUMBER SHOWN ON
PP1501
MAIN POWER SUPPLY P.C.B.
TO PS105
3
2
1
11109876
G
F
E
D
C
B
5432
A
1
DMR-E80H P/PC
Sub Power Supply Section
(Main P.C.B.(1/5))
Schematic Diagram(P)
A
P:Sub Power Supply Section(Page: )
A
M:Main Net Section(Page: )
B
V:Video I/O Section(Page: )
C
A:Audio Main Section(Page: )
D
T:Timer Section(Page: )
E

Other manuals for Panasonic DMR-E80HP

Related product manuals