EasyManua.ls Logo

Panasonic DMR-EH55EC

Panasonic DMR-EH55EC
173 pages
To Next Page IconTo Next Page
To Next Page IconTo Next Page
To Previous Page IconTo Previous Page
To Previous Page IconTo Previous Page
Loading...
100R7527
G_CSYNC_A
R7516 22(EC)
TL7515
C7522 100P
CL7501
TL7505
CL7503
G_SBMTP_A
G_SBPTM_A
EPG_ON_H
G_SCLK_A
4700R7517
100R7565
R7567 100
R7566 100
100R7564
100R7561
R7562 100
XINTM
G_IIC_CLK_A
G_IIC_DATA_A
XINTP
XMPREQ
R7549 4700
R7548 4700
10PC7532
10PC7531
1C7547
100R7537
100R7535
100R7536
C7528
0.1
3
1
2
4
5
IC7502
C0EBE0000504
100R7544
100R7543
ERJ3GEY0R00V
LB7508
C7519
18P
X7502
H0A327200108
0R7533
10KR7534
R7651 4700
R7531 100K
3300R7532
0.01
C7523
R7528 100
100R7529
C7524 0.1
C7517
18P
G_CSYNC_IN_A
C7516
18P
H0D100500019
H0D100500018
X7501
C7518
22P
R7520
10K
TL7510
0.1C7551
22K
R7530
R7653 100
AV4_S_IN_L
WIDE_H
AV2_PB_L
SYNC_DET
R7576 1K
DR_P_ON_H
P_SAVE_L
R7571 100
P_OFF_L
TU_P_ON_H
3900R7570
100R7568
10K
R7577
CL7508
CL7504
TL7509
CL7506
CL7507
CL7505
TL7503
R7582 100K
TL7512
3
4
2
5
98 9495 92 919397 96
1
100
99
80
78
76
77
79
87 868889 8284 83 818590
16
14
15
17
11
13
12 69
67
65
64
66
68
70
51
4945 474641 4442 43 48 50
30
3937353231 3433 36 38 40
22
23
20
21
26
28
27
24
25
18
19
53
55
57
62
60
59
61
63
58
56
54
29 52
75
73
71
72
74
9
7
6
8
10
C2CBJG000713
IC7501
NC(OPEN)
[33]NC(GND)
NC(OPEN)
125Hz
XINTM_OUT
FAN_PWM_OUT
NC(OPEN)
NC
VOUT
[52]NC(OPEN)
HDMI_HOTPLUG
[51]FL_RESET
[32]ONBOARD/EPG_RXD
SYS2
[54]HDMI_5VREG
RFC_A_MUTE
FL_100MM_H
[53]NC(GND)
TEST2[H]
[31]ONBOARD/EPG_TXD
TBUS_RXD
EPG_TRIG
TBUS_CLK
IIC_CLK
NC(OPEN)
IIC_DATA
TBUS_TXD
FAN_LOCK1
HDMI_3VREG
NC(5V)
SYNC_DET
FL_CS[L]
WIDE_H
AV2_PB_L
P_SAVE[L]
DR_P_ON[H]
DI_P_ON[H]
AV4_SIN[L]
TU_P_ON[H]
HDD_PFAIL[L]
VSYNC
FL_TXD
FL_RXD
M1(GND)
SYNCIN
AV
NC(GND)
AVCC(5V)
VDD2(5V)
3R3V_OFF_H
LP3
TEST1
VSS2(GND)
DC_R_CH
AFC
KEYIN1
AV2_PIN8
DC_L_CH
CVIN
KEYIN3
KEYIN2
[79]IO_P_SAVE[H]
[78]CEC_OUT
[80]NC(OPEN)
P50_INT
AV2BLANKING
LP4
AVSS(GND)
[2]NC(OPEN)
[1]NC(OPEN)
[3]REMOCON
DSGND
VDD
or
M
10MHz_OUT
XRESET SD_LED
(STANDBY_LED)
XNMI(5V)
XMPREQ[TBUS]
XINTP _OUT
CEC_INT
XINTM[TBUS]
10MHz_IN
VSS(GND)
VCC1(3.3V)
VSS(GND)
P_SAVE[H]
VCC2(5V)
FILAMENT_ON[L]
AV3_SIN[L]
NC(OPEN)
(EEPROM_W_C)
XTMUTE[L]
CNVSS
FL_CLK
DVD_SEL_LED32.768KHz_IN
PFAIL[L]
SYS_P_FAIL[H]
SD_SEL_LED
[77]NC(OPEN)
[76]P50_CEC
START(GND)
32.768KHz_OUT HDD_SEL_LED
AV
M
M
M
M
M
M
M
M
M
AV
AV
HDD_PFAIL
M
M
M
MDEAV
M
DE
MAV
M
A B C D E G
1
2
3
4
5
6
7
8
9
10
11
12
13
14
15
16
17
19
20
21
F
PSGND
VDD
VOUT
4
2
5
Vref
-
+
1
18
54321
C
B
A
D
TO
TIMER SECTION
(1/4)
NOTE:DO NOT USE THE PART NUMBER SHOWN ON THIS DRAWING FOR ORDERRING.
THE CORRECT PART NUMBER IS SHOWN IN THE PARTS LIST,AND MAY BE
SLIGHTLYDIFFERNT OR AMENDED SINCE THIS DRAWING WAS PREPARED.
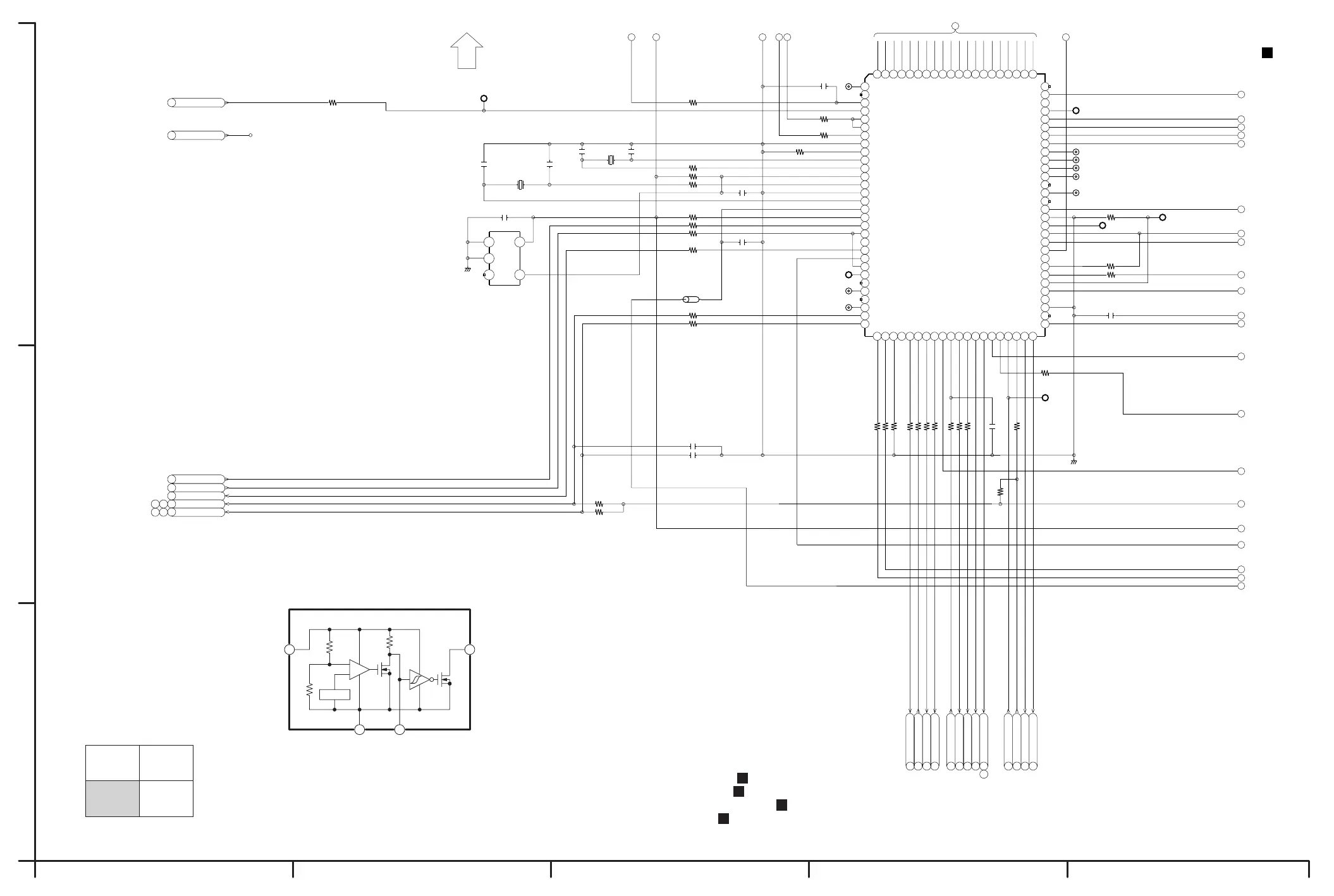
DMR-EH55EC/EP,EH56EG
TIMER(3/4) Section
(Main P.C.B.(4/4))
Schematic Diagram(T)
M:Main Net Section:(Page: )
A
AV:A/V I/O Section:(Page: )
B
DE:Nicam Decoder Section:(Page: )
C
T:Timer Section:(Page: )
D
IC7502
X RESET
IC-DETAIL BLOCK DIAGRAM
LOCATION MAP
1/4 2/4
3/4 4/4

Table of Contents

Related product manuals