EasyManua.ls Logo

Panasonic DMR-EH55EC

Panasonic DMR-EH55EC
173 pages
To Next Page IconTo Next Page
To Next Page IconTo Next Page
To Previous Page IconTo Previous Page
To Previous Page IconTo Previous Page
Loading...
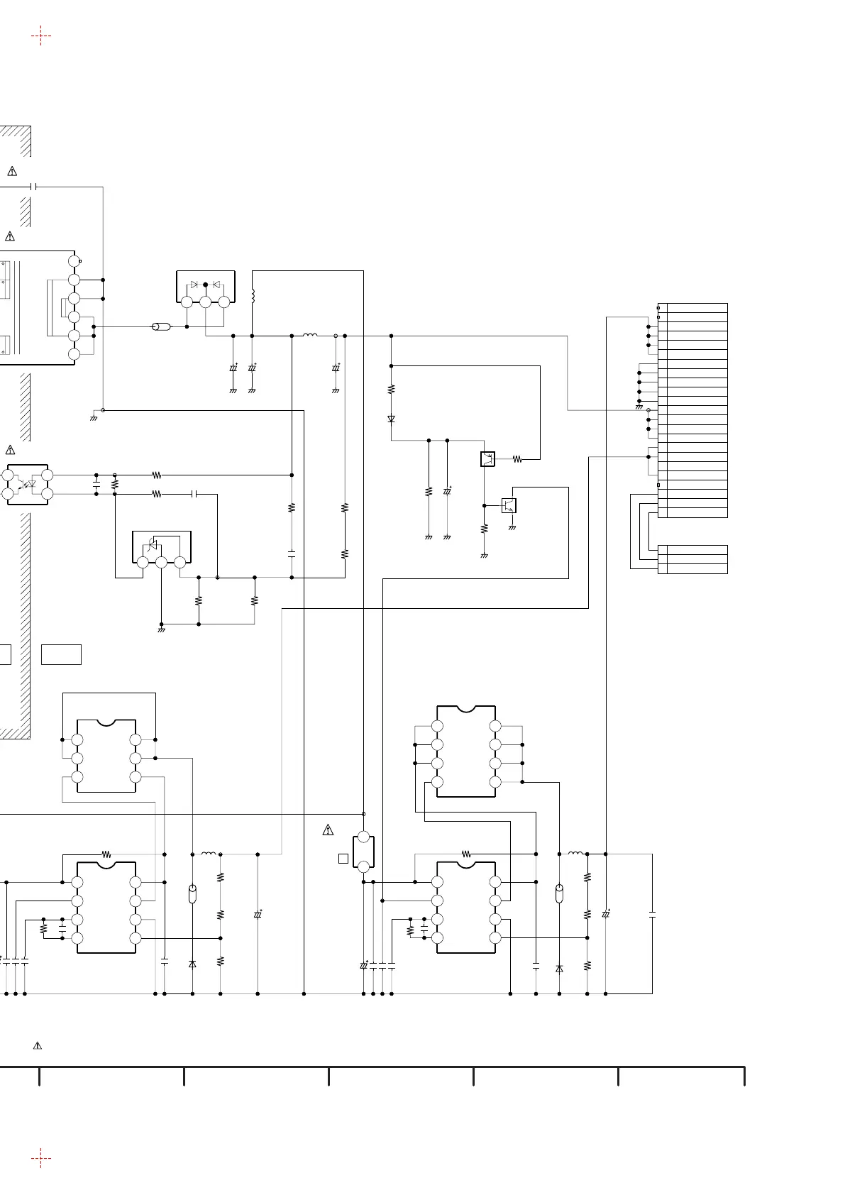
13.2. Power Supply Schematic Diagram
VWJ0795=5
LB1122
VWJ0795=10
K1122
ECKWNA102MEV
C1125
ECKWNA102MEV
C1122
C1123
ECKWNA102MEV
2
34
1
G0B233D00001
L1120
QR1800
UNR211300L
10K[22]
R1803
R1800
470[22]
1
3
2
P1103
K1KA03AA0192
TO FAN MOTOR
MA2J11100L
D1800
R1157
510
[G][22]
R1154
9100
[G][22]
D1152
MAZ4100NMF
12K[D][18]
R1704
R1703
ERJ3GEY0R00V
L1701
G0A220ZA0041
C1707
F2A0J6810007
6V680[JG]
5600[D][18]
R1705
24M[36]
D1BFR0240001
R1701
12
5 6
3
4
B1DHDD000022
Q1700
6 75
24 3
8
1
C0DBAZZ00132
IC1701
0.01[18]
C1706
180P[18]
C1705
C1702 0.1[18]
C1701
25V220[JF]F2A1E2210050
EEUFM1E221B
C1704 0.1[18]
C1703 0.1[18]
R1702
51K[18]
B0JCPD000021
D1701
[18]
LB1700
J0JHC0000048
10K[22]
R1207
C1200
0.1[22]
0.047[22]
C1201
ECJ2VB1E473K
8200[G][22]
R1201
F2A1E4700048C1800
25V47[JF]
R1802
4700[22]
QR1801
UNR221300L
6 75
24 3
8
1
B1DHED000008
Q1600
100K[22]R1801
1200[G][22]
R1200
220K[22]
R1205
C1607
F2A1A6810022
10V680[JG]
C1608 0.1[22]
C1603 0.1[22]
C1604 0.47[22]
180P[22]
C1605
R1602
51K[22]
C1602 0.1[22]
C1601
F2A1E2210050
EEUFM1E221B
25V220[JF]
R1604
8200[D][22]
2700[D][22]
R1605
0.01[22]
C1606
ECJGVB1H103K
B0JCPD000021
D1601
R1603
2000[D][22]
[22]
LB1600
J0JHC0000048
6 75
24 3
8
1
C0DBAZZ00132
IC1601
1
2
K5H3022A0013
IP1601
24M[36]
D1BFR0240001
R1601
L1601
G0A150ZA0041
2400[G][22]
R1206
$[22](0.1)
C1202
4
3
1
2
#B3PBA0000402
Q1200
2200[22]
R1208
1K[22]
R1209
R1210
1K[22]
A R
3 2
C
1
IC1200
#C0DAEMB00003
C0DAEJC00006
330P[22]C1152
MAZ73000BC
D1155
C1154
ECJGVB1H102K
1000P[22]
ERX2SJR22E
R1158
0.22[2W]
3 21
K9ZZ00001279
ZA1105
R1155
7500[G][22]
16K[G][22]
R1156
VWJ0795=5
K1129
3 21
K9ZZ00001279
ZA1107
3 21
K9ZZ00001279
ZA1106
R1152
10K[22]
D1156
MA2C165001VT
F1B3D102A011
1000P[2KV]
C1151
D1157
B0HADV000001
2200P[22]
ECJGVB1H222K
C1153
R1151 6800[22]
L1400
G0A100HA0023
16V1800[JG]
F2A1C1820005
C1270
C1271
F2A1C1820005
16V1800[JG]
C1272
F2A1C8210008
16V820[JG]
6
7
5
9
12
10
11
18
19
16
17
21
20
13
15
14
8
1
3
4
2
23
22
K1KB23A00004
TO P1501
MAIN P.C.B.
(MAIN NET(1/4) SECTION)
P1102
L1270
G0A100H00025
VWJ0795=5
LB1123
C1143
F2B2W4700003
D1141
$[B0AAGR000003]
23 1
1110 12
6 45
87 9
ETS28BF1W6AD
T1150
ECQU2A223MLC
C1121
K1123
VWJ0795=10
43
12
B0EDKT000009
D1140
31 2
B0JBSG000010
D1270
LB1124
VWJ0795=5
472
1 395
C0DACZH00017
IC1150
ERJ6GEY0R00V
LB1126
[22]
F2A1V6800002
C1150
EEUFM1V680B
35V68[JG]
B0HAGM000006
D1151
R1150
18[22]
18[22]
R1153
A
N
P1101
K2AA2H000007
EYF52BCY
ZA1103
#K3GE1ZA00010
EYF52BCY
ZA1104
#K3GE1ZA00010
D4EA7471A007
#ERZVA5V471
VA1110
ECQU2A683MLC
C1120
X_SW12V
X_SW12V
D3R8V
FANOUT
FANOUT
P_ON_H
FANLOCK
FAN_GND
FANLOCK
FAN_GND
X_SW12V
X_SW3R8V
or
P
P_SAVE_L
(UPA1717G-E1-A)
(AL1014)
X_SW3R8V
NC
GND
GND
GND
GND
GND
X_SW5R8V
X_SW5R8V
X_SW5R8V
X_SW5R8VT
X_SW5R8V
X_SW12V
P1
250V T2AL
or
or
F1101
K5D202BK0005
(S1WBA80-7062)
NC
or
SEE THE
SERVICE MANUAL
NC
P2
or
V1
or
ZA1150
VSC5603
ZA1151
XYN3+J8FJ
V2
PU
SG
(AL1014)
DD
or
NC
DD
ZA1270
VSC5614
ZA1271
XYN3+J8FJ
HOT COLD
TIMER
RESTERT
COMPARATOR
OCP THRESHOLD
BURST MODE
COMPARATOR/
OCP THRESHOLD
GND
3
VCC
UVLOUVLO
FB
Z/C
2
1
VIN DRAIN
79
4
5
/OCL
SOURCE
DET./ONDEAD TIMER
ZERO CURRENT
TIMER
ON WIDTH
CIRCUIT
STANDBY
PROTECTOR
OVER HEATING
PROTECTOR/
OVER VOLTAGE
LATCH RELEASE/
/VCC(STOP)
VCC(START)
-
+
CIRCUIT
CONTROL
CIRCUIT
SOFT-DRIVE
BURST)SENS.
IDP(LIMIIT/
/VCC(STARTUP ON)
VCC(STARTUP OFF)
-
+
CIRCUIT
START-UP
IC1150
SWITCHING IC
IC-DETAIL BLOCK DIAGRAM
IC1601,1701
SWITCHING IC
IC-DETAIL BLOCK DIAGRAM
CCVREF/SSV5/PWONVIN
FBGNDEXTCS
COMP
CNT.
-+
SHIFT
LEVEL
UVLOcomp
VREF
0.8V
V5
+
-
RESET
CONTROL LOGIC
+-+-
8765
4321
DMR-EH55EC/EP,EH56EG
Power Supply Schematic Diagram
NOTE:DO NOT USE THE PART NUMBER SHOWN ON THIS DRAWING FOR ORDERRING.
THE CORRECT PART NUMBER IS SHOWN IN THE PARTS LIST,AND MAY BE
SLIGHTLYDIFFERNT OR AMENDED SINCE THIS DRAWING WAS PREPARED.
10987654321
F
E
D
C
B
A
WHEN REPLACING ANY OF THESE COMPONENTS.ONLY THE SAME TYPE.
COMPONENTS IDENTIFIED WITH THE MARK HAVE THE SPECIAL CHARACTERISTICS FOR SAFETY.
IMPORTANT SAFETY NOTICE:
50

Table of Contents

Related product manuals