EasyManua.ls Logo

Panasonic EP3513-U1 - Page 39

Panasonic EP3513-U1
40 pages
Print Icon
To Next Page IconTo Next Page
To Next Page IconTo Next Page
To Previous Page IconTo Previous Page
To Previous Page IconTo Previous Page
Loading...
EP3513
ORDER NO.HPD0509U24C1
- 39 -
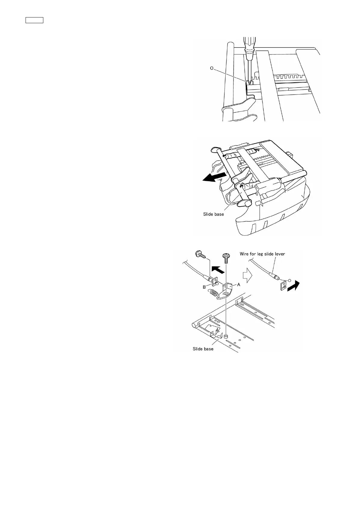
10. Unscrew two screws and remove the O.
11. Pulling the Wire for Leg slide lever, pull out the Slide base.
12. Remove the B from the A and slide the Wire for leg
slide lever as the Figure to remove.

Related product manuals