EasyManua.ls Logo

Panasonic JS-960WP0M51 - Page 74

Panasonic JS-960WP0M51
149 pages
Print Icon
To Next Page IconTo Next Page
To Next Page IconTo Next Page
To Previous Page IconTo Previous Page
To Previous Page IconTo Previous Page
Loading...
−4-33
12V/7A
300KHz
OCP=10A
5V/18A
300KHz
OCP=22A
3.3V/9A
300KHz
OCP=12A
VREF2
VREG5
VREF2
VREG5
VREF2
+V5A_EN
VREG3
PM_SLP_S3
VREG3
+V5A_EN
+V5A_PGOOD
VREG3
+V5A_PGOOD
PM_SLP_S3
VREG3
+V12S+V5A
+V24A
+V12S
+V12S
+V24A
+V24A
+V5A
+V24A
+V5A
+V5A
+V5A
+V5A
+V5A
+V3.3A
+V5A
+V3.3A
+V3.3A
+V3.3A
+V5A
+V3.3A +V3.3M+V24A
+V24A
+V3.3S+V3.3A
+V12S
+V12S
+V5A
+V5A
+V5S
+V3.3A
+V12S_PGOOD 39
PM_SLP_LAN14,36,40
PM_SLP_S314,23,24,27,28,35,36,39,40
C347
0.1UF
C347
0.1UF
0805
C352
2.2UF
0805
C352
2.2UF
C354 NCC354 NC
0402
R495 4.7K 1%
0402
R495 4.7K 1%
0805
R466 2.2
0805
R466 2.2
0402
R492 0
0402
R492 0
+ D4P2.5
EC14
180UF/16V
+ D4P2.5
EC14
180UF/16V
0805
C361
22UF
0805
C361
22UF
0402
R501 232K 1%
0402
R501 232K 1%
1210
C506
10UF
1210
C506
10UF
C339 0.1UFC339 0.1UF
0402
R467
10K
0402
R467
10K
0402
R502
34K 1%
0402
R502
34K 1%
D1
S1
G
S2S3
D2
D3D4
Q30
AP0504GMT
D1
S1
G
S2S3
D2
D3D4
Q30
AP0504GMT
4
1 5
2
3
6
7
8
0805
C359
22UF
0805
C359
22UF
0402
R489 10K
0402
R489 10K
0402
R494 20K 1%
0402
R494 20K 1%
0805
R465 2.2
0805
R465 2.2
Q35
FDMS7692
Q35
FDMS7692
1
2
3
4
5
6
7
8
1210
C505
10UF
1210
C505
10UF
0402
R476 100K
0402
R476 100K
C342
0.1UF
C342
0.1UF
0402
R479 0
0402
R479 0
+ D4P2.5
EC18
560UF/6.3V
+ D4P2.5
EC18
560UF/6.3V
0402
R509
10K 1%
0402
R509
10K 1%
D
S
G
Q37
2N7002
D
S
G
Q37
2N7002
1
2 3
Q41
FDMS7692
Q41
FDMS7692
1
2
3
4
5
6
7
8
1210
C351
2.2UF
1210
C351
2.2UF
0805
C337
10UF
0805
C337
10UF
1210
C517
10UF
1210
C517
10UF
D
S
G
Q39
2N7002
D
S
G
Q39
2N7002
1
2 3
D
S
G
Q40
2N7002
D
S
G
Q40
2N7002
1
2 3
Q33
FDMS7692
Q33
FDMS7692
1
2
3
4
5
6
7
8
0402
R723 0
0402
R723 0
0402
R510
7.5K 1%
0402
R510
7.5K 1%
+ D4P2.5
EC17
560UF/6.3V
+ D4P2.5
EC17
560UF/6.3V
0402
R500
100K
0402
R500
100K
1210
C507
10UF
1210
C507
10UF
+ D4P2.5
EC12
560UF/6.3V
+ D4P2.5
EC12
560UF/6.3V
0402
R480 0
0402
R480 0
0805
R507 2.2
0805
R507 2.2
1210
C345
10UF
1210
C345
10UF
1210
C519
10UF
1210
C519
10UF
1210
C516
10UF
1210
C516
10UF
1210
C520
10UF
1210
C520
10UF
C348 0.1UFC348 0.1UF
0402
R498
100K
0402
R498
100K
0805
R472
2.2
0805
R472
2.2
0402
R477 47K
0402
R477 47K
1210
C333
10UF
1210
C333
10UF
0402
R486
200K
0402
R486
200K
0402
R478 6.98K 1%
0402
R478 6.98K 1%
C341
1000PF
C341
1000PF
1210
C346
10UF
1210
C346
10UF
0402
R493
100K
0402
R493
100K
0402
R488 10K 1%
0402
R488 10K 1%
0402
R499
100K
0402
R499
100K
C356
0.22UF
C356
0.22UF
0402
R506 0
0402
R506 0
Q42
FDMS0312S
Q42
FDMS0312S
1
2
3
4
5
6
7
8
C349 0.1UFC349 0.1UF
1210
C334
10UF
1210
C334
10UF
+ D4P2.5
EC16
100UF/16V
+ D4P2.5
EC16
100UF/16V
0402
R490 10K
0402
R490 10K
D1
S1
G
S2 S3
D2D3D4
Q32
AP0504GMT
D1
S1
G
S2 S3
D2D3D4
Q32
AP0504GMT
4
1 5
2
3
6
7
8
+ D4P2.5
EC8
47UF/35V
+ D4P2.5
EC8
47UF/35V
C370
1000PF
C370
1000PF
0402
R491 0 NC
0402
R491 0 NC
D13
MBR0530T1G
D13
MBR0530T1G
C A
0402
R485 110K 1%
0402
R485 110K 1%
0402
R468
10K
0402
R468
10K
1210
C335
10UF
1210
C335
10UF
U19
TPS51117RGYR
U19
TPS51117RGYR
EN_PSV
1
TON
2
VOUT
3
V5FILT
4
VFB
5
PGOOD
6
GND
7
VBST
14
DRVH
13
LL
12
TRIP
11
V5DRV
10
DRVL
9
PGND
8
GND_PAD
15
D1
S1
G
S2 S3
D2D3D4
Q28
AP0904GMT
D1
S1
G
S2 S3
D2D3D4
Q28
AP0904GMT
4
1 5
2
3
6
7
8
C369
1UF
C369
1UF
C357
0.01UF
C357
0.01UF
0805
R511 0
0805
R511 0
0402
R483
332K 1%
0402
R483
332K 1%
Q36
FDMS7692
Q36
FDMS7692
1
2
3
4
5
6
7
8
+ D4P2.5
EC11
560UF/6.3V
+ D4P2.5
EC11
560UF/6.3V
0402
R481 0
0402
R481 0
0402
R473
7.5K 1%
0402
R473
7.5K 1%
C362
0.1UF
C362
0.1UF
C367
0.1UF
C367
0.1UF
0805
R508
2.2
0805
R508
2.2
0805
R469
2.2
0805
R469
2.2
1210
C336
10UF
1210
C336
10UF
D
S
G
Q34
2N7002
D
S
G
Q34
2N7002
1
2 3
0402
R505
10K
0402
R505
10K
C338 0.1UFC338 0.1UF
D1
S1
G
S2S3
D2
D3D4
Q29
AP0504GMT
D1
S1
G
S2S3
D2
D3D4
Q29
AP0504GMT
4
1 5
2
3
6
7
8
0402
R482 0
0402
R482 0
C355
0.01UF
C355
0.01UF
C350
0.1UF
C350
0.1UF
0805
C344
10UF
0805
C344
10UF
0805
R471 0
0805
R471 0
C353 NCC353 NC
U18
TPS51220ARTVR
U18
TPS51220ARTVR
DRVH1
1
V5SW
2
RF
3
EN1
4
PGOOD1
5
SKIPSEL1
6
CSP1
7
CSN1
8
VFB1
9
COMP1
10
FUNC
11
EN
12
VREF2
13
TRIP
14
COMP2
15
VFB2
16
DRVH2
24
VIN
23
VREG3
22
EN2
21
PGOOD2
20
SKIPSEL2
19
CSP2
18
CSN2
17
SW1
32
VBST1
31
DRVL1
30
VREG5
29
GND
28
DRVL2
27
VBST2
26
SW2
25
GND_PAD
33
C358
0.01UF
C358
0.01UF
0402
R503
47K 1%
0402
R503
47K 1%
0805
C366
10UF
0805
C366
10UF
0805
C343
10UF
0805
C343
10UF
D
S
G
Q38
2N7002
D
S
G
Q38
2N7002
1
2 3
+ D4P2.5
EC13
180UF/16V
+ D4P2.5
EC13
180UF/16V
D1
S1
G
S2S3
D2D3D4
Q27
AP0904GMT
D1
S1
G
S2S3
D2D3D4
Q27
AP0904GMT
4
1 5
2
3
6
7
8
D1
S1
G
S2 S3
D2
D3D4
Q31
AP0504GMT
D1
S1
G
S2 S3
D2
D3D4
Q31
AP0504GMT
4
1 5
2
3
6
7
8
0402
R496
100K
0402
R496
100K
0805
C360
22UF
0805
C360
22UF
0402
R475 12.1K 1%
0402
R475 12.1K 1%
L23 4.7UHL23 4.7UH
+ D4P2.5
EC15
100UF/16V
+ D4P2.5
EC15
100UF/16V
0402
R484 20K 1%
0402
R484 20K 1%
C364 0.1UFC364 0.1UF
0402
R504
330
0402
R504
330
0805
C365
10UF
0805
C365
10UF
ESD65
AZ2025_01H
ESD65
AZ2025_01H
2 1
C363
NC
C363
NC
C368
1UF
C368
1UF
C340
1000PF
C340
1000PF
L22 2UHL22 2UH
0402
R487 4.99K 1%
0402
R487 4.99K 1%
L24 1UHL24 1UH
0402
R474
9.09K 1%
0402
R474
9.09K 1%
0805
R470 0
0805
R470 0
0402
R497
100K
0402
R497
100K
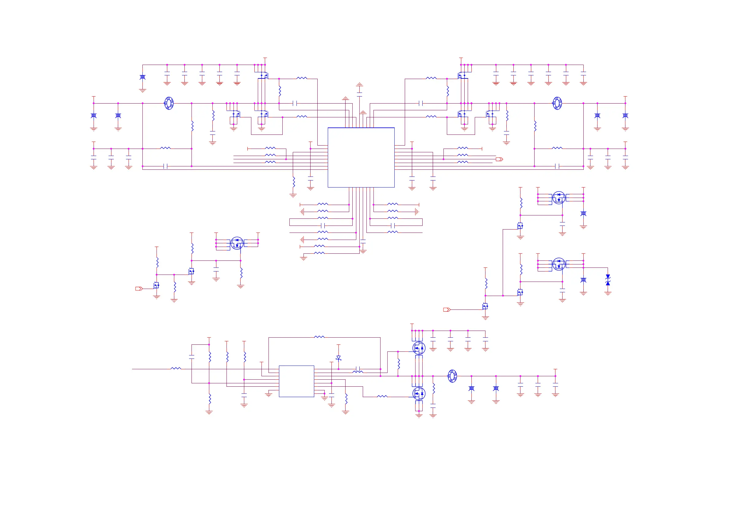
DC-DC (1/5)

Related product manuals