EasyManua.ls Logo

Panasonic KX-T7730CA - Page 12

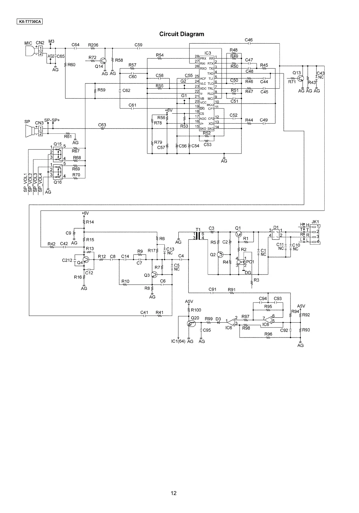
Panasonic KX-T7730CA
34 pages
Print Icon
To Next Page IconTo Next Page
To Next Page IconTo Next Page
To Previous Page IconTo Previous Page
To Previous Page IconTo Previous Page
Loading...
12
KX-T7730CA
All manuals and user guides at all-guides.com

Related product manuals