EasyManua.ls Logo

Panasonic KX-T7730CA - Page 9

Panasonic KX-T7730CA
34 pages
Print Icon
To Next Page IconTo Next Page
To Next Page IconTo Next Page
To Previous Page IconTo Previous Page
To Previous Page IconTo Previous Page
Loading...
9
KX-T7730CA
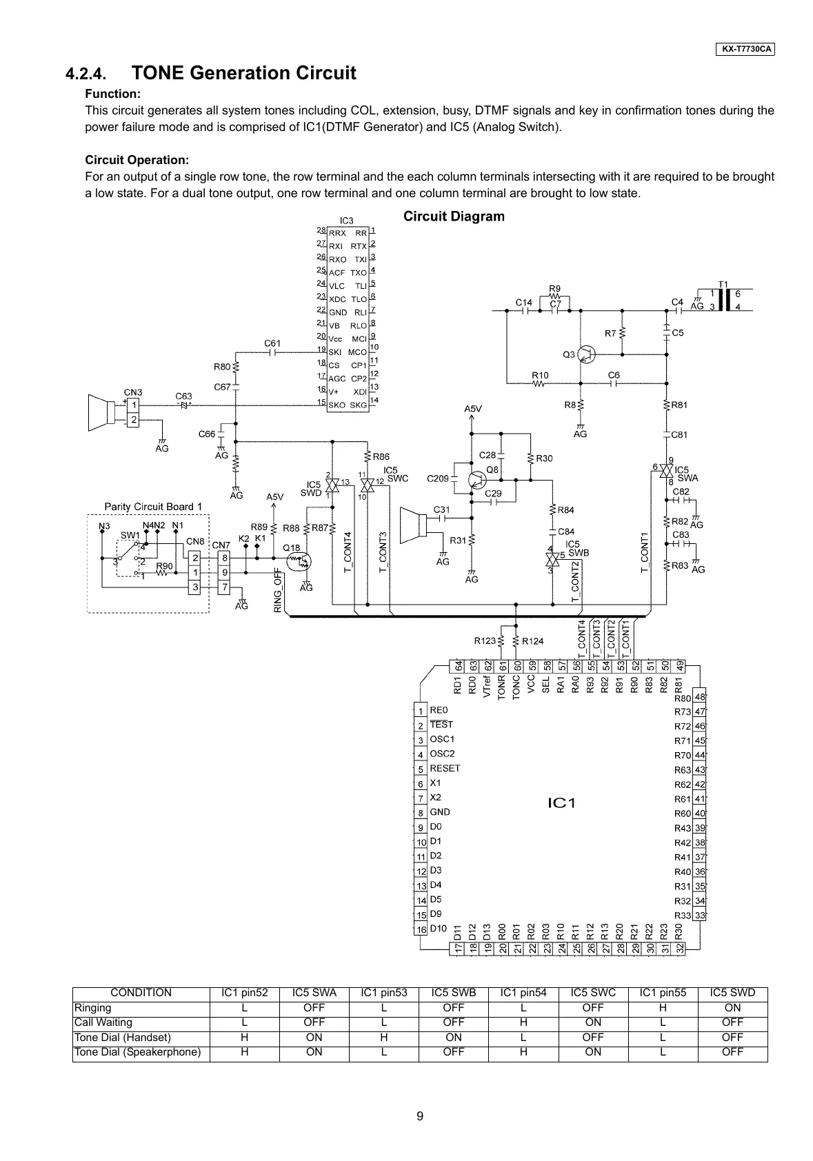
4.2.4. TONE Generation Circuit
Function:
This circuit generates all system tones including COL, extension, busy, DTMF signals and key in confirmation tones during the
power failure mode and is comprised of IC1(DTMF Generator) and IC5 (Analog Switch).
Circuit Operation:
For an output of a single row tone, the row terminal and the each column terminals intersecting with it are required to be brought
a low state. For a dual tone output, one row terminal and one column terminal are brought to low state.
CONDITION IC1 pin52 IC5 SWA IC1 pin53 IC5 SWB IC1 pin54 IC5 SWC IC1 pin55 IC5 SWD
Ringing LOFFLOFFLOFFH ON
Call Waiting L OFF L OFF H ON L OFF
Tone Dial (Handset) H ON H ON L OFF L OFF
Tone Dial (Speakerphone) H ON L OFF H ON L OFF
All manuals and user guides at all-guides.com

Related product manuals