EasyManua.ls Logo

Panasonic KX-T7730CA - Page 10

Panasonic KX-T7730CA
34 pages
Print Icon
To Next Page IconTo Next Page
To Next Page IconTo Next Page
To Previous Page IconTo Previous Page
To Previous Page IconTo Previous Page
Loading...
10
KX-T7730CA
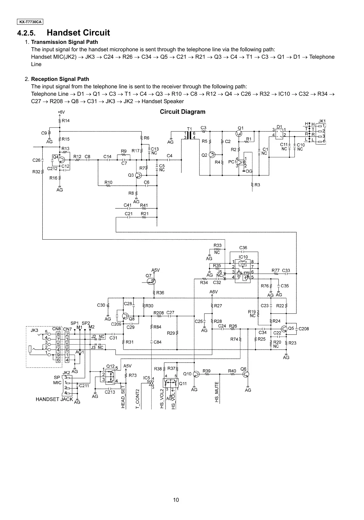
4.2.5. Handset Circuit
1. Transmission Signal Path
The input signal for the handset microphone is sent through the telephone line via the following path:
Handset MIC(JK2) JK3 C24 R26 C34 Q5 C21 R21 Q3 C4 T1 C3 Q1 D1 Telephone
Line
2. Reception Signal Path
The input signal from the telephone line is sent to the receiver through the following path:
Telephone Line D1 Q1 C3 T1 C4 Q3 R10 C8 R12 Q4 C26 R32 IC10 C32 R34
C27 R208 Q8 C31 JK3 JK2 Handset Speaker
All manuals and user guides at all-guides.com

Related product manuals