EasyManua.ls Logo

Panasonic KX-TG2583B

Panasonic KX-TG2583B
115 pages
To Next Page IconTo Next Page
To Next Page IconTo Next Page
To Previous Page IconTo Previous Page
To Previous Page IconTo Previous Page
Loading...
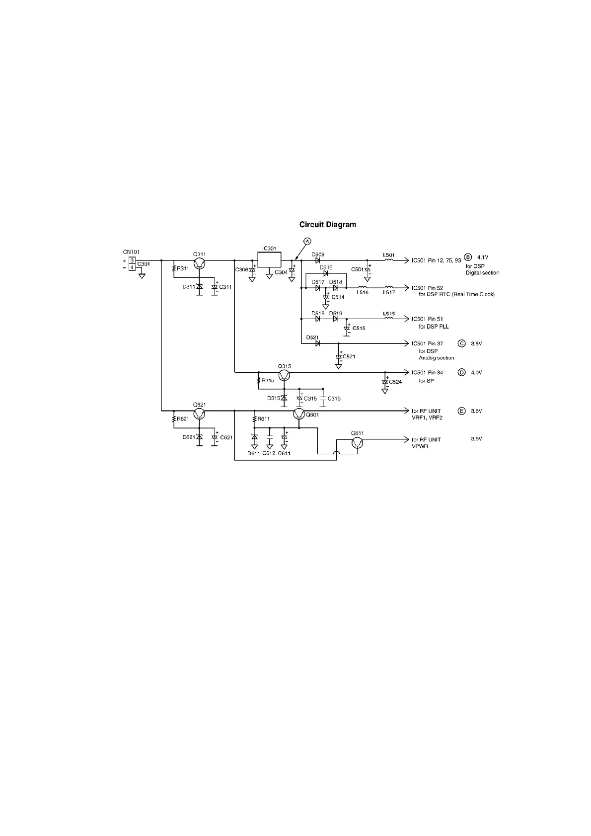
13.4. Power Supply Circuit
Function:
Power from the AC adaptor passes through a regulating consisting of IC301.
Circuit Operation:
IC301 is a regulated power supply. The voltage at point A is regulated to 4.5 V by IC301.
The voltage at point B is dropped by D509 to 4.1 V.
The voltage at point C is dropped by D521 to 3.8 V.
The voltage at point D is dropped by Q315 to 4.0V
The voltage at point E is dropped by Q601 to 3.6V
13.5. DTMF Signal
When the DTMF data from the Handset is received, the DTMF signal is output from pin 36 of
IC501 and sent to the line through Q131.
13.6. Line Sending Signal
The coded signal input from the RF unit is decoded by IC501.
The audio signal output from IC501-36 and is input to telephone line.
62

Other manuals for Panasonic KX-TG2583B

Related product manuals