EasyManua.ls Logo

Panasonic MDDDT3530 - Overall Wiring (E-frame)

Panasonic MDDDT3530
52 pages
Print Icon
To Next Page IconTo Next Page
To Next Page IconTo Next Page
To Previous Page IconTo Previous Page
To Previous Page IconTo Previous Page
Loading...
– B13 –– B12 –
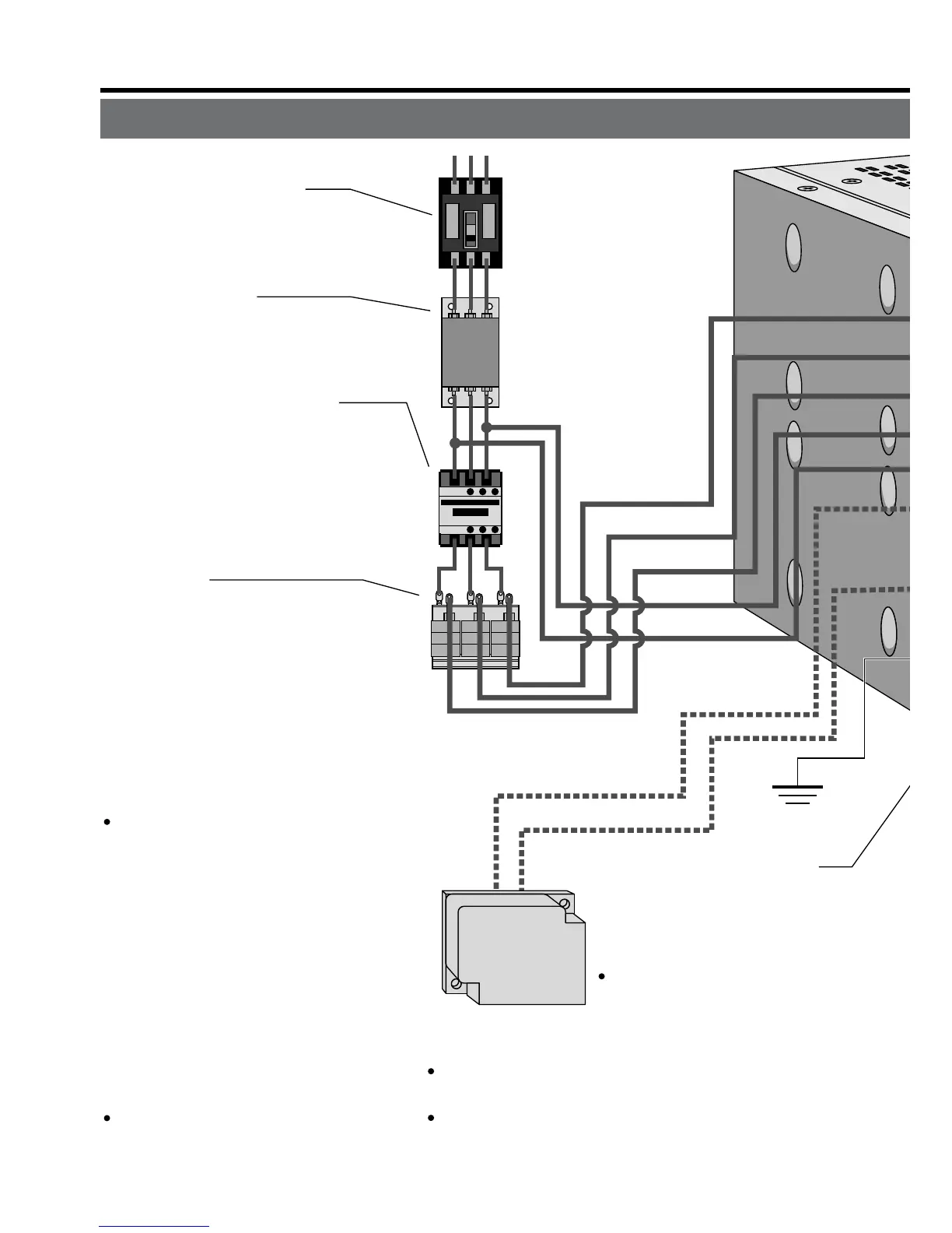
3. System Configuration and Wiring
Overall Wiring (Connecting Example of E-frame)
: High voltage
X3
X4
X5
X7
X6
Ground
(earth)
Wiring to Connector, CN X3/X4 (option)
(Connection to PC or host controller)
• Wiring to Connector, CN X5
(Connection to host controller)
• Connection
with input
power supply
• Connection to external
components
Junction cable
for motor
Junction cable for brake
Short bar
DC Power supply for brake
DC24V
(to be supplied by customer)
P
B2
U-phase
V-phase
W-phase
X1
L1
L2
L3
r
t
P
in P, B1 and B2...
B1 and B2 to be kept shorted for
normal operation.
When the capacity shortage of
the regenerative resister is
found, disconnect a short bar
between B1 and B2, then con-
nect the external regenerative
resister between P and B2.
Install an external regenera-
tive resister on incombustible
material, such as metal. Follow
the same wiring connection as
the above.
When you connect an external
regenerative resister, set up
Parameter No. 6C to 1 or 2.
• Wiring to Connector, CN X6
(Connection to encoder)
Junction cable
for encoder
From a top
• Wiring to Connector, CN X7
(Connection to external scale)
• Connection to motor driving
phase and ground
Regenerative resistor
(optional)
<Remarks>
When you use an external
regenerative resister, install
an external protective apparatus, such as thermal
fuse without fail.
For resistor value and capacity, refer to the
downloaded Instruction Manual from our Web Site.
Thermal fuse and thermostat are built in to the
regenerative resistor (Option). If the thermal fuse
is activated, it will not resume.
C
ircuit Breaker (NFB)
U
se the circuit breaker matching
c
apacity of the power source to
p
rotect the power lines.
N
oise Filter (NF)
P
revents external noise from the pow-
e
r lines. And reduces an effect of the
n
oise generated by the servo driver.
M
agnetic Contactor (MC)
T
urns on/off the main power of the
s
ervo driver.
U
se a surge absorber together
w
ith this.
Never start nor stop the servo mo-
tor with this Magnetic Contactor.
R
eactor (L)
R
educes harmonic current of the
m
ain power.
F
or specifications, refer to the
d
ownloaded Instruction Manual
f
rom our Web Site.
Wiring of the Main Circuit
PC (to be supplied by customer)
Setup support software
"PANATERM
®
"
DV0P4460
Console (option)
DV0P4420

Related product manuals