EasyManua.ls Logo

Panasonic MDDDT3530 - Composition of Peripheral Equipments

Panasonic MDDDT3530
52 pages
Print Icon
To Next Page IconTo Next Page
To Next Page IconTo Next Page
To Previous Page IconTo Previous Page
To Previous Page IconTo Previous Page
Loading...
– B41 –– B40 –
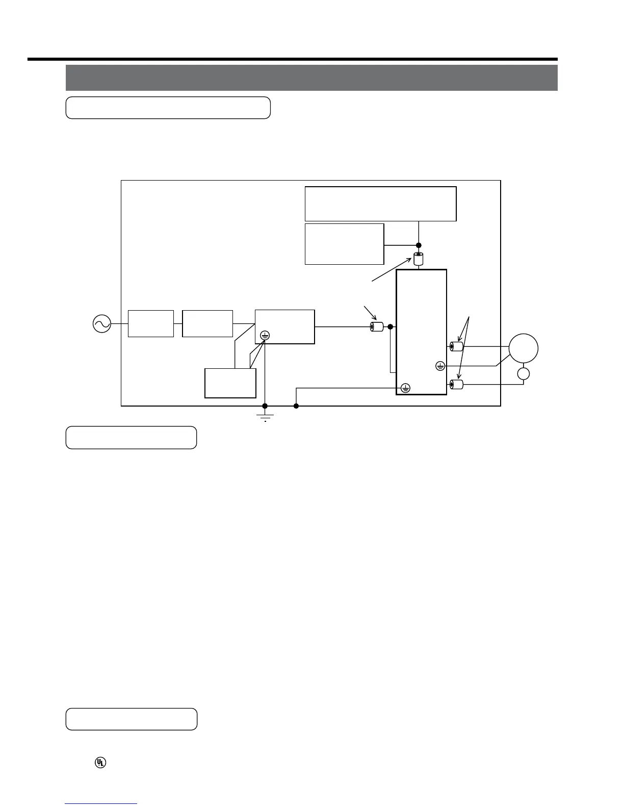
Composition of Peripheral Equipments
Installation Environment
Use the servo driver in the environment of Pollution Degree 1 or 2 prescribed in IEC-
60664-1 (e.g. Install the driver in control panel with IP54 protection structure.)
Control box
Controller
Insulated
power supply
for interface
P
ower
supply
Circuit
breaker
Ground-fault
breaker
(RCD)
Surge
absorber
Noise filter
Noise filter for
signal lines
Protective earth (PE)
L1
U
CN X5
CN X1
CN X2
CN X6
M
RE
V
W
L2
L3
L1C
L2C
Noise filter
for signal
lines
Driver
Mot
or
Power Supply
100V type : Single phase, 100V
+10%
to 115V
+10%
50/60Hz
(A, B and C-frame)
–15% –15%
200V type : Single phase, 200V
+10%
to 240V
+10%
50/60Hz
(B, C-frame)
–15% –15%
200V type : Single/3-phase, 200V
+10%
to 240V
+10%
50/60Hz
(C, D-frame)
–15% –15%
200V type : 3-phase, 200V
+10%
to 230V
+10%
50/60Hz
(E, F-frame)
–15% –15%
(1) This product is designed to be used at over-voltage category (Installation category) II
of EN 50178:1997. If you want to use this product un over-voltage category (Installa-
tion category) III, install a surge absorber which complies with EN61634-11:2002 or
other relevant standards at the power input portion.
(2) Use an insulated power supply of DC12 to 24V which has CE marking or complies
with EN60950
Circuit Breaker
Install a circuit breaker which complies with IEC Standards and UL recognizes (Listed
and marked) between power supply and noise filter.
7.
Conformity to EC Directives and UL Standards
EC Directives
The EC Directives apply to all such electronic products as those having specific func-
tions and have been exported to EU and directly sold to general consumers. Those
products are required to conform to the EU unified standards and to furnish the CE
marking on the products.
However, our AC servos meet the relevant EC Directives for Low Voltage Equipment so
that the machine or equipment comprising our AC servos can meet EC Directives.
EMC Directives
MINAS Servo System conforms to relevant standard under EMC Directives setting up
certain model (condition) with certain locating distance and wiring of the servo motor
and the driver. And actual working condition often differs from this model condition espe-
cially in wiring and grounding. Therefore, in order for the machine to conform to the EMC
Directives, especially for noise emission and noise terminal voltage, it is necessary to
examine the machine incorporating our servos.
Conformed Standards
IEC : International Electrotechnical commission
E N : Europaischen Normen
EMC : Electromagnetic Compatibility
UL : Underwriters Laboratories
CSA : Canadian Standards Association
<Precautions in using options>
Use options correctly after reading operation manuals of the options to better under-
stand the precautions.
Take care not to apply excessive stress to each optional part.
Conforms to
Low-Voltage
Directives
Standards
referenced by
EMC Directive
s
Subject
Motor
Motor/
Motor
and
driver
Conformed Standard
IEC60034-1 IEC60034-5 UL1004 CSA22.2 No.100
EN50178 UL508C
EN55011
EN61000-6-2
IEC61000-4-2
IEC61000-4-3
IEC61000-4-4
IEC61000-4-5
IEC61000-4-6
IEC61000-4-11
Radio Disturbance Characteristics of Industrial, Scien-
tific and Medical (ISM) Radio-Frequency Equipment
Immunity for Industrial Environments
Electrostatic Discharge Immunity Test
Radio Frequency Electromagnetic Field Immunity Test
Electric High-Speed Transition Phenomenon/Burst Immunity Test
Lightening Surge Immunity Test
High Frequency Conduction Immunity Test
Instantaneous Outage Immunity Test

Related product manuals