EasyManua.ls Logo

Panasonic MDDLN55BL - Size D, E 400 V

Panasonic MDDLN55BL
111 pages
Print Icon
To Next Page IconTo Next Page
To Next Page IconTo Next Page
To Previous Page IconTo Previous Page
To Previous Page IconTo Previous Page
Loading...
No. SX-DSV03335 - 59-
R2.0 Industrial Device Solution Business Unit, Panasonic Corporation
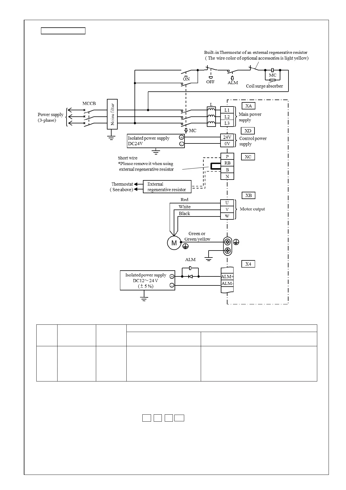
Size D, E 400 V
Connection of a regenerative resistor
Size
Short wire
(accessory)
Built-in
regenerative
resistor
Connection of connector XC
In case of using the external
regenerative resistor
In case of using the external
regenerative resistor
D
E
Installed
Installed
Between RB and B:
Disconnect the short cable
Between P and B:
Connect the external
regenerative resistor
Between RB and B:
Connect the shorting cable
* The circuit connected to terminal X1 X7 are secondary circuits. (See [5. Appearance and name of each part ])
Insulation is needed against the primary side power supply (power supply of the motor brake).
Please do not connect them with the same power supply.
* For details, refer to 7-1 Power connector XA, XB, XC, XD, and terminal block.

Table of Contents

Related product manuals