EasyManua.ls Logo

Panasonic MFDDTA390 - Single Phase 200 V Wiring Diagrams

Panasonic MFDDTA390
52 pages
Print Icon
To Next Page IconTo Next Page
To Next Page IconTo Next Page
To Previous Page IconTo Previous Page
To Previous Page IconTo Previous Page
Loading...
– B21 –– B20 –
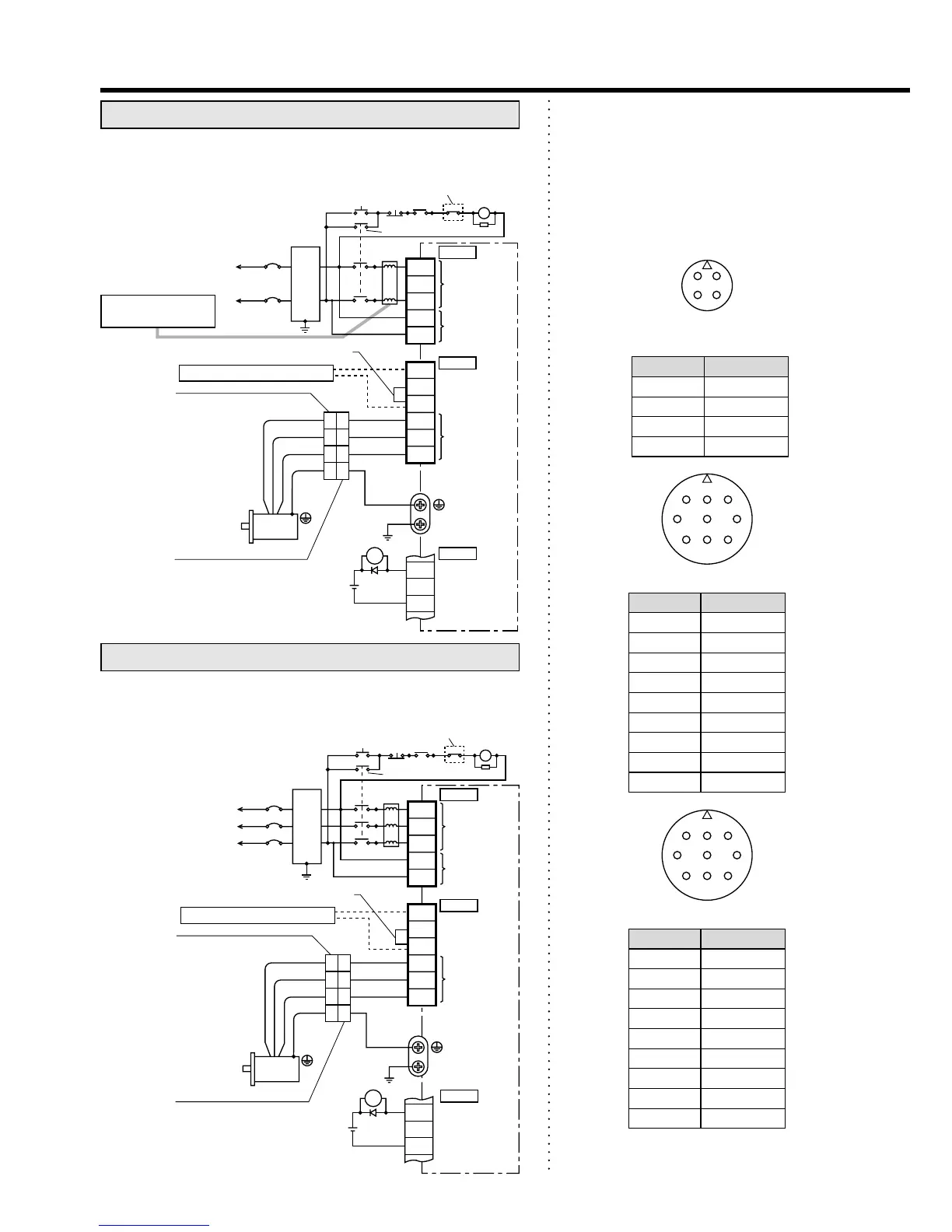
3. System Configuration and Wiring
PIN No. Application
PIN No. Application
External regenerative resistor
<
Remarks>
W
hen you use single
p
hase, connect the main
p
ower between L1 and
L
3 terminals.
Motor
L2
L3
L1C
L2C
RB1
MC
NFB
RB3
RB2
U
V
W
L1
1
2
3
4
1
2
3
4
(Remove the short wire when you connect
the external regenerative resistor.)
172167-1
Tyco Electronics AMP
172159-1
Tyco Electronics AMP
L
<
Remarks>
W
hen you use single
p
hase, connect the main
p
ower between L1 and L3
t
erminals.
Motor
L2
L3
L1C
L2C
RB1
MC
NFB
RB3
RB2
U
V
W
L1
1
2
3
4
1
2
3
4
(Remove the short wire when you connect
the external regenerative resistor.)
*
172167-1
Tyco Electronics AMP
172159-1
Tyco Electronics AMP
L
A
B
D
C
AHG
CDE
BIF
CBA
IHG
FED
A
JL04V-2E20-4PE-B-R
JL04HV-2E22-22PE-B-R
JL04V-2E20-18PE-B-R
JL04V-2E24-11PE-B-R
U-phase
V-phase
W-phase
Ground
PIN No.
B
C
D
Application
G
H
A
F
I
B
E
D
C
Brake
Brake
NC
U-phase
V-phase
W-phase
Ground
Ground
NC
A Brake
Brake
NC
U-phase
V-phase
W-phase
Ground
Ground
NC
B
C
D
E
F
G
H
I
<Remark>
Do not connect anything to NC.
* When you use motor model of
MSMA, MDMA, MFMA, MHMA
and MGMA, use the connections
as the below table shows.
[Motor portion]
Connector : by Japan Aviation Electronics In
d.
In Case of Single Phase, 200V (C and D-frame)
In Case of 3-Phase, 200V (C and D-frame)
CN X2
CN X1
ALM
37
ALM+
ALM–
36
DC12 to 24V
(±5%)
CN X5
CN X2
CN X1
CN X5
ALM
37
ALM+
ALM–
36
DC12 to 24V
(±5%)
MC
ALMON OFF
MC
ALMON OFF
Use a reactor for
3-phase
Noise
filter
Noise
filter
Main power
supply
Control power
supply
Motor
connection
Main power
supply
Control power
supply
Motor
connection
Power supply Single phase, 200V to 240V
+10%
–15%
+10%
–15%
Power supply 3-phase, 200V to 240V
+10%
–15%
+10%
–15%
Red
White
Black
Green
External regenerative resistor
Red
White
Black
Green
*
Surge absorber
Built-in thermostat of an external
regenerative resistor (light yellow)
MC
Surge absorber
Built-in thermostat of an external
regenerative resistor (light yellow)
MC
Red
White
Black
Green
PIN No. Application
PIN No. Application
[Motor portion]
Connector : by Japan Aviation Electronics Ind
.
In Case of 3-Phase, 200V (E and F-frame)
A
B
D
C
AHG
CDE
BIF
CBA
IHG
FED
A
JL04V-2E20-4PE-B-R
JL04HV-2E22-22PE-B-R
JL04V-2E20-18PE-B-R
JL04V-2E24-11PE-B-R
U-phase
V-phase
W-phase
Ground
PIN No.
B
C
D
Application
G
H
A
F
I
B
E
D
C
Brake
Brake
NC
U-phase
V-phase
W-phase
Ground
Ground
NC
A Brake
Brake
NC
U-phase
V-phase
W-phase
Ground
Ground
NC
B
C
D
E
F
G
H
I
Motor
ALM
37
ALM+
L2
L3
r
t
P
MC
MC
NFB
ALM
ON
OFF
B1
B2
U
V
W
L1
ALM–
DC12 to 24V
(±5%)
(Remove the short bar when you connect
the external regenerative resistor.)
36
L
<Remark>
Do not connect anything to NC.
Power supply 3-phase, 200V to 230V
+10%
–15%
+10%
–15%
Noise
filter
Main power
supply
Control power
supply
Motor
connection
External regenerative resistor
Surge absorber
Built-in thermostat of an external
regenerative resistor (light yellow)
MC

Related product manuals