EasyManua.ls Logo

Panasonic MSDA043A1A - Page 103

Panasonic MSDA043A1A
183 pages
Print Icon
To Next Page IconTo Next Page
To Next Page IconTo Next Page
To Previous Page IconTo Previous Page
To Previous Page IconTo Previous Page
Loading...
22













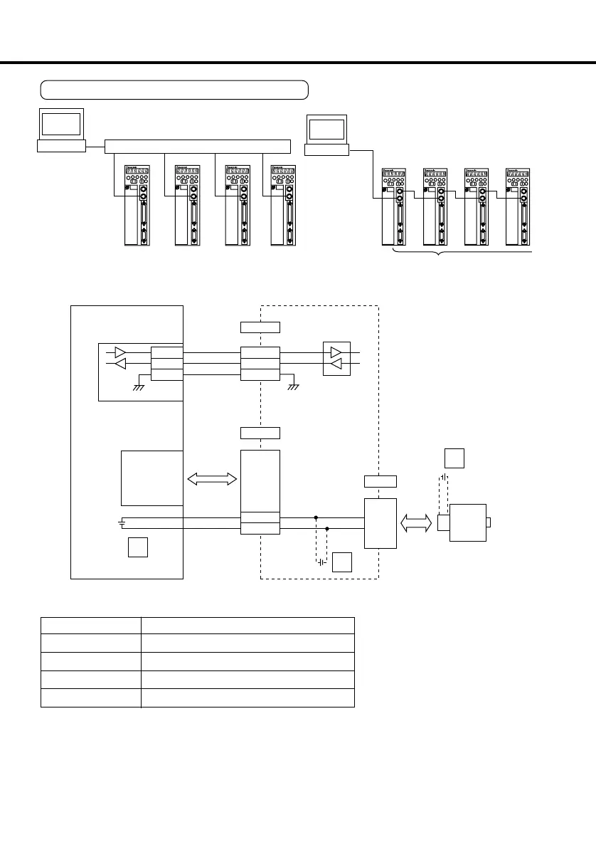
ID MODE
IM
SER
IN
SER
OUT
I/F
SIG
U
V
W
SP G
SET
RS232C










TXD

ID MODE
IM
SER
IN
SER
OUT
I/F
SIG
U
V
W
SP G
SET
RSW(ID)=0 RSW(ID)=1 RSW(ID)=2 RSW(ID)=3
RS485
ID MODE
IM
SER
IN
SER
OUT
I/F
SIG
U
V
W
SP G
SET
RS485
ID MODE
IM
SER
IN
SER
OUT
I/F
SIG
U
V
W
SP G
SET
RS485


ID MODE
IM
SER
IN
SER
OUT
I/F
SIG
U
V
W
SP G
SET
ID MODE
IM
SER
IN
SER
OUT
I/F
SIG
U
V
W
SP G
SET
ID MODE
IM
SER
IN
SER
OUT
I/F
SIG
U
V
W
SP G
SET
ID MODE
IM
SER
IN
SER
OUT
I/F
SIG
U
V
W
SP G
SET
RXD
GND
5
3
4
44
45
5
3
6

BATT+
BATT
-
2
1
 

RXD
TXD
GND
CN SER
CN I/F
CN SIG
Artisan Technology Group - Quality Instrumentation ... Guaranteed | (888) 88-SOURCE | www.artisantg.com

Related product manuals