EasyManua.ls Logo

Panasonic NN-SD297S - Digital Programmer Circuit Diagrams

Panasonic NN-SD297S
31 pages
Print Icon
To Next Page IconTo Next Page
To Next Page IconTo Next Page
To Previous Page IconTo Previous Page
To Previous Page IconTo Previous Page
Loading...
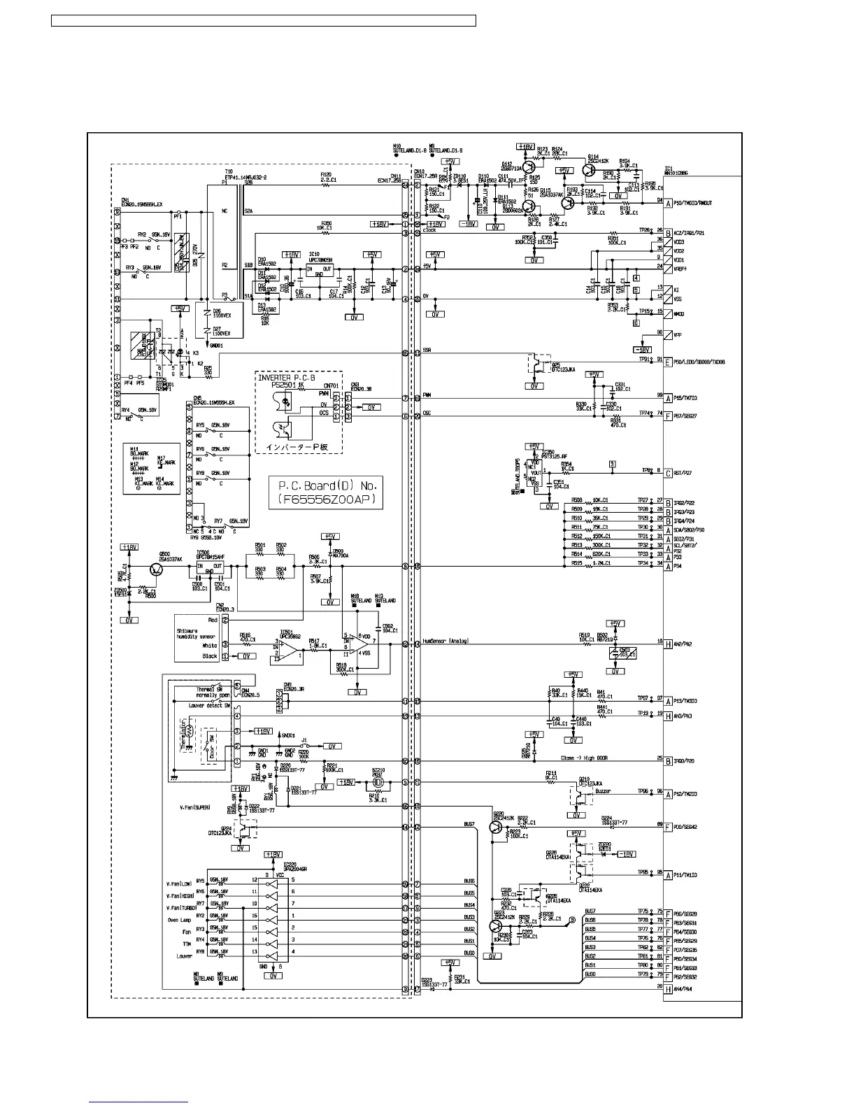
7 DIGITAL PROGRAMMER CIRCUIT
7.1. NN-SD297S APH/CPH
22
NN-SD297S / NN-SD277S / NN-SD277B / NN-SD277W / NN-SA247S / NN-P295WFX / NN-S255WFX / NN-S245WFX

Related product manuals