EasyManua.ls Logo

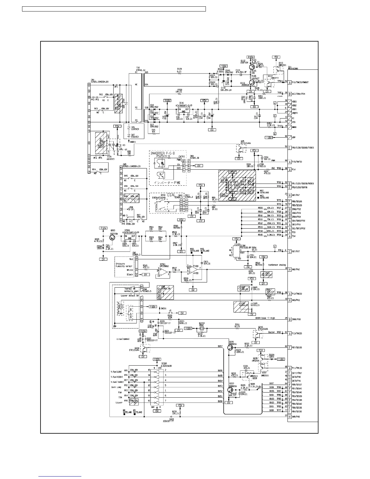
Panasonic NN-SD297S - Digital Programmer Circuit (NN-SD277;S255 WFX)

Panasonic NN-SD297S
31 pages
Print Icon
To Next Page IconTo Next Page
To Next Page IconTo Next Page
To Previous Page IconTo Previous Page
To Previous Page IconTo Previous Page
Loading...
7.3. NN-SD277 APH/CPH, NN-S255WFX CPH
26
NN-SD297S / NN-SD277S / NN-SD277B / NN-SD277W / NN-SA247S / NN-P295WFX / NN-S255WFX / NN-S245WFX

Related product manuals