EasyManua.ls Logo

Panasonic NN-SD297S - Digital Programmer Circuit (NN-SA247 S;S245 WFX)

Panasonic NN-SD297S
31 pages
Print Icon
To Next Page IconTo Next Page
To Next Page IconTo Next Page
To Previous Page IconTo Previous Page
To Previous Page IconTo Previous Page
Loading...
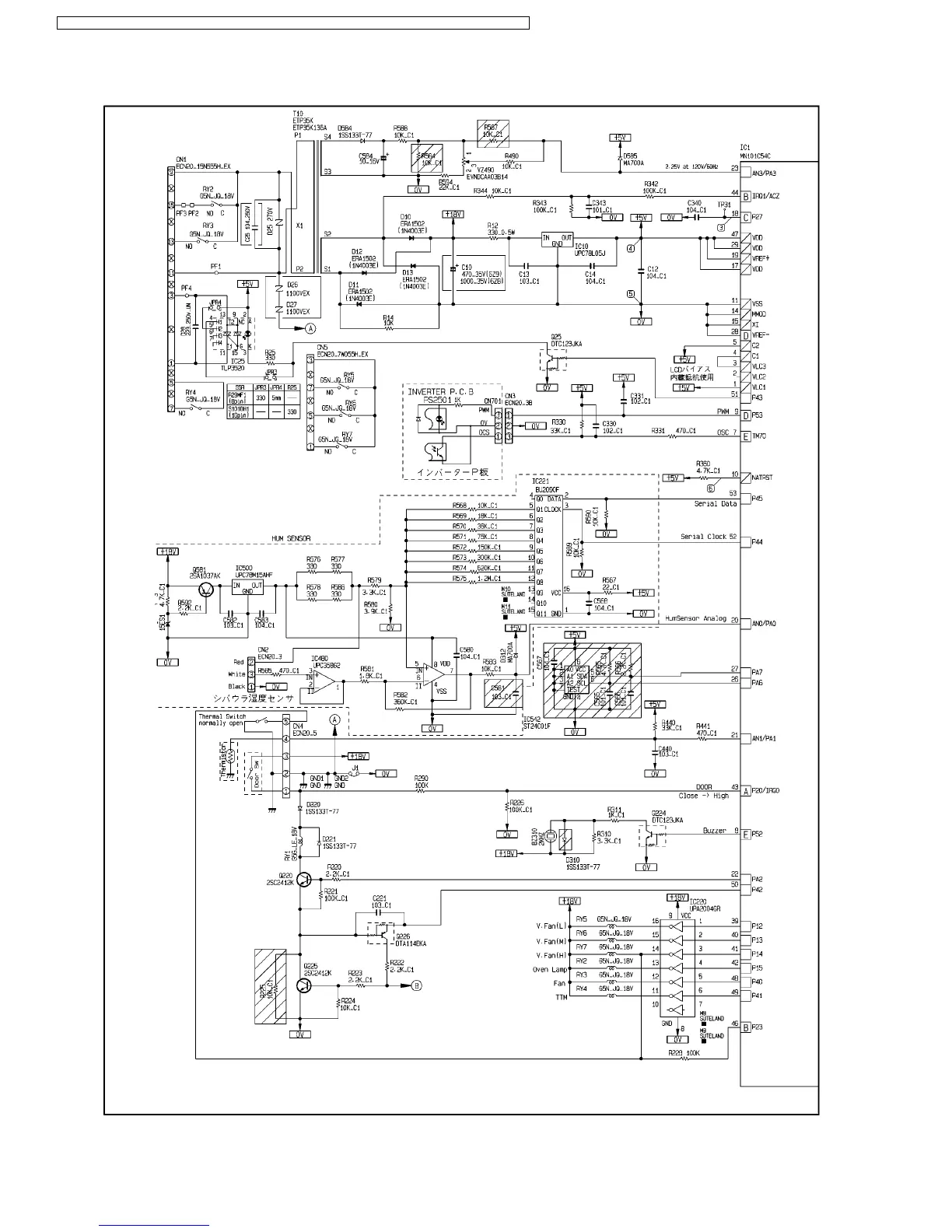
7.4. NN-SA247S CPH, S245WFX CPH
28
NN-SD297S / NN-SD277S / NN-SD277B / NN-SD277W / NN-SA247S / NN-P295WFX / NN-S255WFX / NN-S245WFX

Related product manuals