EasyManua.ls Logo

Panasonic NV-DS37B - Page 44

Panasonic NV-DS37B
103 pages
Print Icon
To Next Page IconTo Next Page
To Next Page IconTo Next Page
To Previous Page IconTo Previous Page
To Previous Page IconTo Previous Page
Loading...
A
B
C
123 4
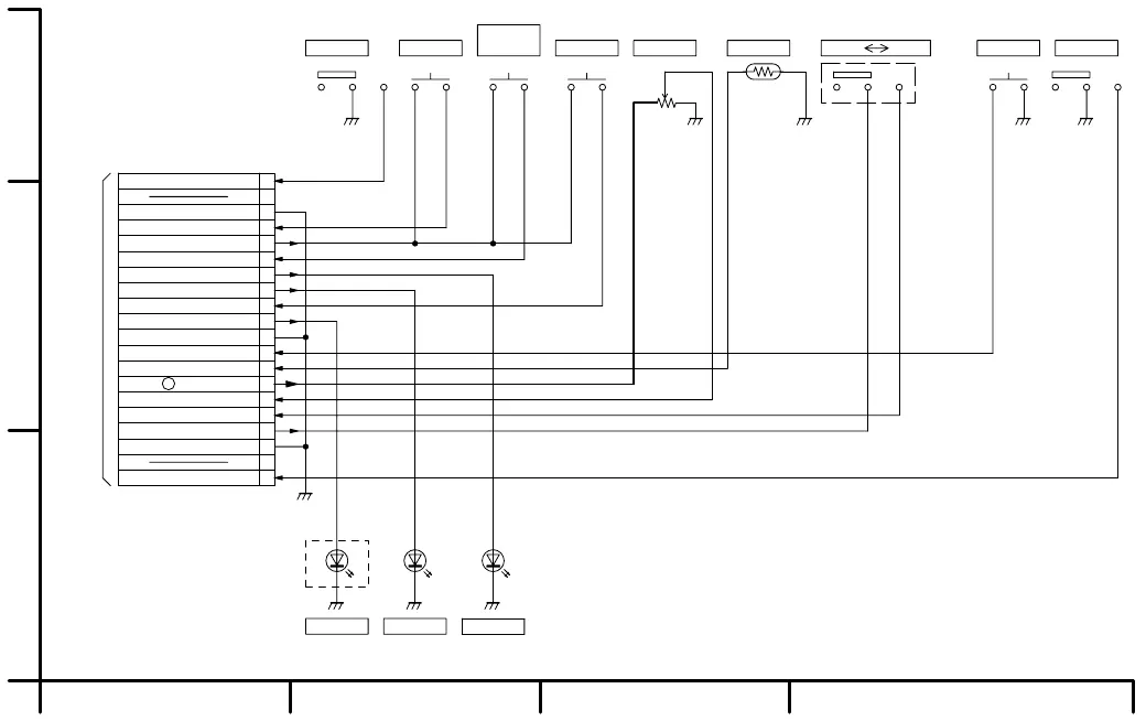
TO
MAIN CONNECTION
1
2
3
4
5
6
7
8
9
10
11
12
13
14
15
16
17
18
POWER SW S/S
TO
FP6301
POWER SW
D GND
S/S
SCAN1
PHOTO SHOT
CAM LED
VTR LED
CAM/VTR
DSC LED
D GND
RESET
DEW
VREF
ZOOM AD
TAPE/CARD
SCAN1
D GND
EJECT SW
19
20
PHOTO
SHOT
VCR MODE
CARD LED
ZOOM DEW TAPE RESET EJECT SW
VTR LED CAM LED
(NV-DS37,NV-DS38 ONLY)
CARD
(NV-DS37,
NV-DS38
ONLY)
NV-DS27,NV-DS28,NV-DS37,NV-DS38 SIDE CASE L UNIT SCHEMATIC DIAGRAM
H
www.freeservicemanuals.info
23/7/2013
World of free manuals

Related product manuals