EasyManua.ls Logo

Panasonic PT-DW10000U

Panasonic PT-DW10000U
202 pages
To Next Page IconTo Next Page
To Next Page IconTo Next Page
To Previous Page IconTo Previous Page
To Previous Page IconTo Previous Page
Loading...
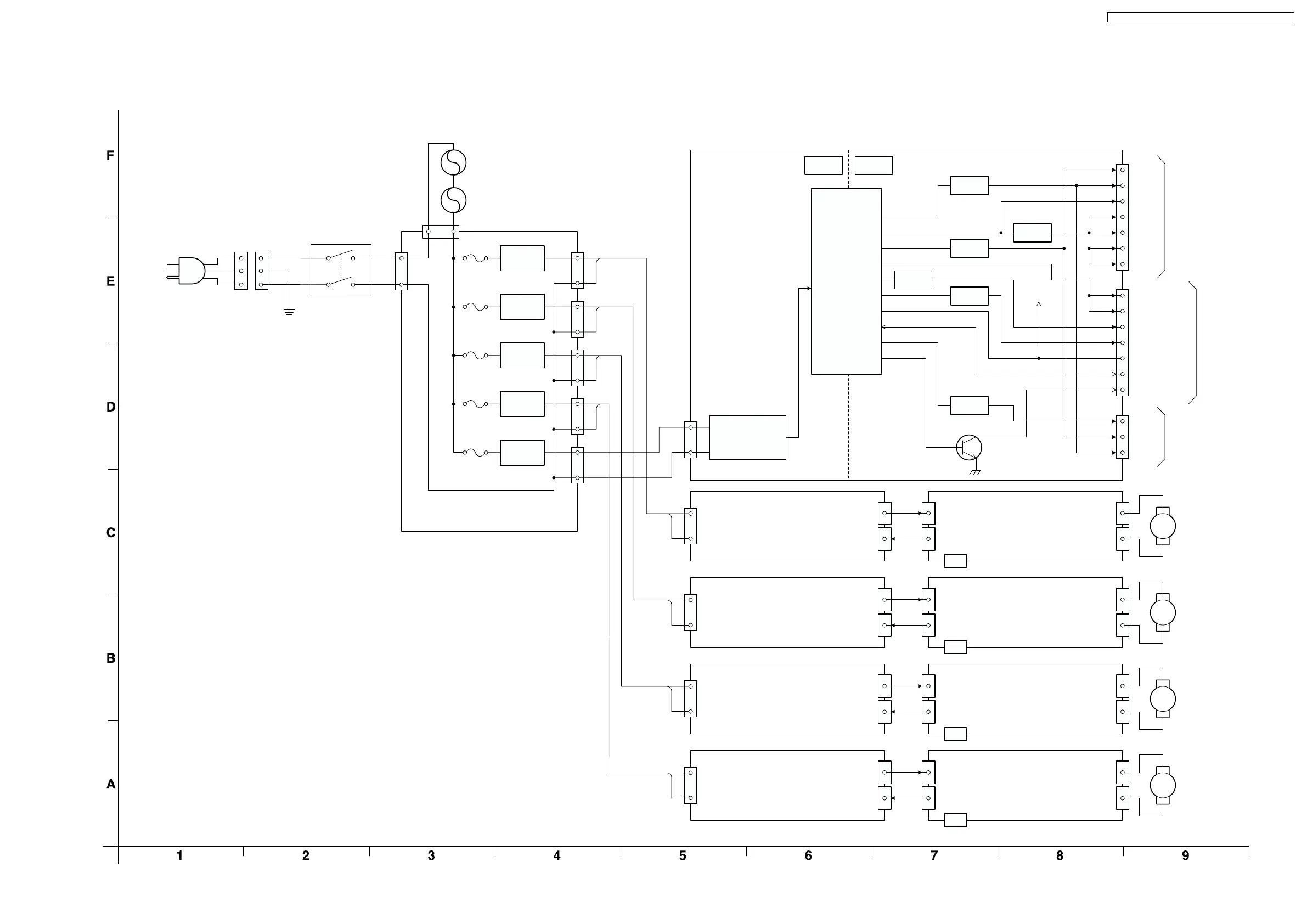
15 Block Diagram
15.1. Power Supply (1/2)
Power Supply (1/2)
POWER
FACTOR
CORRECTION
Lamp (1)
3.3V
5V
DC/DC
CONVERTOR
14V
3.3V
STB5V
8V
12V
MAIN/STBY
UNDER_
AC90V
2.5V
AC OFF
DETECT
5V
STB15V
15V
15V
15V
15V
PC1
K7
K6
K5
K4
K3
K1
K2
Bimetal
Bimetal
B5
B6
B1
B2
Q3
PF2
PF3
PF1
G-P.C.Board
G7
STB5V
STB5V
8V
12V
MAIN/STBY
UNDER_AC90V
PWRGOOD
A-P.C.Board
A2
2.5V
PC3
PC4
PC5
3.3V
5V
A-P.C.Board
A1
A-P.C.Board : A37
For switches
SW
SW
SW
SW
SW
B/Q-Module
*See Power Supply (2/2)
for the circuit.
PF-Module
*See Power Supply (2/2)
for the circuit.
Lamp (2)
B5
B6
B1
B2
Q3
PF2
PF3
PF1
A-P.C.Board : A39
B/Q-Module
*See Power Supply (2/2)
for the circuit.
PF-Module
*See Power Supply (2/2)
for the circuit.
Lamp (3)
B5
B6
B1
B2
Q3
PF2
PF3
PF1
G-P.C.Board : G5
B/Q-Module
*See Power Supply (2/2)
for the circuit.
PF-Module
*See Power Supply (2/2)
for the circuit.
Lamp (4)
B5
B6
B1
B2
Q3
PF2
PF3
PF1
G-P.C.Board : G6
B/Q-Module
*See Power Supply (2/2)
for the circuit.
PF-Module
*See Power Supply (2/2)
for the circuit.
K-Module
PC-Module
SW
HOT COLD
F051
F041
F031
F021
F011
MAIN POWER
AC IN
Ground
Lug
Power
Cord
LINE
FILTER
LINE
FILTER
LINE
FILTER
LINE
FILTER
LINE
FILTER
PT-D10000U / PT-D10000E / PT-DW10000U / PT-DW10000E
75

Other manuals for Panasonic PT-DW10000U

Related product manuals