EasyManua.ls Logo

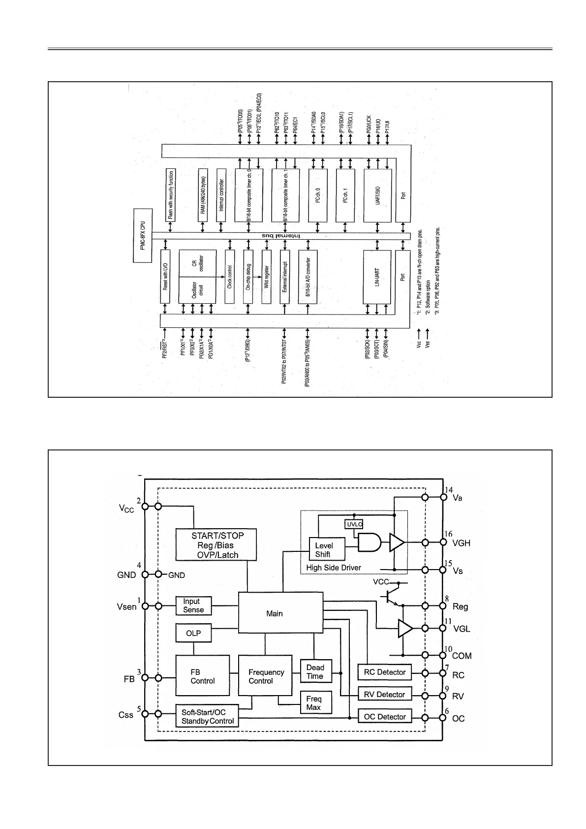
Panasonic PT-EW630U - MB95 F353 EPFT <Sub CPU, IC9885>; SSC9512 S <Power Switching, IC604>

Panasonic PT-EW630U
176 pages
To Next Page IconTo Next Page
To Next Page IconTo Next Page
To Previous Page IconTo Previous Page
To Previous Page IconTo Previous Page
Loading...
-117-
IC Block Diagrams
MB95F353EPFT <Sub CPU, IC9885>
SSC9512S <Power switching, IC604>

Table of Contents

Other manuals for Panasonic PT-EW630U

Related product manuals