EasyManua.ls Logo

Panasonic SA-AK220E - Page 52

Panasonic SA-AK220E
104 pages
Print Icon
To Next Page IconTo Next Page
To Next Page IconTo Next Page
To Previous Page IconTo Previous Page
To Previous Page IconTo Previous Page
Loading...
(CN310) ON
TIC
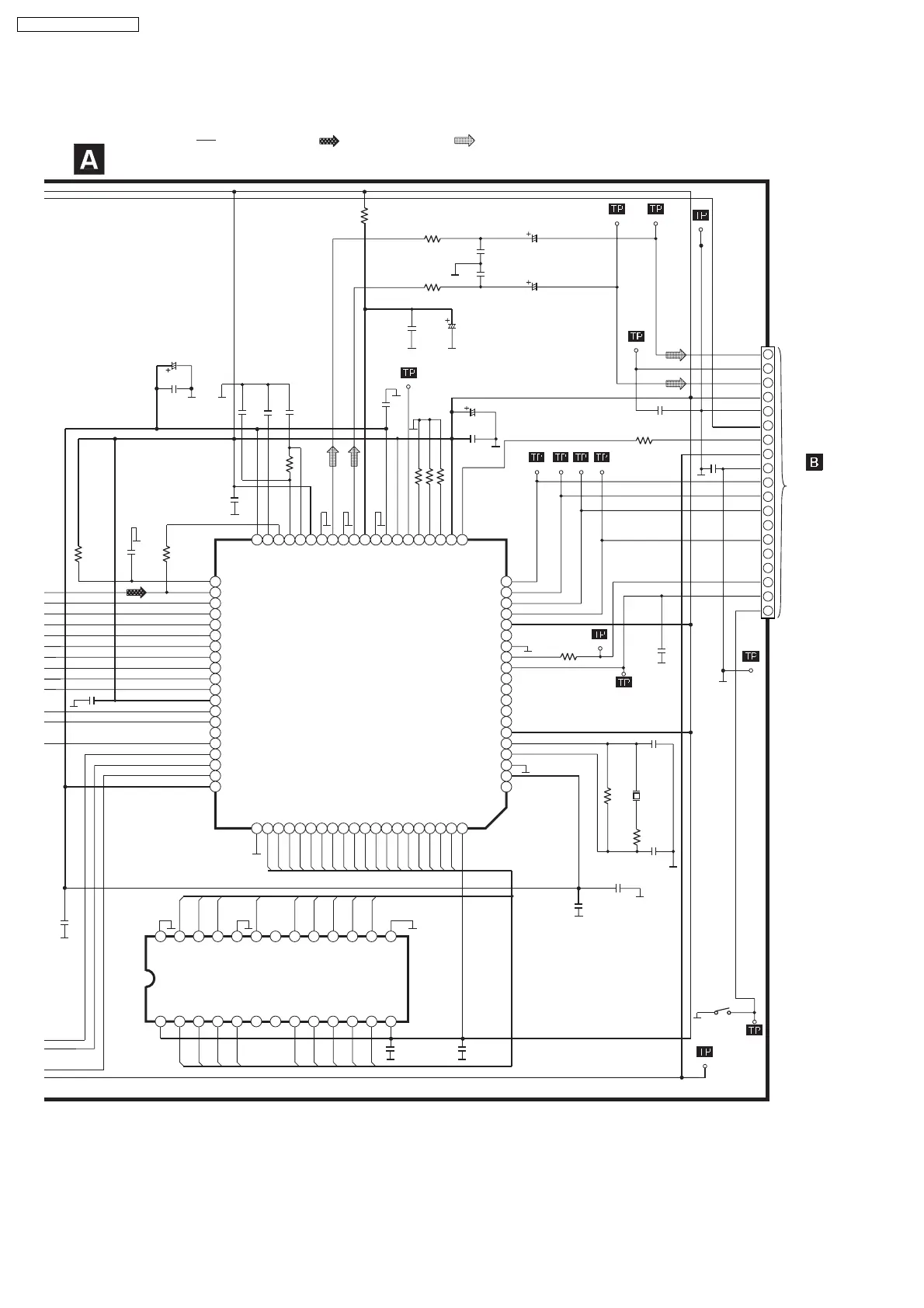
DIAGRAM-5
: CD-DA SIGNAL LINE
CN702
15
REST SW
1
/RST
BLKCK
MLD
MDATA
MCLK
P.GND
+7.5V
LD SW
D.GND
+3.3V
RCH OUT
A.GND
S701
REST SW
C743
0.1
IC702
MN6627934CH
SERVO PROCESSOR
DIGITAL SIGNAL PROCESSOR/
DIGITAL FILTER/
D/A CONVERTER
TO
MAIN
SCHEMA
C729 0.1
R711
82K
C717
0.1
C744
0.015
R709
100K
R712
820
C718
0.082
C741
1000P
C755
0.1
C758
0.1
C757
6.3V100
C740 0.1
R717
1K
LCH OUT
C727
50V1
24
C753
470P
R718
1K
C728
50V1
22
C725
1000P
C726
1000P
R721
100
C731
6.3V220
C730
0.1
25
C724
0.1
C723
6.3V220
R760
100
R753
10
C722
12P
C721
12P
X701
RSXB16M9J02T
R714
220
R720
1M
C780
0.1
C782
0.1
C746
0.1
C781
0.1
SCHEMATIC DIAGRAM - 2
CD SERVO CIRCUIT
: +B SIGNAL LINE : CD SIGNAL LINE
12
11
10
2
4
6
8
9
7
5
3
1
13
14
15
16
17
18
19
A3
A2
A1
A0
A9
A4
A5
A6
A7
A8
CAS
D3
D2
RAS
WE
D1
D0
A4
A5
A6
A7
A8
CAS
D3
D2
A3
A2
A1
A0
RAS
WE
D1
D0
A10
A9
A10
PWMSEL
BLKCK
MCLK
MDATA
MLD
SMCK
SBCK
STAT
NRST
SPPOL
PMCK
DQSY
TXTD
TXTCK
NTEST
OUT X2
IN X1
DVSS1
DVDD1
MON
D0
D1
NEW
NRAS
D3
NCAS0
A10
A8
A7
A6
A5
A4
A9
A0
A1
A2
A3
DVSS2
D2
DRVDD
IREF
FBAL
TBAL
TRVP
TRVM(PC)
TRP
TRM
FOP
FOM
FE
TE
OFT
NRFDET
BDO
ARF
DVDD2
IOVDD1
RFENV
SPOUT
LDON
AVSS1
TX
ADPVCC
OUTL
DSLF
(DRF)RFSW
PLLF
PLLFO
AVDD2
AVSS2
AVDD1
DVSS3
TMOD2
EXT2
EXT1
IOVDD2
FLAG
DVDD3
OUTR
EXT0
1
2
3
4
5
6
7
8
9
10
11
1213
14
15
16
17
18
19
20
21
22
23
24
25
26
27
28
29
30
31
32
33
34
35
36
37
38
39
40
41
42
43
44
45
46
47
48
49
50
51
52
53
54
55
56
57
58
59
60
64
61
62
63
68
65
66
67
72
69
70
71
73
74
75
76
77
78
79
80
1234
21
2223
5
20
6
19
7
18
8
17
9
16
10
15
11
14
12
13
242526
VCC
D0
D1
WE
RAS
NC
NC
A10
A0
A1
A2
A3
VCC
VSS
A4
A5
A6
A7
A9
NC
A8
/OE
/CAS
D2
D3
VSS
STAT
TX
23
NC
NC
NC
R761 10K
R762 10K
R763 10K
8
7
12
(NCAS1)
13
CIRCUIT
11 10 9
16
C733
0.1
C748
0.1
IC704
C3ABMB000027
16M DRAM
52
SA-AK220E / SA-AK220EB

Table of Contents

Related product manuals