EasyManua.ls Logo

Panasonic SA-AK220E - Transformer PCB Layout

Panasonic SA-AK220E
104 pages
Print Icon
To Next Page IconTo Next Page
To Next Page IconTo Next Page
To Previous Page IconTo Previous Page
To Previous Page IconTo Previous Page
Loading...
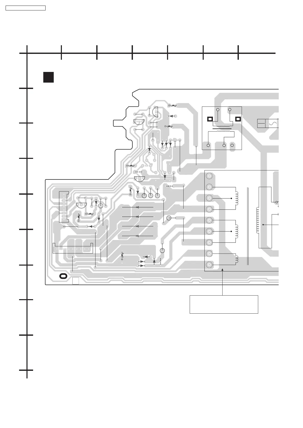
18.5. (E) Transformer P.C.B.
ABCDEFG
1
2
3
4
5
6
7
8
9
TRANSFORMER P.C.B (REPX0324H)
E
B
C
E
B
C
E
B
C
E
B
C
E
FC2
F1 T1.25AL
SECONDARY
PRIMARY
T951 (SUB-TRANSFORMER)
D953
D952
D950
D951
C950
C956
R959
C958
J955
D956
D957
D955
D954
D959
D958
R960
D960
R961
C957
J951
J933
T950 (POWER TRANSFORMER)
J910
J917
C959
Q951
J909
J916
J913
CN950
J941
CN951
C960
Q950
Q953
R951
J920
C954
C951
J938
D962
C963
C952
C953
D966
D961
D964
R956
R952
R957
R958
Q952
C955
C962
R955
R954
J942
4A
FP950
FP951
1A
R953
D963
123456789
1
2
3
4
5
6
7
8
9
1
2
3
4
5
D967
D968
CAUTION
RISK OF ELECTRIC SHOCK
AC VOLTAGE LINE.
PLEASE DO NOT TOUCH THIS P.C.B
72
SA-AK220E / SA-AK220EB

Table of Contents

Related product manuals