EasyManua.ls Logo

Panasonic SA-AK220E - Page 64

Panasonic SA-AK220E
104 pages
Print Icon
To Next Page IconTo Next Page
To Next Page IconTo Next Page
To Previous Page IconTo Previous Page
To Previous Page IconTo Previous Page
Loading...
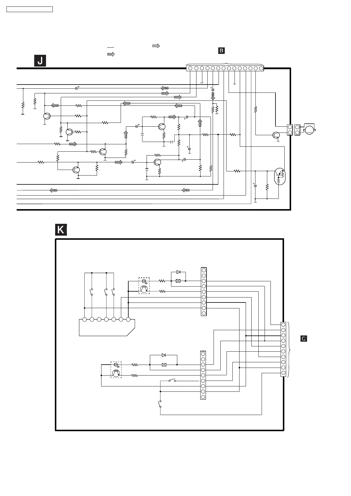
SCHEMATIC DIAGRAM - 14
DECK CIRCUIT
TO
MAIN CIRCUIT (CN304) ON
SCHEMATIC DIAGRAM-4
R1095
100K
Q1021
R1096
100K
R1094
1K
R1093
1K
R1047
1K
Q1012
Q1013
R1048
1K
R1084
2.2K
Q1014
R1045
100K
C1048
50V1
R1051
220
10
1112
13
14
1
2
4
6897
5
3
Q1020
C1054
1
2
1
2
R1086
2.2K
R1049
1M
C1049
1000P
R1091
2.2K
C1051
50V1
R1046
100K
Q1015
R1050
1M
C1050
1000P
R1052
220
C1052
50V1
R1053
680
R1054
680
R1092
2.2K
R1087
47K
R1085
47K
C1064
50V3.3
R1057
2.2K
R1060
390
C1055
50V0.1
R1059
10K
R1061
0
R1056
220
R1058
2.7K
C1053
16V220
50V3.3
PBL
PBR
AFGND
RECINL
RECINR
+B
REC_H
MO+B
MO GND
DMT
DECK1_H
BP1
MOTOR
Q1014~Q1015
B1ABCF000011
BUFFER AMP
Q1012~Q1013
B1ABEB000001
MUTING
Q1020~Q1021
B1ABEB000001
MUTING SWITCH
Q1016
B1GDCFJJ0023
DECK MUTING SWITCH
Q1017
B1AARC000002
MOTOR SWITCH
Q1017
W1002
CN1001
R1097
10K
C1047
50V1
: PLAYBACK SIGNAL LINE
: RECORD SIGNAL LINE
: +B SIGNAL LINE
10
1
2
4
6
8
9
7
5
3
IC951
CNB13030R2AU
PHOTO INTERRUPTER
IC971
CNB13030R2AU
PHOTO INTERRUPTER
Z971
RGSD12A1445T
MODE
PL
GND
HALF
STBY_5V
VREF_GND
PHOTO_T
D1_CRO2
TO
PANEL
CIRCUIT
(CP600) ON
SCHEMATIC
DIAGRAM-9
MODE
PL
GND
HALF
PHOTO_S
STBY_5V
VREF_GND
PHOTO_T
D1_CRO2
DECK MECHANISM CIRCUIT
CN971
PL1
PL2
STBY_5V
PL_GND
AD_OUT
PHOTO_PB
PHOTO_RP
HALF_PB
VREF_GND
MODE_PB
R972
820
R973
39K
PL971
R952
820
R953
39K
D951
MA2C16500E
D971
MA2C16500E
PL970
S952 HALF
S951
MODE
S972 HALF
S971 MODE
S975 RECINH_F
HALF
RECINH
_R
MODE
RECINH
_F
AD_OUT
VREF
_GND
STBY
_5V
1234567
+
-
C1060
0.01
R1098
10K
M
64
SA-AK220E / SA-AK220EB

Table of Contents

Related product manuals