EasyManua.ls Logo

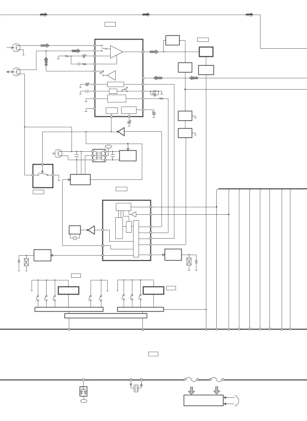
Panasonic SA-AK44 - MAIN CIRCUIT

Panasonic SA-AK44
120 pages
Print Icon
To Next Page IconTo Next Page
To Next Page IconTo Next Page
To Previous Page IconTo Previous Page
To Previous Page IconTo Previous Page
Loading...
+B
AN7348STA-E1
P.B. EQ /TPS AMP
REC AMP/ALC
IC1001
IC1003
BA4558FE2
BA7755A
IC1004
R/P SELECT
BU2090AF-E2
I/O EXPANDER
IC1002
IC971
ON2180RLC1
(DECK 2)
IC951
(DECK 1)
ON2180RLC1
IC600
M38B79MFA158
MICROPROCESSOR
Q1020
(Q1021)
Q1016
Z1002
INTERFACE
DECK 1
(Q1008,Q1009)
100
(MODE)
(HALF)
S971
S972
(Cr02)
S973
PHOTO
INTERRUPTOR
D951
1PL
15
BP1
7
1M
13
Z1001
INTERFACE
INTERFACE
DECK 2
(Q1010,Q1011)
1
(HALF)
(R.REC INH)
(F.REC INH)
S975
S974
S952
(Cr02)
S953
S951
(MODE)
TPS
99
SOLENOID
12-BIT SHIFT
REGISTER
LATCH
OUTPUT BUFFER
2PL
1H
14
10
8
CR02
REC
CLK
DATA
12
11
2
3
D971
MOTOR
SOLENOID
M
Q1019
Q1017 Q1023
Q1018
2
3
Q1001,Q1003
REC;ON/
BEAT PROOF
SWITCHING
(DECK 2)
ERASE HEAD
4
(DECK 1)
P.B. HEAD LCH
12
15
19
6
17(8)
21(4)
24(23)
22(3)
1(2)
L601
BIAS OSC
CONTROL
Q1004~Q1007
Q1022
9 11
MUTING
Q1014
(Q1015)
NOR/CrO &
HI/LO LOGIC
LOGIC
REC/PB
RIPPLE
REJECTION
LOGIC L/H
ALC
13
14
16
10
-
+
18(7)
20(5)
SWITCH
(DMT)
FILTER
AMP
BUFFER
AMP
Q1024
TPS
DRIVE
Q1012(Q1013)
19 20
X601
XCOUT
XCIN
FL DISPLAY
FL600
77~88
GRD13
45~76
GRD1
SEG1
SEG32
FROM POWER
TRANSFORMER
SER4
93
+B
SER2
95
SER3
94
SER1
96
42 43
SPE
11 41
SER4
SER2
SER3
SER1
SPE
33
DCDET1
D308,D310
SOLENOID
DRIVE
(DECK 1)
PHOTO
INTERRUPTOR
SOLENOID
DRIVE
(DECK2)
MOTOR
DRIVE
CONTROL
CIRCUIT
(DECK 2)
R/P HEAD LCH
BUFFER
AMP
SPA
A
B
C
SPB
SPC

Related product manuals