EasyManua.ls Logo

Panasonic SA-AK44 - Page 98

Panasonic SA-AK44
120 pages
Print Icon
To Next Page IconTo Next Page
To Next Page IconTo Next Page
To Previous Page IconTo Previous Page
To Previous Page IconTo Previous Page
Loading...
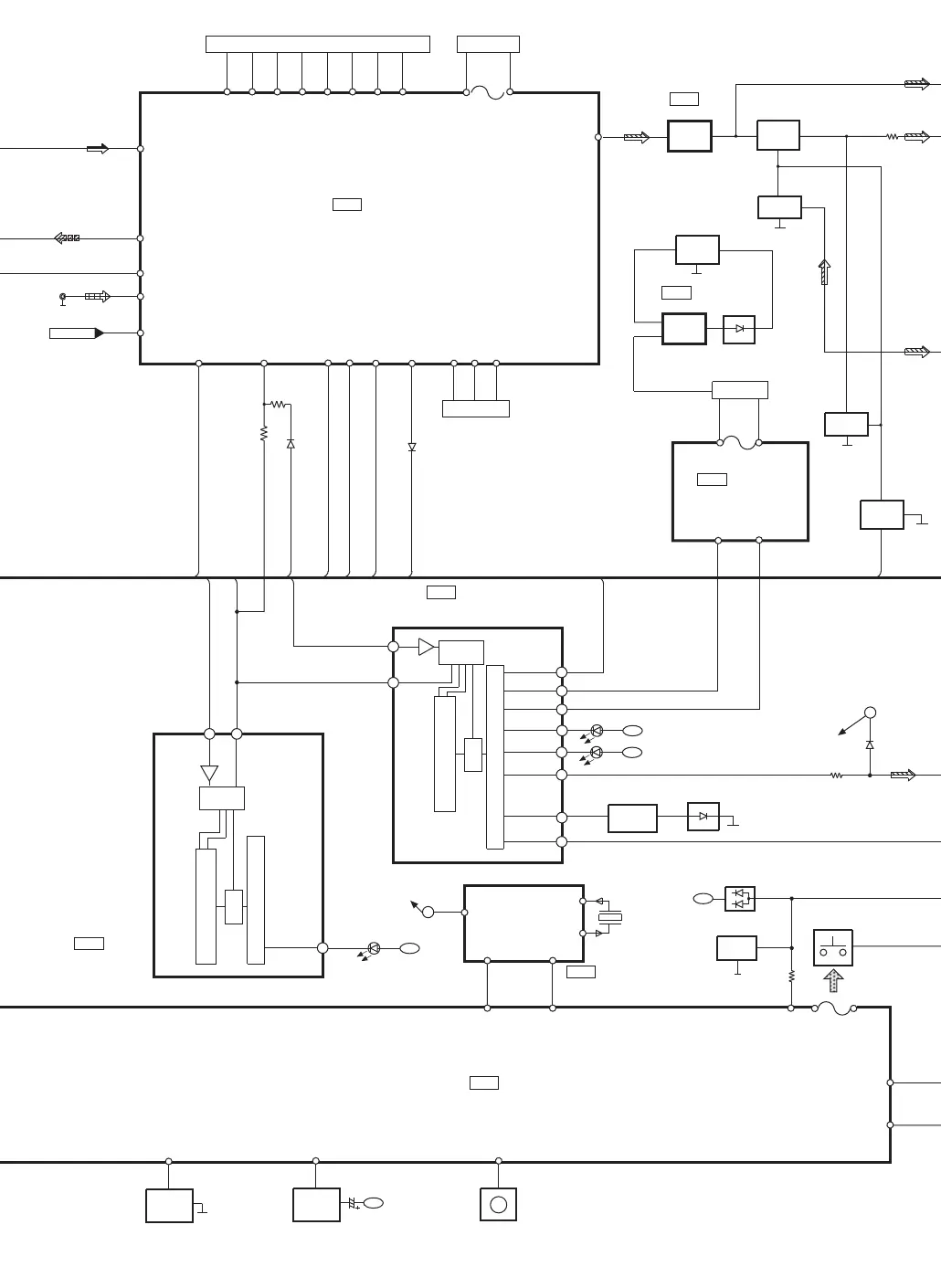
+B
ASP IC
IC301
BH3874AKS2
IC302
M5218AP
I/O EXPANDER
BU2090AF-E2
IC601
I/O EXPANDER
IC602
BU2090AF-E2
ANALOG SWITCH
IC305
TC4052BFNELM
HPFL2(R)
CD SIGNAL
FROM CD UNIT
RECL(R)
INLD(R)
AUX
JK305
47(48)
17
(20)
HPFL1(R)
INLB(R)
INLA(R)
INLC(R)
41(42)
45(46)
43(44)
23~27
HPFL3(R)
BASS1~5
OUTL(R)
32
(31)
63
(1)
18
Q601
POWER
RESET
CONTROL
/RESET
Z940
29
RMT
ECONO
91
DCDET2
34
SWITCH
Q307
D307
KEY3
KEY1
2~4
KEY SW
SYNC
32
SOUND
ANAZING
OUTPUT BUFFER
12-BIT SHIFT REGISTER
PCONT
10
LATCH
LED_CTL
/CD
13
CONTROL
CIRCUIT
DATA
CLK
2
3
MUTE_A
9
SWITCH
Q600
MUTEA
SER2
Q300
SER1
MUTEA
Q400(Q200)
64
(2)
3
(5)
4
(6)
7
(9)
8
(10)
11
(13)
12
(14)
+B
+B
18
(21)
19
(22)
B
C
51(52)
38
BPOUT
A
36 37 39
SCK
35
DUAL
OP AMP
SI
34
D650
SER2
SER3
SPE
14
15
BUFFER
AMP
F4L2(R)
F4L1(R)
F3L2(R)
F3L1(R)
F2L2(R)
F2L1(R)
F1L2(R)
F1L1(R)
A
B
C
FILTER
FILTER
FILTER
D651
AUDIO
MUTING
CONTROL
Q306
A
D618
Q450
(Q250)
MUTING
SWITCH
Q309,Q310
MUTING
SWITCH
MUTING
SWITCH
G5~G1
+B
4~8
D603,D604,
D903,D904
NAS_A CTRL
11
NAS_B CTRL
12
SWITCH
9
10
B
A
3~0X
44
Q699
SWITCH
NC
OUTPUT BUFFER
12-BIT SHIFT REGISTER
LATCH
11~13
CONTROL
CIRCUIT
DATA
CLK
2
3
+B
SER4
D572,D573
11~15
MUTING
SWITCH
RDS_CL
15
RDS_DA
16
17 16
I/O EXPANDER
LC72721NMTLM
IC990
RDCL
RDDA
2
MPXIN
10
11
X990
XOUT
XIN
D
IC304
BA4558FE2
IC600
M38B79MFA158
MICROPROCESSOR

Related product manuals