EasyManua.ls Logo

Panasonic SA-DK10 - Page 31

Panasonic SA-DK10
107 pages
Print Icon
To Next Page IconTo Next Page
To Next Page IconTo Next Page
To Previous Page IconTo Previous Page
To Previous Page IconTo Previous Page
Loading...
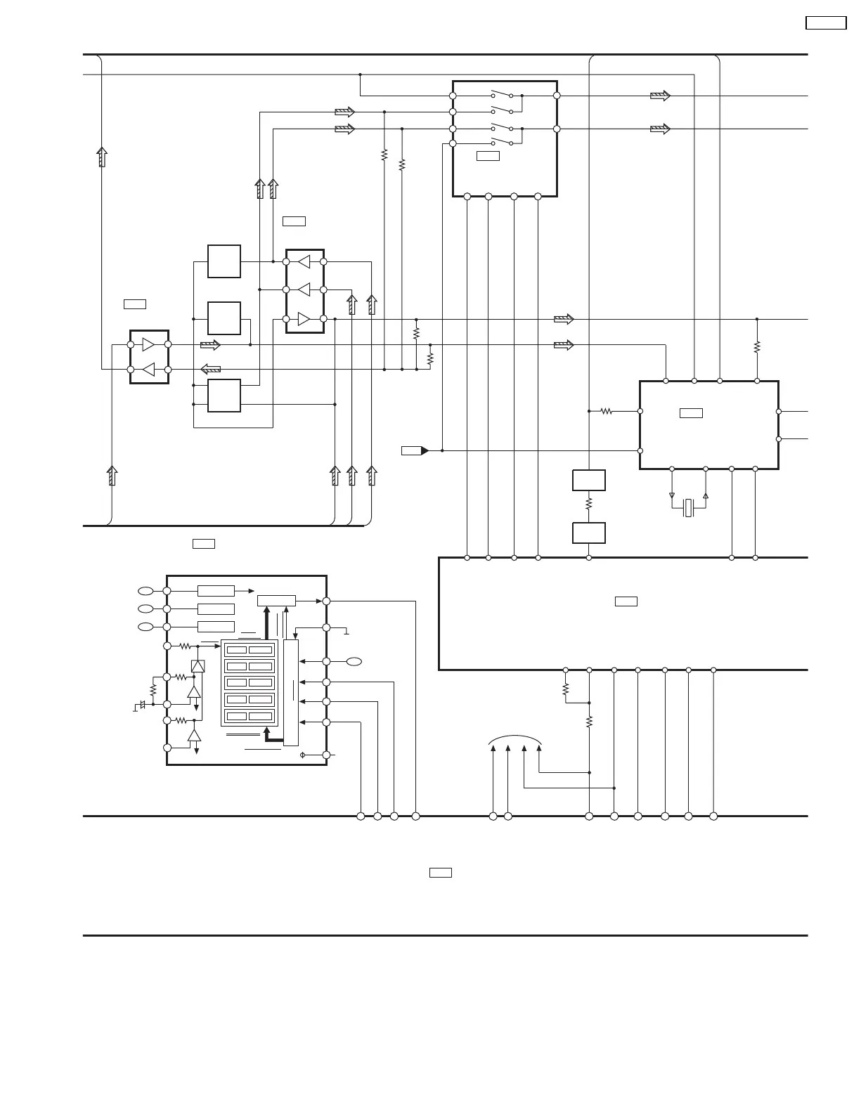
IC601
C2BBGF000280
MICRO-CONTROLLER
QUAD OP AMP
M5228FPE1
IC706
QUAD OP AMP
M5228FPE1
IC705
ANALOG SWITCH
BU4053BCFE2
IC206
BH
C2HBZC000012
IC801
DSP
C2BBFD000308
IC453
SPECTRUM ANALSER
M62457AFPE1
IC602
BPF 1
P.HOLD
BPF 2
P.HOLD
BPF 3
P.HOLD
BPF 4
P.HOLD
BPF 5
P.HOLD
+
-
+
-
+
-
<PEAK HOLD>
HOLD C RESET
BPF IN
HOLD
OUTPUT
OUTPUT
CONTROL
CS1
32
RST1
31
INH
42
EXEP23
41
DO0
11
DO1
12
DCK
10
DACK
9
SENSE
8
DCS
7
REST
18
SER5
1
SER6
100
DSPACK
37
SENSE
38
SER8
96
DSPRST
36
/CS
52
/RST
50
IFDI
54
IFCK
53
4
12(2)
13(1)
3
5(2)
14(15)
111096
A
B
C
INH
EXEP22
40
EXEP21
39
AOT3
27
(30)
43
XOUT
XIN
X801
LIN1
68(72)
AOT1
11(14)
26
VR-ATT
MUTING
CONTROL
Q306
MUTING
SWITCH
Q201,
Q204
FLCH
LIN(R)
LIN4
65
LIN3
66
(70)
SP_A
10
SP_B
11
SP_C
12
SP_IN
9
SD_IN
42
DO/ST
41
AOT4
30
TO TUNER MODULE
RCH
Q719
MUTING
SWITCH
Q716
MUTING
SWITCH
Q718
MUTING
SWITCH
8
14
10
7
5
12
SW
CNT
SL
7(1)
14(8)
6(2)
MXL
12(10)
FL
X0
X1
Z1
Z0
CNT
SL
VCC/2
1
VCC/2 GEN.
V REF GEN.
I REF GEN.
DIFOUT
4
COUT
5
CNF
6
ANF
8
7
MCU I/F
SELECTOR
PHOUT
15
TEST
14
ENB
13
SELC
12
SELB
11
SELA
10
VCC
9
VREF
2
IREF
3
AOUT
AMP-A
AMP-D
AMP-C
+B
+B
+B
+
+B
31
SA-DK10

Related product manuals