EasyManua.ls Logo

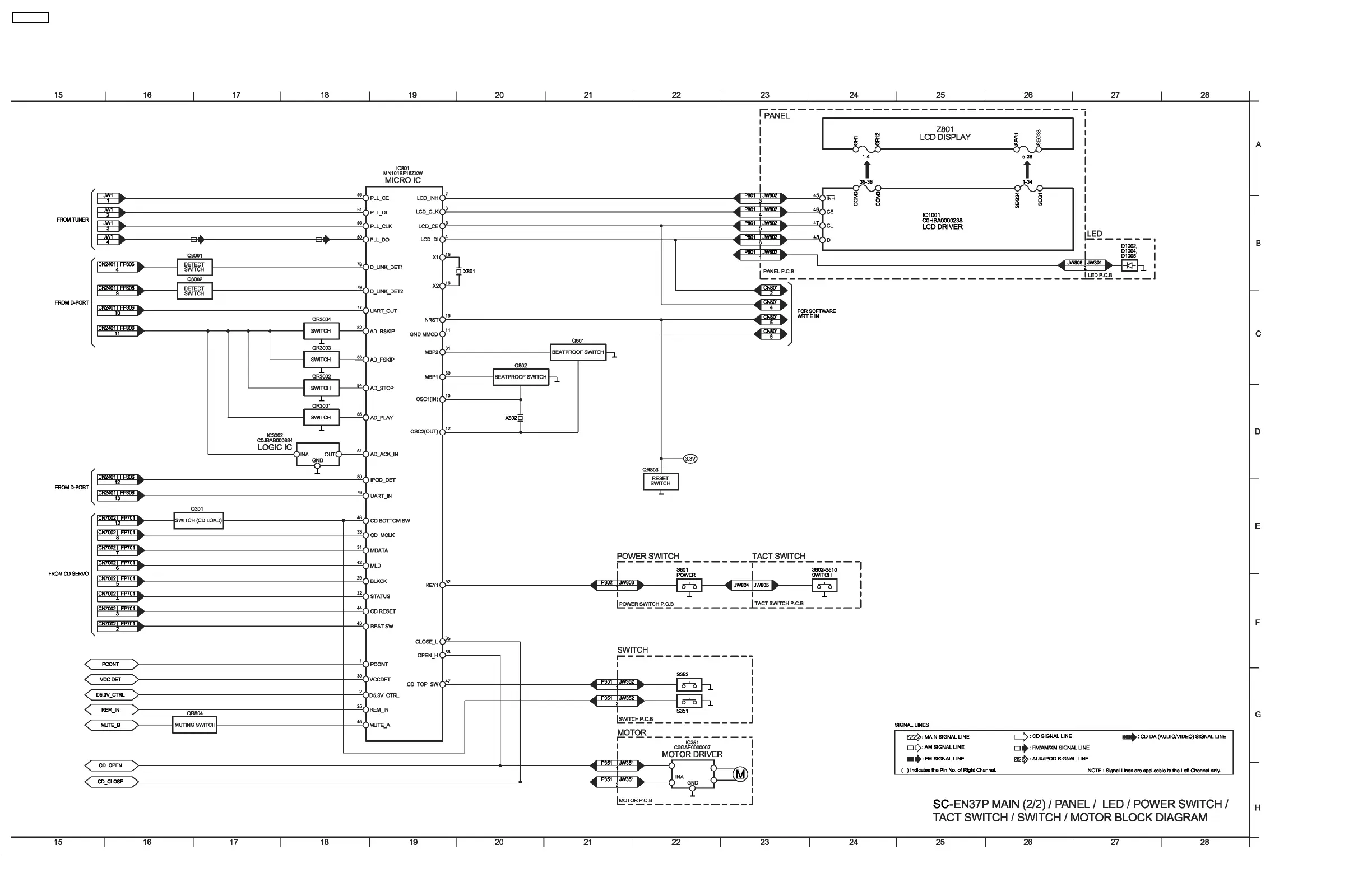
Panasonic SA-EN37 - Main (2;2), Panel, LED, Power Switch, Tact Switch, Switch & Motor

Panasonic SA-EN37
71 pages
Print Icon
To Next Page IconTo Next Page
To Next Page IconTo Next Page
To Previous Page IconTo Previous Page
To Previous Page IconTo Previous Page
Loading...
14.4. Main (2/2), Panel, LED, Power Switch, Tact Switch, Switch & Motor
SC-EN37P
40

Table of Contents

Related product manuals