EasyManua.ls Logo

Panasonic SA-EN37 - Tuner Circuit Diagram

Panasonic SA-EN37
71 pages
Print Icon
To Next Page IconTo Next Page
To Next Page IconTo Next Page
To Previous Page IconTo Previous Page
To Previous Page IconTo Previous Page
Loading...
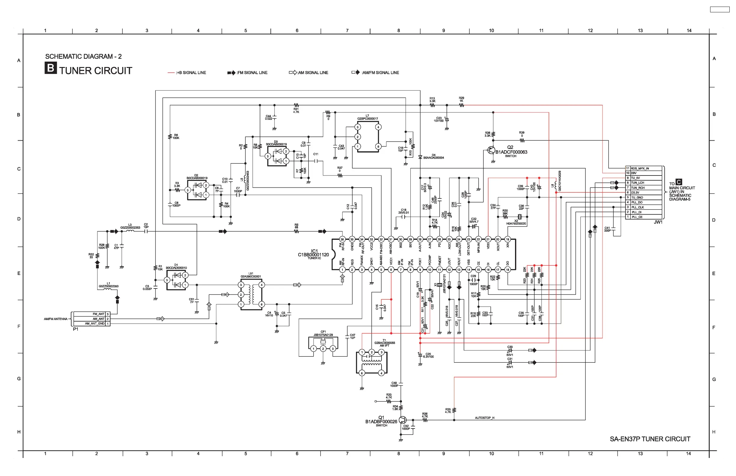
16.2. (B) Tuner Circuit
SC-EN37P
45

Table of Contents

Related product manuals