EasyManua.ls Logo

Panasonic SA-HT340EE

Panasonic SA-HT340EE
95 pages
To Next Page IconTo Next Page
To Next Page IconTo Next Page
To Previous Page IconTo Previous Page
To Previous Page IconTo Previous Page
Loading...
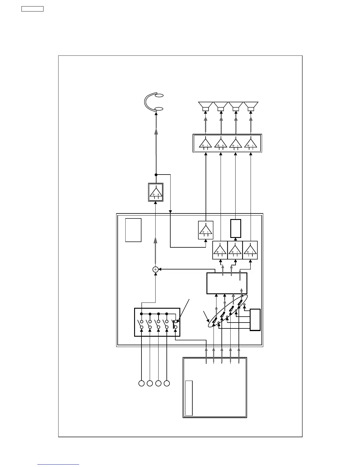
22.2. HT340 Block (Analog Signal : DVD 5.1ch Play Back Mode)
TV/VCR In
MUSIC PORT In
AUX In
TUNER In
DVD Module
ON
ON
DVD Mix(L/R)
DVD Front(L/R)
Volume
DVD Center
DVD Sub-Woofer
DVD Surround(L/R)
AGC
ASS
DVD 5.1ch Play Back Mode
IC2102
Head Phone
Front(L/R)
Center
Sub-Woofer
Surround(L/R)
IC5100/IC5200
IC5300
HIC
ASP
SA-HT340EE
78

Table of Contents

Related product manuals