EasyManua.ls Logo

Panasonic SA-PM11 - Page 23

Panasonic SA-PM11
110 pages
Print Icon
To Next Page IconTo Next Page
To Next Page IconTo Next Page
To Previous Page IconTo Previous Page
To Previous Page IconTo Previous Page
Loading...
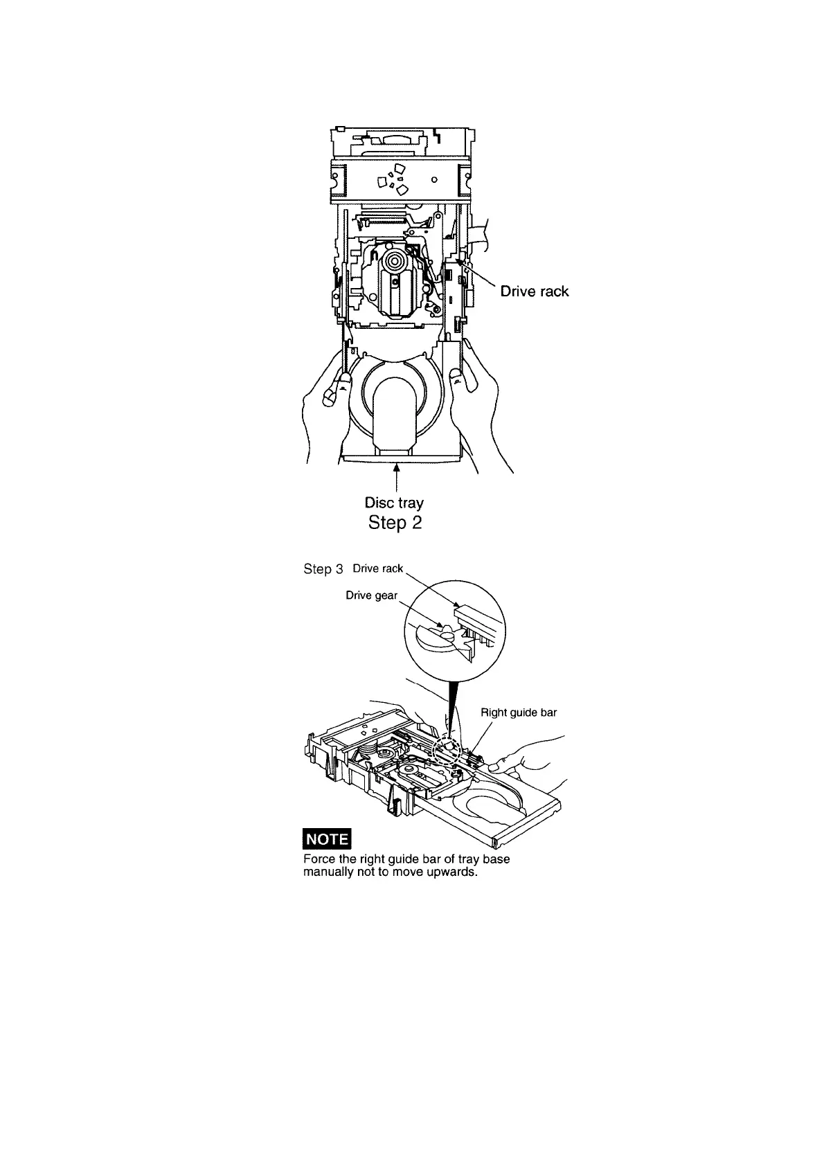
Step 2 Holding the drive rack not to move, install the disc tray.
Step 3 Align the drive rack with the driver gear.
23

Related product manuals