EasyManua.ls Logo

Panasonic SA-PM11 - Page 85

Panasonic SA-PM11
110 pages
Print Icon
To Next Page IconTo Next Page
To Next Page IconTo Next Page
To Previous Page IconTo Previous Page
To Previous Page IconTo Previous Page
Loading...
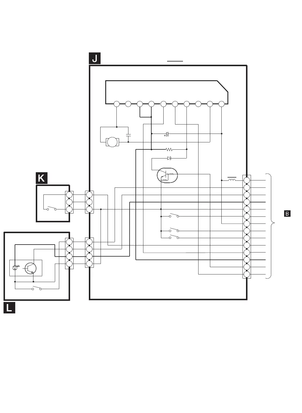
SW5
GP1S94
D1
D2
RVTDTC143EST
POWER SUPPLY
W1
2
1
3
4
SW4
2
1
3
4
W2
2
1
3
2
1
3
Q1
CONTROL
SW3
SW2
SW1
Q1
MTZJ4R7BTA
10
RM1
M
Vref
VCC
NC
V
0.01
C2
9
8
7
R1 1K
50V5.6P
5
C1
6
4
IC1
S
TA7291P
MOTOR DRIVE
IC1
13
14
CW
BOTTOMSW
DRIVEPOWER
9
11
12
10
HALF
CLAMP
CCW
8
6
7
OPEN
SW1
P_GND
SW2
L
4
5
2
3
D_GND
PSLED
POSITION
CN1
1
PLUNGER
TO
MAIN CIRCUIT
(CN309) ON
SCHEMATIC
DIAGRAM-4
NC
3 2
1
: +B Signal Line
SPINDLE POSITION
CIRCUIT
MOTOR CIRCUIT
CD DETACT
CIRCUIT
SCHEMATIC DIAGRAM-12

Related product manuals