EasyManua.ls Logo

Panasonic SA-PM11 - Page 84

Panasonic SA-PM11
110 pages
Print Icon
To Next Page IconTo Next Page
To Next Page IconTo Next Page
To Previous Page IconTo Previous Page
To Previous Page IconTo Previous Page
Loading...
RECR
64
63
62 60 59
58
57 56
55
54
53
52 51
50
48
47
46
45
44
43
42
41
40
39
38
37
35
34
33
32
31
30
29
28
27
26
25
24
23
22
21
201918
17
16
15
14
13
12
11
10
9
8
7
6
4
5
3
2
1
36
49
61
3
5
4
2
1
7
9
8
6
1
3
5
7
9
8
6
4
2
10
11
12
13
14
15
16
17
18
19
20
LCH
RCH
AUX
JK305
C401
100P
R401
10K
C201
100P
R201
10K
C402
100P
C202
100P
R402
2.2K
R202
2.2K
C301
1000P
R300 4.7K
C300
0.01
R454 10K
D318
D317
15V
+9V
TUN_R
CE
TUN_L
PLLDA
DO/ST
PLLCLK
TGND
15V
DO/ST
SD
+7.5V
MOTORGND
MOTOR 9V
9V
9V GND
PB LOUT
PB ROUT
AFGND
REC L
REC R
C370
50V0.33
C371
50V0.33
C399
0.15
C369 0.15
C373 0.15
C391 0.15
C365
0.15
C376
0.027
C375 0.15
C377 0.027
C379
0.027
C380 0.027
C381
5600P
C382 5600P
C383
5600P
C384 5600P
C385 1800P
C386 1800P
C388
0.068
C390
0.068
C392
0.068
R378
82K
R382
390K
R374 68K
C394 0.068
R381
82K
C396
0.068
C393
0.068
R384
390K
R375
68K
R376 15K
C398
0.1
C413
0.1
R377
22K
C405
0.22
C397
0.22
R383
3.3K
R385
47K
C400
10V220
C395
0.1
C408 16V10
C409 16V10
C410
16V10
C387 0.22
C363 100P
C364 100P
R373
15K
R372
10K
R380
1K
R371
4.7K
R379
4.7K
R367
27K
C378
16V10
C419 50V2.2
C219 50V2.2
C220 50V2.2
C221 50V2.2
C421
50V2.2
R207
0
R410
2.2K
R210
2.2K
R409
22K
R209
22K
C420
50V2.2
C404
220P
C204
220P
R407
0
C422
50V4.7
C222
50V4.7
C418
16V10
R216
100K
R214
100K
C407 16V10
C207 16V10
C366 0.1
C367 0.047
R368
10K
R369
10K
C415
0.047
C416 4700P
C368
50V0.33
C417
50V0.33
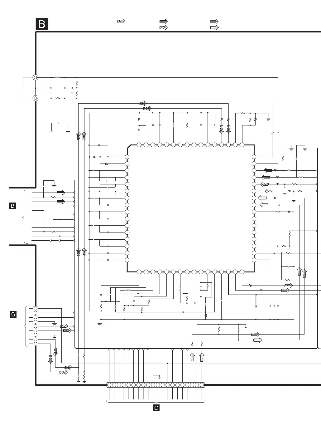
IC301
BH3874AKS2
R413
18K
R213
18K
R415
1K
R215
1K
DC_DET1
DC_DET2
CHG_PLGR
CHG_CW
CHG_CCW
CHG_HALF
SW1
SW2
15V
PGND
CD7.5V
CD3.3V
CDGND
CDR
CDAGND
CDL
R211
6.8K
R411
6.8K
R212
6.8K
R412
6.8K
+9V
SW5V
PBLOUT
PBROUT
TUN_L
TUN_R
IC301
TO
TUNER
CIRCUIT
(1A) on
SCHEMATIC
DIAGRAM-11
TO
CASSETTE
DECK
CIRCUIT
(H1304) on
SCHEMATIC
DIAGRAM-9
TO
PANEL CIRCUIT
(CP605) on
SCHEMATIC
DIAGRAM-6
CN303
CN304
MAIN CIRCUIT
SCHEMATIC DIAGRAM -3
F1R1
F1R2
F2L1
F2R1
F2R2
F3L1
F3L2
F3R1
F3R2
F4L1
F4L2
F4R1
F4R2
F5L
F5R
F2L2
HPFL1
HPFL2
HPFL3
HPFR1
HPFR2
HPFR3
BASS1
BASS2
BASS3
BASS4
BASS5
FILTER
CAP
VCC
OUTR
OUTL
INRD
INLD
INRC
INLC
INRB
INLB
INRA
INLA
BPMF
BPOUT
C
B
SI
STEPC
A
SCK
FIL2
FIL1
PS2
PS1
DPLR2
DPLR1
DPLL2
DPLL1
MIC
VFC2
GND
VFC1
RECL
ALCR
ALCC
(1B)
Z
Y
X
V
W
U
E
D
C
B
A
: +B Line
: Playback Signal line
: AM/FM Signal line
: CD Signal line
: Main Signal line
: Rec Signal line
PLLCE
ST_DO
C303
0.1
ASP IC
C372
0.15
C374 0.15
((4.44V))
((4.44V))
((4.44V))
((4.44V))
((4.44V))
((4.44V))
((4.44V))
((4.44V))
((4.44V))
((4.44V))
((4.44V))
((4.44V))
((4.44V))
((4.44V))
((4.44V))
((4.44V))
((4.45V))
((4.34V))
((4.51V))
((4.44V))
((4.32V))
((4.51V))
((4.44V))
((4.44V))
((4.47V))
((4.43V))
((4.45V))
((4.44V))
((4.48V))
((8.85V))
((4.51V))
((4.51V))
((0V))
((0V))
((0V))
((6.11V))
((6.34V))
((6.20V))
((0V))
((4.49V))
((4.44V))
((4.44V))
((4.44V))
((4.44V))
((4.44V))
((4.44V))
((4.44V))
((0V))
((3.91V))
((4.48V))
((4.48V))
((4.45V))
((0V))
((4.44V))
((4.44V))
((4.44V))
((3.76V))
((4.44V))
((3.59V))
((4.44V))
((4.44V))
((4.44V))
((4.44V))

Related product manuals