EasyManua.ls Logo

Panasonic SA-PM11 - Page 83

Panasonic SA-PM11
110 pages
Print Icon
To Next Page IconTo Next Page
To Next Page IconTo Next Page
To Previous Page IconTo Previous Page
To Previous Page IconTo Previous Page
Loading...
1
3
5
7
9
8
6
4
2
10
11
12
13
14
15
16
17
18
19
20
21
22
23
24
1
3
5
7
9
8
6
4
2
10
11
12
13
14
1
3
4
2
VREF+
HP_SW
HP_L
HP_R
HP_GND
SW5V
MUTEA
CD
GND2
CHG_AD1
CHG_AD2
ASP_DATA
ASP_CLK
ASP_LATCH
SD
PCONT
PLLCE
PLLDA
PLLCK
ST_DO
D363
R227
6.8K
R427
6.8K
IC302
1
23
4
8
76
5
R222
4.7K
R422
4.7K
C426
0.056
C226
0.056
C318
0.01
R223
47K
R423
47K
C427
680P
C227
680P
C228
16V10
C229
100P
C230
47P
R225
6.8K
R224
15K
C429
100P
C430
47P
R424
15K
R425
6.8K
C428
16V10
C320
0.01
R252
82
R251
82
R249
82
R248
82
C232
3300P
C432
3300P
R449
82
R448
82
R452
82
R451
82
R228
1K
R428
1.5K
Q250
Q450
R226
1K
C231
16V10
C225
50V0.15
R221
1K
Q200
R220 100K
R420 100K
Q400
R421
1K
C431
16V10
R426 1K
C425
50V0.15
R327
150K
C317
50V2.2
Q306
R328
68K
Q201
Q202
R332
12K
R331
100K
R335
1K
R334
12K
R333
100K
R336
1K
R337
100K
C319
50V10
R338
56K
C322
50V0.47
D319
R339
27K
R340
27K
R358
47K
R359
47K
R355
22K
R354
12K
R353
10K
C236
0.47
CHG_CW
CHG_HALF
8V
CHG_CCW
CLAMP
OPEN
SW1
PGND
SW2
DGND
5V
POSITION
BOTTOMSW
PLUNGER
CHG_AD2
R346
22K
R345
220
R347
12K
R351
10K
SW5V
VREF+
CHG_AD1
CHG_CCW
CHG_HALF
CHG_CW
SW1
SW2
VREF+
VREF+
C438
0.047
C238
0.047
Q351
Q350
Q307
R350
1K
R349
10K
D316
CHG_PLGR
C331
50V4.7
R316
15K
R313
39K
D307
D306
DC_DET1
DC_DET2
D309
MO10V
MUTEA
-9V
HP_SW
PCONT
CD
15V
TGND
15V
SW5V
CD3.3V
CD7.5V
-9V
PGND
+9V
-9V
8V
CD3.3V
SW5V
15V
10V
IC301
M5218AP
TO
POWER
CIRCUIT
(CP501) on
SCHEMATIC
DIAGRAM-13
15V
TGND
OUT_L
OUT_R
OPAMP_SGND
CD
DC_DET2
PCONT
HP_SW
TO
POWER
CIRCUIT
(CP500) on
SCHEMATIC
DIAGRAM-13
1
2
3
4
5
6
7
8
9
1
2
3
4
5
6
7
8
9
TO
PANEL CIRCUIT
(CP602) on
SCHEMATIC
DIAGRAM-7
TO
MOTOR CIRCUIT
(CN1) on
SCHEMATIC
DIAGRAM-12
TO
POWER CIRCUIT
(JK501) on
SCHEMATIC
DIAGRAM-13
LCH_SPK
RCH_SPK
CN500A
CN309
CN302
CN301
CN300
SPEAKER
6 OHM
JK500
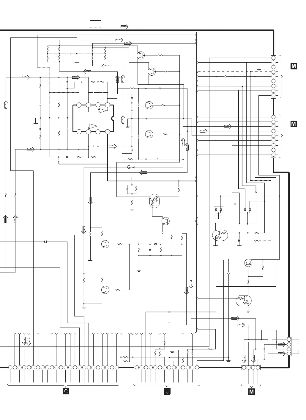
SCHEMATIC DIAGRAM -4
HP_L
HP_R
-9V
: +B Line
: +B Line
: Main Signal line
Q250, 450
KTD1304TA
Q200, 250
KTD1304TA
Q306
KRA102STA
Q201, 202
KTC3875GRTA
Q307
KRC111STA
C237 1000P
C437 1000P
+9V
D312
D308
1
3
4
2
Q309
+9V
R301
1K
AGC CONTROL SWTICH
SWITCH MUTING SUPPLY
Q309
KRA102STA
SWITCH MUTING CONTROL
OP-AMP IC
SWITCH (MUTING)
SWITCH (MUTING FOR HP)
SWITCH (DC DET)
Q350
2SB621ARSTA
MOTOR 10V SUPPLY
SWITCH
Q351
KRC102STA
SWITCH (PLUNGER)
((0V))
((0V))
((0V))
((-8.54V))((0V))
((0V))
((0V))
((8.82V))
((0V))
((0V))
((-2.64V))
((0V))
((0V))
((-2.64V))
((-2.64V))
((0V))
((0V))
((-2.64V))
((0V))
((0V))
((-2.64V))
((8.80V))
((8.80V))
((0V))
((0V))
((0V))
((0V))
((0V))
((0V))
((-3.76V))
((0V))
((5.12V))
((9.88V))
((0.04V))
((0.02V))
((0V))
((9.83V))
((9.86V))
((0V))
((0V))

Related product manuals