EasyManua.ls Logo

Panasonic SA-PM11 - Page 91

Panasonic SA-PM11
110 pages
Print Icon
To Next Page IconTo Next Page
To Next Page IconTo Next Page
To Previous Page IconTo Previous Page
To Previous Page IconTo Previous Page
Loading...
C127
16V22
C114
50V3.3
C130
6.3V100
C125
16V22
C111
50V4.7
R129
27K
R128
82
R117
47K
R107
330
R119
4.7K
R110
1K
R106
470K
R105
470
R103
270
R111
390
R115
560
R113
10K
R116
1K
R114
5.6K
R118
3.3K
R112
100K
R137
1K
R136
1K
R135
1K
R134
470
R138
3.3K
R130
10K
2SC2058SPTA
X103
RSXC7M20S05T
L102
0.68µH
2
1
3
CF201
RLFFETWND01M
C102
16V10
D101
AM LOOP
ANT
FM EXT ANT
75 OHM
JK101
AM ANT COIL
AM OSC COIL
Z101
11
12
13
14
15
16
17
20 19
18
10
9
8
7
65
3
4
21
LC72131MDTRM
1
5
2
3
4
100K
2SK544
RF AMP
2.2P
2SC2786M
FM MIXER
7
6
560K
2SC1675L1L2
BUFFER AMP
LOCAL OSC
390
10P
8
220
5.6P
2.2P
4.7P
C112
0.01
C108
8P
C110
0.01
C133
27P
C134
27P
C132
1000P
C113
1000P
C124
100P
C107
0.047
C126
10
C104
1000P
C101
0.01
C103
0.01
C136
1000P
CE
DI
CL
DO
AM EXT
ANT
Xin
Xout
VSS
DO
CL
DI
CE
AM
FM
MONO
IFIN
AMIN
FMIN
VDD
AOUT
PD
AIN
LW
SDC
STRQ
SWITCHING
Q101
IC102
PLL IC (TUNER)
2
1
1
2
3
4
5
6
3
9
8
7
1
2
3
4
5
6
1
2
3
4
IC102
RLA2Z007-T
Q101
0.001
180P
1.2u
100K
2.7K
2.2P
680K
390
820K
3.3P
10P
0.001
0.47u
390
100K
R152
0
R151
82
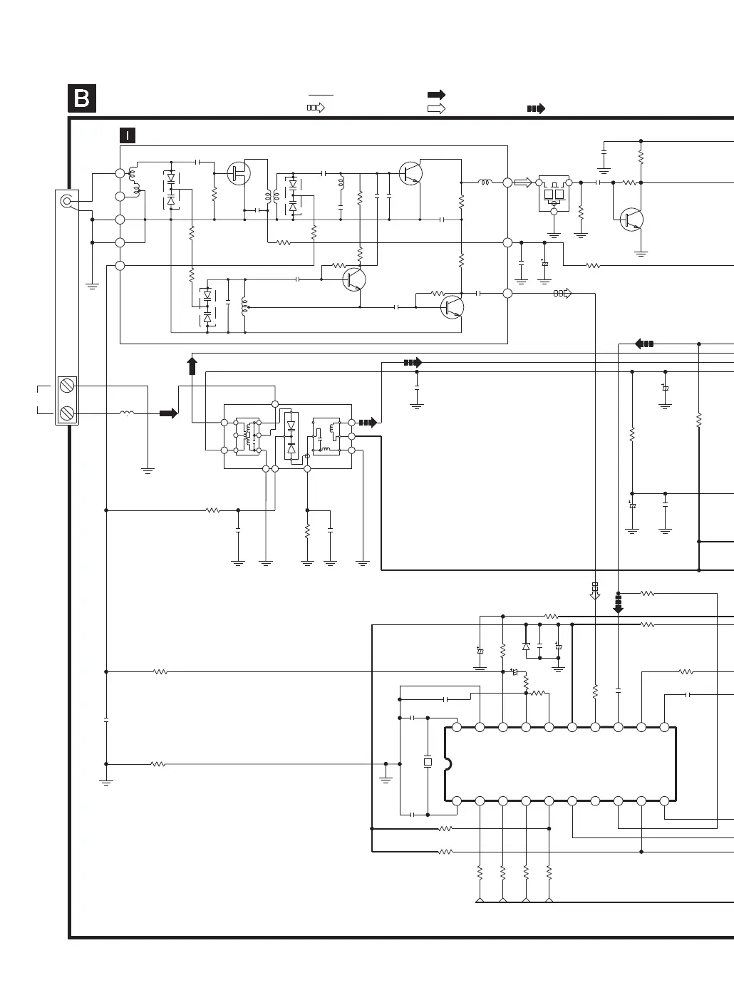
: AM OSC Signal line
: FM OSC Signal line
TUNER CIRCUIT(MAIN)
SCHEMATIC DIAGRAM-10
: +B signal line
: AM signal line
: FM signal line
TUNER PACK CIRCUIT
((0.05V))
((0.06V))
(2.586V)
<2.6V>
((2.614))
(0.559V)
<0.558V>
((0.586V))
(0.038V)
<0.038V>
((0.042V))
(0.039V)
<0.04V>
((4.68V))
(5.18V)
<5.18V>
((5.09V))
(0.185V)
<4.37V>
((4.53V))
(4.37V)
<4.02V>
((4.18V))
(0.043V)
<0.052V>
((4.47V))
(14.55V)
<0.09V>
((14.55V))
(0.021V)
<0.032V>
((0.055V))
(0.03V)
<0.037V>
((0.055V))
(2.483V)
<0.032V>
((2.599V))
(0.021V)
<2.545V>
((0.051V))
(1.272V)
<8.19V>
((14.57V))
(0.02V)
<0.028V>
((0.05V))
(2.61V)
<2.611V>
((2.638V))
(0.023V)
<0.031V>
((0.05V))
(5.19V)
<5.19V>
((5.22V))
(0.972V)
<0.815V>
((0.05V))
(0.972V)
<0.815V>
((0.05V))
((0.06V))

Related product manuals