EasyManua.ls Logo

Panasonic SA-PM11 - Page 93

Panasonic SA-PM11
110 pages
Print Icon
To Next Page IconTo Next Page
To Next Page IconTo Next Page
To Previous Page IconTo Previous Page
To Previous Page IconTo Previous Page
Loading...
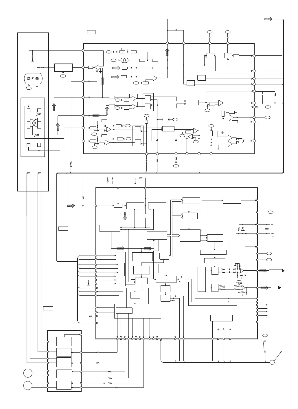
+B
+B
IC701
AN8885SBE1
SERVO AMP
SERVO PROCESSOR/
DIGITAL SIGNAL
PROCESSOR/
DIGITAL FILTER/
D/A CONVERTER
IC702
MN662790RSC
FOCUS COIL/
TRACKING COIL/
TRAVERSE MOTOR/
SPINDLE MOTOR DRIVER
AN8739SBE2
IC703
CD SIGNAL
+B
+B
+B
+B
+B
+B
+B
+B
+B
+B
+B
+B
+B
PLLF
DSLF
FOCUS
COIL
TRACKING
COIL
+B
_
M
SPINDLE
MOTOR
14
13
SPINDLE
MOTOR
DRIVE
D2+
D2-
PC2
4
3
IN2
TRAVERSE
MOTOR
_
M
11
15
12
18
17
16
25
TRACKING
COIL
DRIVE
TRAVERSE
MOTOR
DRIVE
D3-
D1+
D1-
6
IN1
IN4
D4+
D4-
FOCUS
COIL
DRIVE
D3+
26
IN3
S701(RESET)
/RST
E
ST/DO
BLKCK
SUBQ
MLD
MCLK
MDATA
STATUS
RESET
SERVO OUTPUT
PORT
FREQUENCY
COMPARATOR
OFT
36
OFT
A/D
CONVERTER
LDON
FBAL
TBAL
VREF
RESET
SIGNAL
GEN.
/RST
1
22
TVD
27
FOD
TRD
28
DSLF2
LDON
WVEL
40
42
43
D/A
CONVERTER
SENSE
FLOCK
24
ECM
25
KICK
ECS
2126
TRV
23
PC
10 11
PLLF2
FBAL
TBAL
41
30
31
VREF
VDET
TRCRS
29
35
37
SERVO
CPU
CLV
SERVO
RFENV
/RFDET
TE
FE
BDO
T+ T-
F-F+
SERVO
INPUT
PORT
TE
RF ENV
FE
33
32
34
BDO
/RF DET
39
38
RAM
ADDRESS
GENERATOR
SYNCHRONING
INTERPOLATION
PROTECTION
SYNCHRONIZING
PROTECTION
ARF
44
DSL
EFM DATA
DEMODULATOR
VCO
PHASE
COMPARATOR
MASH LOGIC
/RST
BLKCK
SQCK
SUBQ
TLOCK
1418 1312 15
MCLK
MDATA
MLD
8 7 9
STAT
17
MICROMPUTER
INTERFACE
CRCC
CHECK
SUB-CODE
DEMODULATOR
5
62
/CLDCK
79
NSEL
20
78
PSEL
CSEL
DVSS1
56
55
SBCK
SUBC
75
+
-
OUTR
R CH
DIGITAL DE-EMPHASIS
PEAK
DETECTOR/
AUTO CUE
16K
SRAM
DIGITAL FILTER
PWM
LOGIC
TIMING
GENERATOR/
PITCH
CONTROL
INTERPOLATION/
SOFT MUTING/
DIGITAL
ATTENUATION
CIRC
DECODER
S/P
CONVERTER
VREF
29
73
-
+
OUTL
+B
RSEL
76
19
SMCK
+B
59
X2
X1
58
X701
16
DMUTE
-B
ENV
3
TENV
OFTR
DET.
Subtracter
RF
LDON
F F
D
A
C
B
PDF
2
47 48
TBAL
FBAL
F
+
+
-
27
TBAL
FBAL
28
VCBA
Ech
Fch
E
D
E
C
PHOTO DETECTOR
PDB
PDE
1
LDON
13
PDA
4
Q701
LASER
POWER DRIVE
LD
7
+
-
Bch
VCBA
B
+
-
+B
+
-
Ach
A
-
-
+
SYNDROME
CALCULATION
TE
DIGITAL AUDIO
INTERFACE
TEIN
22 23
TEOUT
PDOWN
16
+B
+
-
-
+
-
N.C.
21
+
-
+
N.C.
TX
6
18
12
15
17
14
Subtracter
+B
-
+
VREF
GND
+
-
VCC
FEOUT
RF
DET.
/RFDET
FEN
BDO
DET.
BDO
OFTR
26
FE
3
24
/RFDET
25
BDO
OFTR
OPTICAL PICKUP
SEMICONDUCTOR
LASER
LPD
6
+B
19
+B
RFIN
8
RF
10
9
CSBRT
+B
CEA
11
ENV
RF
5
CRCC
CHECK
PWM
LOGIC
+B

Related product manuals