EasyManua.ls Logo

Panasonic SA-PM11 - Page 96

Panasonic SA-PM11
110 pages
Print Icon
To Next Page IconTo Next Page
To Next Page IconTo Next Page
To Previous Page IconTo Previous Page
To Previous Page IconTo Previous Page
Loading...
FILTER
FILTER
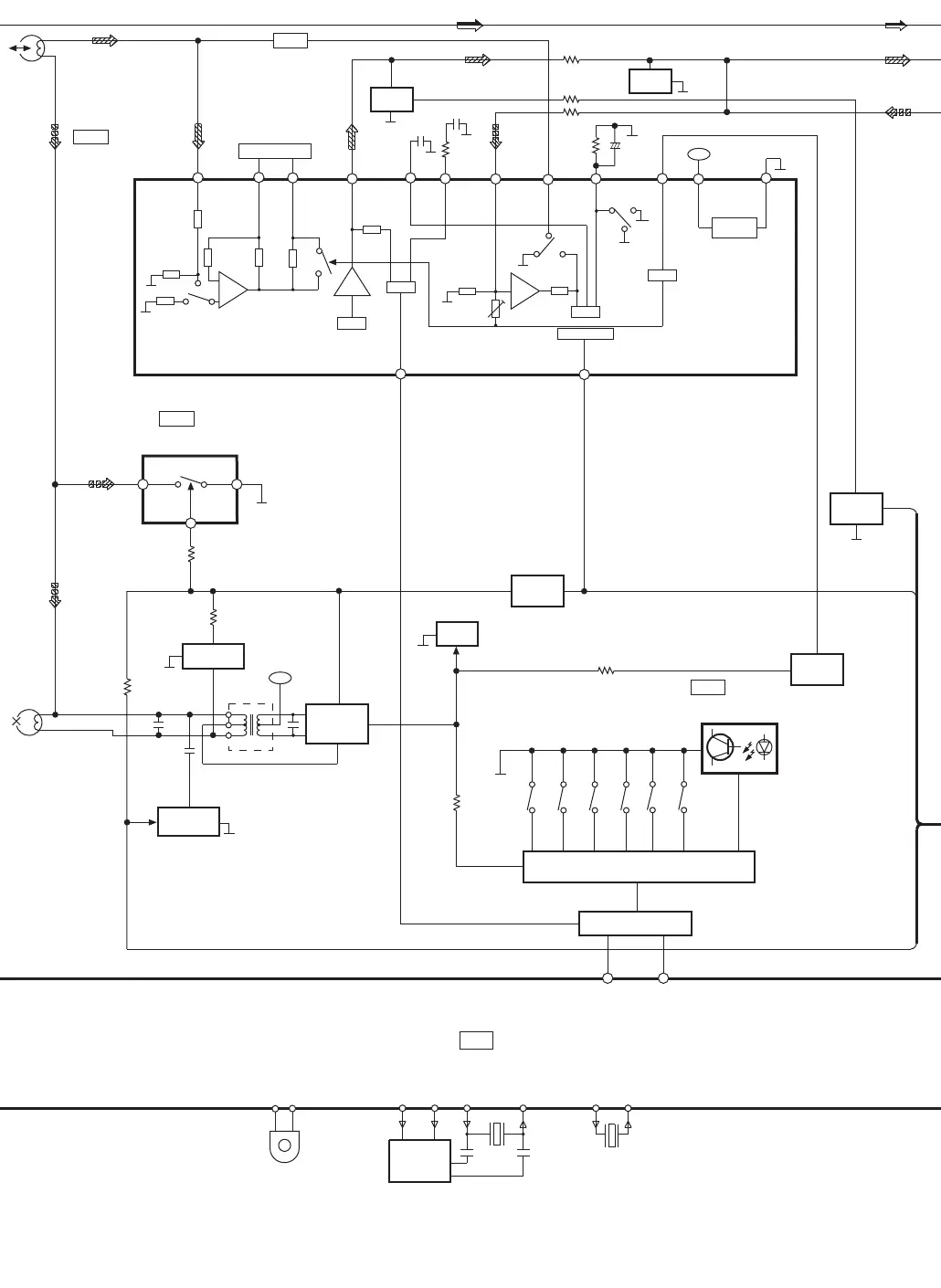
IC600
M38258MCM084
MICROPROCESSOR
IC1001
AN7326K
P/B REC AMP
BA7755A
IC1000
ANALOG SWITCH
IC971
PHOTO INTERRUPTER
0N2180RLC
VR600
JOG VOL
49
V_JOG_B
Q608,Q609
MBP1
SYSTEM OSC
SWITCH
42 41
MBP2
X600
39 38
XOUT
XIN
37 36
X601
XCOUT
XCIN
50
V_JOG_A
R/P HEAD
(L ch)
4
3
2
L1301
BIAS OSC
CONTROL
Q1313
Q1317
ERASE
HEAD
Q1309,
Q1310,
Q1312
Z971
INTERFACE
Q1304
Q1302
DK1
4
Q1308
BEAT PROOF
LEVEL SWITCH
SWITCH
DECK
MUTING
CONTROL
+B
SWITCH
S971 (MODE)
S974 (RECINH_R)
S973 (CR02)
S972 (HALF)
22(1)
MUTE
TPS
ALC
LOGIC
RIPPLE
REJECTION
REC AMP (L)
21(2)
20(3)
19(4) 18 17 16 15 14 13 12 10
PB LIN(R)
PB L NF(R)
PB L EQ(R)
PB LOUT(R)
ALC LOW CUT
TPS GAIN
REC
L OUT(R)
REC
LIN(R)
ALC
NOR/CRO SW
VCC
RF
Q1101
(Q1201)
MUTING
SWITCH
+
6
SWITCHING
9
DK2
5
Q1306,Q1307
S976 (METAL)
S975 (RECINH_L)
DMT
BP
REC_H
TPS OUT
PB/REC
SW
MUTING
SWITCH
Q1103(Q1203)
Q1321,
Q1322
+B
SWITCH
SWITCH
SWITCH

Related product manuals