EasyManua.ls Logo

Panasonic SA-PM17E - Page 118

Panasonic SA-PM17E
146 pages
Print Icon
To Next Page IconTo Next Page
To Next Page IconTo Next Page
To Previous Page IconTo Previous Page
To Previous Page IconTo Previous Page
Loading...
BLKCLK
SWITCH
S1
(STOCK)
STOCK_SW
38
S701
(RESET)
REST_SW
40
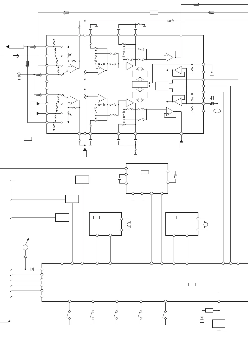
IC600
C2BBGF000357
MICROPROCESSOR
C1BB00000617
ELECTRONIC VOLUME
CONTROL & TONE CONTROL
IC301
+
+
+
+
+
+
CONTROL
CIRCUIT
CONTROL
CIRCUIT
CONTROL
CIRCUIT
+
+
+
+
CCB
INTERFACE
RCH
RCH
+B
RCH
RCH
FILTER
E
S2
(PLAY)
PLAY_SW
94
S3
(BOTTOM)
BOTTOM
11
S4
(OPEN)
OPEN
35
CD SIGNAL
SUBQ
SWITCH
STATUS
SWITCH
FILTER
RESET
18
Q607
RESET
SWITCH
D621
M
C0GAG0000007
DRIVER
IC21
F_IN
7
R_IN
9
M1_FOUT
7
M1_ROUT
10
OUT2
2
RM21
LOADING
MOTOR
OUT1
4
M
C0GAG0000007
DRIVER
IC11
F_IN
7
R_IN
9
M2_FOUT
36
M2_ROUT
37
OUT2
2
RM11
UP/DOWN
MOTOR
OUT1
4
C1BB00000527
RDS
IC302
SUBQ
BLKCK
30 14
STATUS
9
BLKCK
SUBQ
Q903
Q901
STAT
Q902
ASP_DATA
96
ASP_LATCH
93
ASP_CLK
95
LVREF
1
DI
30
CL
4
TEST
3
VSS
2
CE
29
VDD
28
VREF
27
NC
RVREF
22
RIN
23
RTRE
24
RBASS1
25
RBASS2
26
ROUT
9
LIN
8
LTRE
7
LBASS1
6
LBASS2
5
LOUT
11 L4
12 L3
13 L2
14 L1
15 NC
16 NC
17 R1
18 R2
19 R3
20 R4
10
LSEL0
21
RSEL0
AUX
JK303
MCLK/PLLCK
MDATA/PLLDA
MLD/PLLCE
CE
CL
DI
27
28
31
SQCK/ST/DO
12
ST/DO
SD
SD
13
CDRST
CDRST
8
D644
D645
RDS_CLOCK
16
RDS_DATA
15
RDDA
14
RDCL
15
XOUT
8
XIN
9
MODE
12
RST
13
CIN
FLOUT
6
5
MPXIN
2
X391

Related product manuals