EasyManua.ls Logo

Panasonic SA-PM17E - Page 119

Panasonic SA-PM17E
146 pages
Print Icon
To Next Page IconTo Next Page
To Next Page IconTo Next Page
To Previous Page IconTo Previous Page
To Previous Page IconTo Previous Page
Loading...
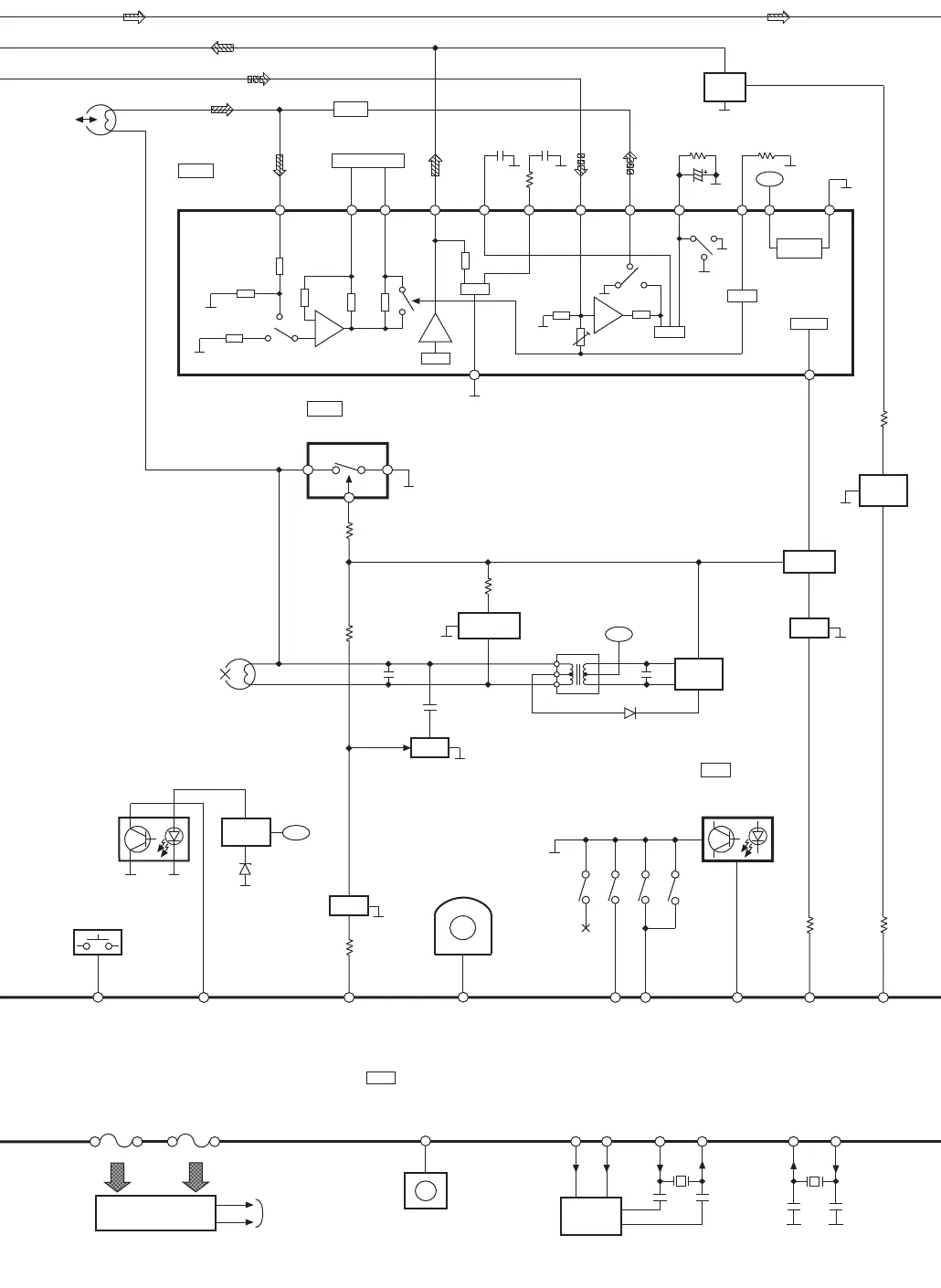
+B
FILTER
+B
48
49
47
SWITCH
DECK
MUTING
CONT.
PHOTO
INTERRUPTER
CNB13030R2AU
IC951
BEAT PROOF
LEVEL SWITCH
1
100
IC1001
AN7326K
P/B REC AMP
99
C1AA00000612
ANALOG SWITCH
IC1000
SWITCH
(REC:H)
SWITCH
SWITCH
SWITCH
MUTING
SWITCH
Q608,Q609
X600
µP
BEAT PROOF
CONTROL
MBP2
25 26
MBP1
23 22
XOUT
XIN
X601
19
20
XCOUT
XCIN
(JOG VOL)
VR600
VOL_JOG
5
IC600
C2BBGF000357
MICROPROCESSOR
KEY SW
KEY2
3
34
VOLTAGE
REGULATOR
+B
Z602
(REMOTE SENSOR)
29
RMT
FL600
88~81
57~80
REG1
REG8
SEG1
SEG24
6
9
TPS
RIPPLE
REJECTION
19(4)
18
17
16(7)
15(8)
14
13
12
10
PB LOUT(R)
ALC LOW OUT
TPS
GAIN ADJ
REC
L OUT(R)
REC
LIN(R)
ALC
NOR/CRO SW
VCC
RF
TPS OUT
PB/REC
SW
Q1302
MUTE
ALC
LOGIC
REC AMP (L)
ERASE
HEAD
R/P HEAD
(Lch)
Q1305
Q1304
22(1)
PB LIN(R)
L1301
Q1309,
Q1310,
Q1312
Q1317
Q1313
BP1
REC
21(2)
20(3)
PB L NF(R)
PB L EQ(R)
FILTER
S954 (RECINH_F)
S951 (MODE)
S953 (CRO2)
S952 (HALF)
4
3
2
DECK2
DECK1
Q1101
(Q1201 )
Q1303
DMT
PHOTO
BIAS
SWITCH
POSITION
Q514,
Q517
D524,
D517
Q1
(SENSOR)
TO
TRANSFORMER
D1301

Related product manuals