EasyManua.ls Logo

Panasonic SA-PM17E - Page 130

Panasonic SA-PM17E
146 pages
Print Icon
To Next Page IconTo Next Page
To Next Page IconTo Next Page
To Previous Page IconTo Previous Page
To Previous Page IconTo Previous Page
Loading...
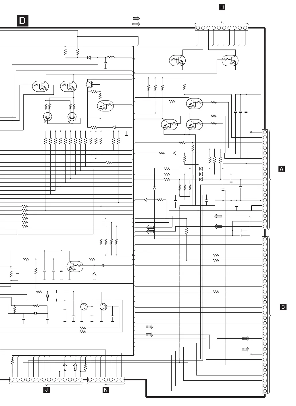
TO
POWER CIRCUIT
(CN500) ON
SCHEMATIC DIAGRAM-11
TO
MAIN CIRCUIT
(CN305) ON
SCHEMATIC
DIAGRAM-4
TO
CD SERVO
CIRCUIT
(CN702) ON
SCHEMATIC
DIAGRAM-2
TO
AC TRANSFORMER CIRCUIT
(CN505) ON
SCHEMATIC DIAGRAM-13
TO
DECK CIRCUIT
(CN1303) ON
SCHEMATIC DIAGRAM-10
R687
68
R688
68
D632
UDZSTE174R78
C646
50V3.3
L605
100µH
R686
4.7K
R685
470K
R635
560
R694
470
Q610
Q615Q613
Q611
KRC102STA
PCONT SWITCH
D637
B3CNE0000001
D631
B0ACCK000005
R644 47K
R645 47K
R646 47K
R647 47K
R648 47K
R651 47K
R652 47K
R653 47K
R654 47K
R655 47K
R656 47K
R657 47K
R659 47K
R668 22K
R697 100
R695 100
R600 0
R699 100
R624 100
R680 1K
R625 4.7K
R626 4.7K
R627 47K
R628 47K
R682
470
C645 50V2.2
D630
B0ACCK000005
Q607
Q608
Q609
C644 50V1
C643 100P
C642 100P
R684
22K
R681
10K
C641
0.01
R683
47K
R670
680
C633
68P
C634
68P
X600
RSXZ4M19B01T
R673 330K
R674
10M
C635
15P
C636
18P
X601
RSXD32K7S02
C637
56P
C638
56P
C639
1000P
C640
1000P
R675 4.7K
R676 4.7K
R708
47K
R900
10K
R902
10K
R901 10K
R903
10K
Q904
KRC101STA
MOTOR SWITCH
Q905
KRC101STA
PLUNGER SWITCH
R905
4.7K
R906
4.7K
R907
4.7K
Q902
KRC101STA
STATUS SWITCH
Q903
KRC101STA
BLKCLK SWITCH
Q901
R910
4.7K
R911
10K
R912
100
D640
RB501V-40
R913
5.6K
R917 100
R918 100
R919 100
D644
B0ACCK000005
D645
B0ACCK000005
R923
22K
C651
0.1
R920
100K
R921 100K
R922 100K
R914
5.6K
R915 5.6K
R916 5.6K
D641
D642
D643
C652 100P
C653 100P
R924
10K
R925 22K
R926 0
R927 0
LOADING
REST_SW
RST
STAT
SUBQ
SQCK
BLKCK
MLD
MDATA
MCLK
PGND
TX
+7.5V
DGND
LD_SW
CD3.3V
Rch_OUT
AGND
Lch_OUT
CN606
PLLCE
MDATA/PLLDA
MCLK/PLLCK
SQCLK/DO
SD
PLAY_SW
ST_SW
M1_ROUT
M1_FOUT
OPEN_SW
POS
BT_SW
M2_ROUT
M2_FOUT
ASP_DATA
ASP_LATCH
ASP_CLK
CDAGND
CDL
CDR
CD3.3V
TX
CDDGND
+9V
TAPE_EJECT
RDS_DA/VOC_B
RDS_CLK/VOC_C
MOTOR
PLUNGER
VREF+
STATUS
RESTSW
BLKCLK
SUBQ
CDRST
SQCLK/DO
MDATA/PLLDA
MCLK/PLLCK
/CD
CD3.3V
VREF+
CDR
CDL
CDAGND
MDATA/PLLDA
MCLK/PLLCK
SQCK/DO
SD
PLAY_SW
ST_SW
M1_ROUT
M1_FOUT
OPEN_SW
POS
BT_SW
M2_ROUT
M2_FOUT
ASP_DATA
ASP_LATCH
ASP_CLK
CDL
CDAGND
CDR
CD3.3V
+9V
TAPE_EJECT
MUTE_A
SSEQ
CDDGND
CD7.5V
CD3.3V
MUTE_H
DCDET
/CD
PGND
HP_L
HP_GND
HP_R
HP_SW
FL1
FL2
-VP
SYS6V
SYNC
(ECONO)
PCONT
GND2
PLUNGER
FL2
FL1
-VP
DVREF+
+9V
REC_LED
PCONT
SYS6V
EE_CS
EE_CLK/
EX1_CLK
DMT
BP1
REC
SSEQ
MUTE_H
MUTE_A
MOTOR
PCONT
RESTSW
EE_DAT/
EX1_DAT
ST_SW
M2_ROUT
M2_FOUT
OPEN_SW
POS
DCDET
VREF+
SYNC
VREF+
PHOTO
MOTOR
PLUNGER
GND2
DVREF+
DECK_AD1
DECK_AD2
DMT
BP1
REC
PANEL CIRCUIT
SCHEMATIC DIAGRAM-8
: +B SIGNAL LINE
H600/W600
CN602
H604/
W604
CN608
D636
B3CNE0000001
Q610
KTA1504GRTA
DECK SUPPLY CONTROL
Q613,615
KRA119STA
LED DRIVE
Q901
KRC101STA
SUBQ SWITCH
Q608,609
KTC3875GRTA
µ-P BEAT PROOF
CONTROL
Q607
KRC103STA
RESET SWITCH
Q902
R904
12K
: CD SIGNAL LINE
RDS_DATA
RDS_CLOCK
: MAIN SIGNAL LINE
R671
560
R658
560
R672
0
R639 2.2K
R638
100
C660
100P
C654
100P
C655
100P
C656
100P
C664
100P
C657 100P
C658 100P
C659 100P
19
18
17
16
15
14
13
12
11
10
2
4
6
8
9
7
5
3
1
19
18
17
16
15
14
13
12
11
10
2
4
6
8
9
7
5
3
1
30
29
21
23
25
27
28
26
24
22
20
10
2
4
6
8
9
7
5
3
1
14
13
12
11
10
2
4
6
8
9
7
5
3
1
2
4
6
7
5
3
1

Related product manuals