EasyManua.ls Logo

Panasonic SA-PM17E - SCHEMATIC DIAGRAM-11

Panasonic SA-PM17E
146 pages
Print Icon
To Next Page IconTo Next Page
To Next Page IconTo Next Page
To Previous Page IconTo Previous Page
To Previous Page IconTo Previous Page
Loading...
13
12
11
10
2
4
6
8
9
7
5
3
1
14
13
12
11
10
2
4
6
8
9
7
5
3
1
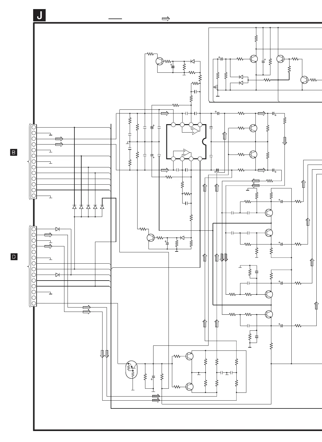
POWER CIRCUIT
SCHEMATIC DIAGRAM-11
TO
MAIN CIRCUIT
(CN301) ON
SCHEMATIC
DIAGRAM-4
R772
4.7K
R774
100K
C738
16V10
R776
1K
R778
15K
Q720
R758 2.2K
R752
100K
C750
0.015
R720
68K
R766
15K
C746
100P
C748
47P
C726
16V10
R728
1K
C730
50V3.3
R725
1K
R724
100K
R723
1K
R722
100K
Q711
Q710
R729
1K
C731
50V3.3
C727
16V10
C709
1000P
C710
1000P
IC501
C0AABB000117
DUAL OP-AMP
C747
47P
C745
100P
R767
15K
R721
68K
R727
100K
C749
0.015
C744 0.01C743 0.01
C741 50V0.33 C742 50V0.33
C740 100PC739 100P
R765 68K R764 68K
R768
4.7K
C736
0.082
C737
0.082
R769
4.7K
R753
2.2K
R759
4.7K
R771
100K
D709
MA2C16500E
C711
16V10
R773
1K
R775
15K
R744
12K
R745
10K
R747
1.5K
R746
4.7K
C725
6800P
C724
6800P
Q717
Q716
C723
50V1
R743
1.5K
C720
50V1
C722
6800P
C721
6800P
R742
5.6K
R741
10K
R740
12K
R730
220K
C712
2200P
R731
10K
R737
680
Q714
Q715
C713
50V0.68
C714
4700P
R733
15K
R732
15K
R738
15K
R779
15K
C717
4700P
C716
50V0.68
C715
2200P
R735
220K
R739
680
R736
10K
R756
39
R757
39
R754
39
R755
39
R750
3.3K
R751
3.3K
C728
3300P
C729
3300P
Q718
Q719
R749
1.5K
R748
1.5K
R726 27K
C705 16V100
R713 56K
Q704
MUTEA
CDDGND
SSEQ
CD7.5V
CD3.3V
MUTEH
DCDET
CD
PGND
HP_L
HP_GND
HP_R
HP_SW
PGND
8.5V
FAN2
FAN1
10V
SW5V
DGND
+9V
SGND
L_IN
R_IN
TGND
+15V +15V
+9V
SW5V
10V
FAN1
FAN2
8.5V
CD
DCDET
MUTE_H
CD3.3V
CD7.5V
D701
D702
D703
D704
D700
+9V
Q721
CP501
TO
PANEL CIRCUIT
(CN608) ON
SCHEMATIC
DIAGRAM-8
CN500
: +B SIGNAL LINE : MAIN SIGNAL LINE
D700-704
B0AACK000004
Q721
KTC3199GRTA
AGC
Q710,711
B1AAGC000006
MUTING SWITCH
Q716,717
KTC3199GRTA
MUTING SWITCH
Q714,715
KTC3199GRTA
MUTING SWITCH
Q718,719
B1AAGC000006
MUTING SWITCH
Q704
KRA102MTA
MUTING SWITCH
CONTROL
Q720
KTC3199GRTA
AGC
R777
220
R734
220
D527
B0AACK000004
D526
D708
MA2C16500E
R700 18
R701 56K
D706
B0AACK0000004
D705
B0AACK0000004
R702
100
C700
6.3V100
Q700
C701 16V33
R705 10K
R703
10K
R706
4.7K
R707
5.6K
Q701
R704
56K
Q702
R708
10K
Q702
B1AACF000063
SWITCH
Q700
B1AACF000063
SWITCH
Q701
KTA12710YTA
SWITCH
FAN1
FAN2
10V
1234
5 6 7 8
power pcb (E/EG)
power pcb (EB)
(E_EG)
EB

Related product manuals