EasyManua.ls Logo

Panasonic SA-PT470EB - Replacement of Regulator Diode (D5801)

Panasonic SA-PT470EB
154 pages
Print Icon
To Next Page IconTo Next Page
To Next Page IconTo Next Page
To Previous Page IconTo Previous Page
To Previous Page IconTo Previous Page
Loading...
67
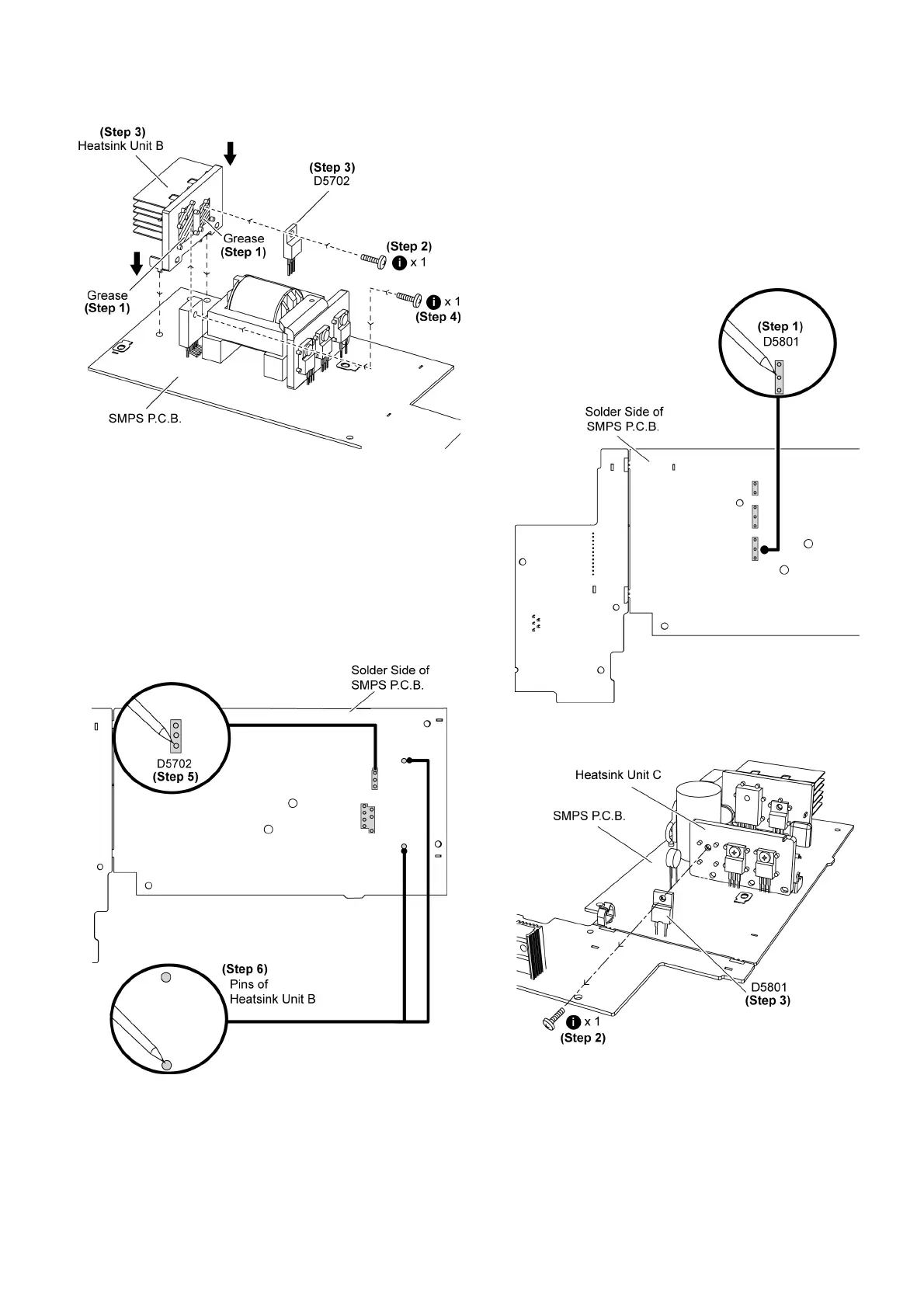
9.22.2. Assembly of Rectifier Diode
(D5702)
Step 1 Apply grease to the heatsink unit B.
Step 2 Fix and screw the rectifier diode (D5702) to the heatsink
unit B.
Step 3 Mount the heatsink unit B with rectifier diode (D5702) on
SMPS P.C.B. in the direction of arrows.
Caution: Ensure the rectifier diode (D5702) is tightly
screwed to the heatsink unit B.
Step 4 Fix and screw the switching regulator IC (IC5701) to the
heatsink unit B
Caution: Ensure the heatsink unit B with rectifier diode
(D5702) are properly seated on SMPS P.C.B.
Step 5 Solder pins of the rectifier diode (D5702) on the solder
side of SMPS P.C.B.
Step 6 Solder pins of the heatsink unit B on the solder side of
SMPS P.C.B.
9.23. Replacement of Regulator
Diode (D5801)
9.23.1. Disassembly of Regulator Diode
(D5801)
Follow (Step 1) to (Step 3) of Item 9.3.
Follow (Step 1) to (Step 10) of Item 9.6.
Follow (Step 11) to (Step 13) of Item 9.12.
Follow (Step 1) to (Step 7) of Item 9.19.
Step 1 Desolder pins of the regulator diode (D5801) on the sol-
der side of SMPS P.C.B.
Step 2 Remove 1 screw from the regulator diode (D5801).
Step 3 Remove the regulator diode (D5801) from the SMPS
P. C .B .
Caution: Handle the heatsink unit C with caution due to its
high temperature after prolonged use. Touching it may
lead to injuries.
Note: Refer to the diagrams of SMPS P.C.B. (Item 18.5) for
location of the electrical components.

Table of Contents

Related product manuals