EasyManua.ls Logo

Panasonic SB-FS730 - Page 89

Panasonic SB-FS730
158 pages
Print Icon
To Next Page IconTo Next Page
To Next Page IconTo Next Page
To Previous Page IconTo Previous Page
To Previous Page IconTo Previous Page
Loading...
B
B
Q1352,Q1354
Q1351
D1351
Q34003
5V REG
REGULATOR
REGULATOR
Q33005
L1250
T1150
Q33004
REGULATOR
SWITCH
QR33002,
QR33013
L1290
D1260,
D1261
L1260
L1240
D1240,
D1241
D1230
D33002
D6302
D7751
D7752
B7751
1
2
4
IC33001
C0CBCHG00005
Q33003
POWER
SUPPLY
+B
REGULATOR
+B
REGULATOR
REGULATOR
REGULATOR
SWITCH
Q33002,
Q33011
REGULATOR
QR33003
D1280
B
Q6305
Q33001
D33001
Q6306
Q33008
1
3
6
IC6301
C0DBCHD00004
B
1
2
4
TO
FL
DISPLAY
D1270
Q1200
IC1200
C0DAEMB00003
Q1151
PULSE
DRIVE
LR1150
SWITCHING
D1140
P1101
Q1150,Q1152
F1101
D1110
L1120L1121
B
Q1360
REGULATOR
QR1363
REGULATOR
QR1361
SWITCH
Q34004
REGULATOR
REGULATOR
REGULATOR
TUNER 5V
REGULATOR
Q33006
REGULATOR
Q33007
REGULATOR
D1180
IC33002
C0CBCYG00003
DC-DC
CONVERTER
PHOTO COUPLER
D1250,
D1251
D1290,
D1291
IP1240
IP1280
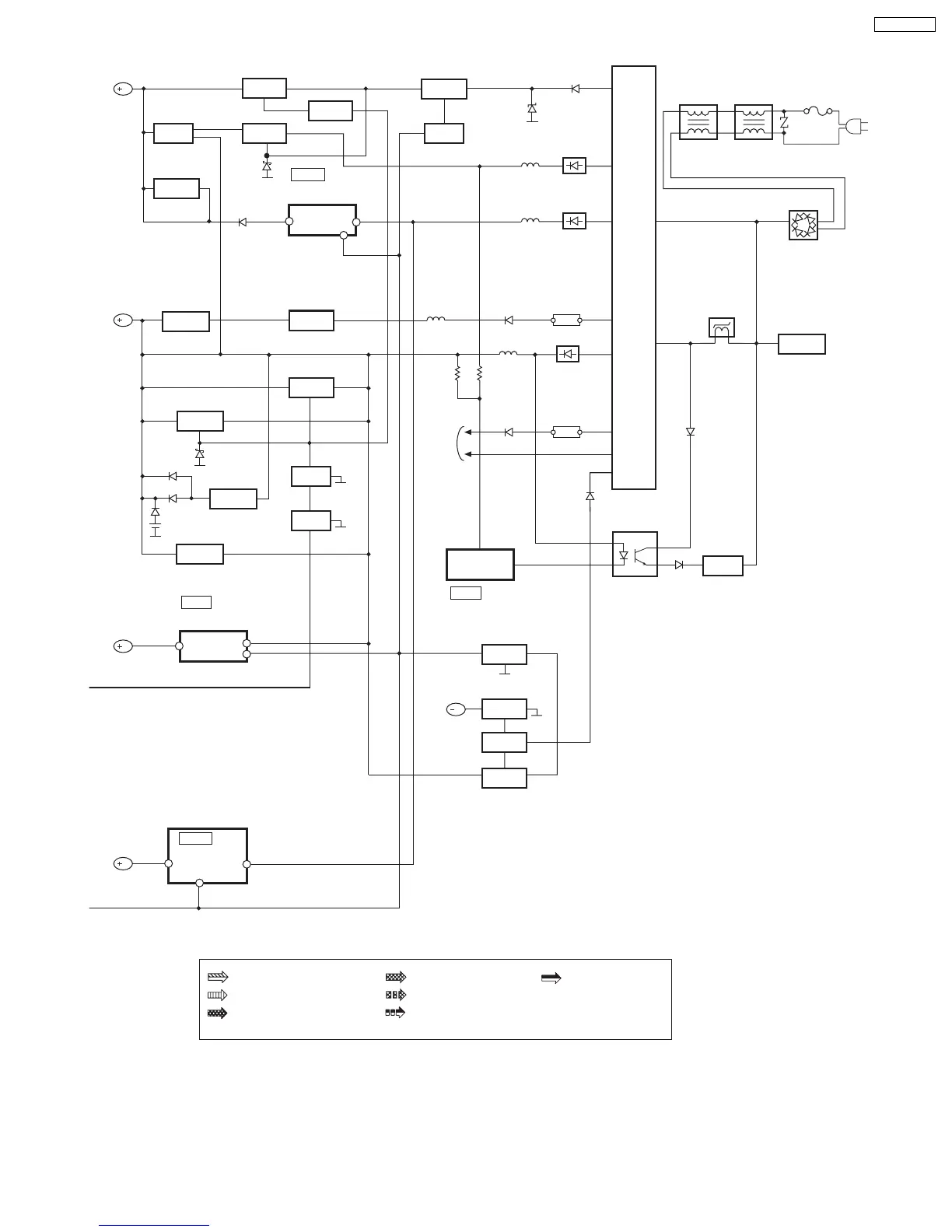
SIGNAL LINES
: MAIN SIGNAL LINE
: DVD AUDIO SIGNAL LINE
: DVD VIDEO SIGNAL LINE
( ) Indicates the Pin No. of Right Channel.
NOTE : Signal Lines are applicable to the Left Channel only.
: AUX SIGNAL LINE
: VIDEO SIGNAL LINE
: FM/AM SIGNAL LINE
: CD/DA SIGNAL LINE
DC-DC CONVERTER
D1155
D1152
89
SA-HT833VP

Table of Contents

Related product manuals